題組內容
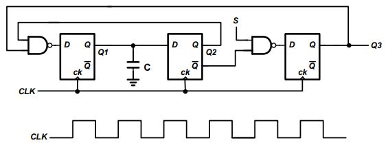
五、分析以下之邏輯電路。若三個D型正反器輸出的初始值Q1, Q2, Q3皆為邏輯1, CLK為頻率1 MHz的方波時脈信號。
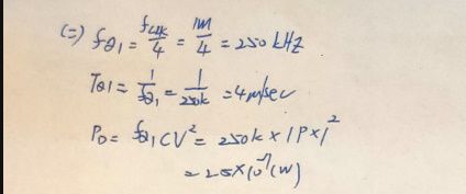
⑵承上,D型正反器輸出的電壓位準為1 V(邏輯1)及0 V(邏輯0),若電容C = 1 pF,試求電容的動態功率消耗。(10分)
詳解 (共 1 筆)
詳解

五、分析以下之邏輯電路。若三個D型正反器輸出的初始值Q1, Q2, Q3皆為邏輯1, CLK為頻率1 MHz的方波時脈信號。
