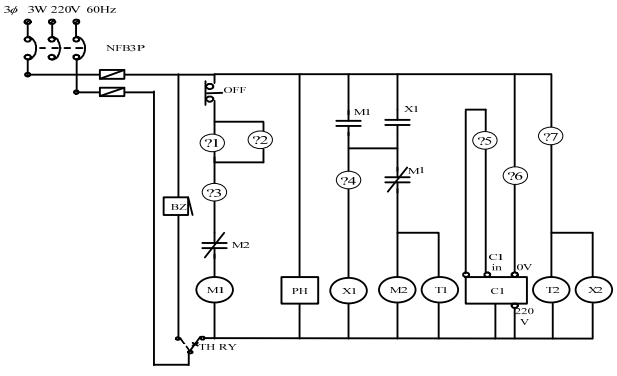
一、本題描述如下:
⑴下圖元件:PH 為光電開關、T1(設定 5 秒)與 T2(設定 8 秒)為 Timer On Delay Relay、M1 與 M2 為電磁電驛、X1 與 X2 為輔助電驛、C1 為計數器(設定 5 次)、 On 與 Off 分別為起動與停止開關。
⑵動作原理:利用 On 開關啟動 M1、再以光電開關控制其計數器的次數,次數到達 計數器所設定之值,則啟動 M2 並關閉 M1,時間(T1 or T2)到後使 M2 關閉, 另一時間(T1 or T2)到後再 Reset 計數器。
