題組內容
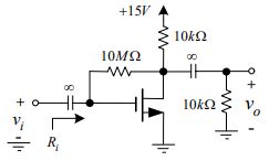
三、下圖是一個 MOSFET 放大器,電晶體的VT =1.5 V、k'n (W / L) =0.25 mA/V 2、 VA =50 V,在直流偏壓分析中忽略 VA 的效應。(20 分)
⑵請繪出小訊號等效電路,計算 Ri 與小訊號增益 vo / vi 。
三、下圖是一個 MOSFET 放大器,電晶體的VT =1.5 V、k'n (W / L) =0.25 mA/V 2、 VA =50 V,在直流偏壓分析中忽略 VA 的效應。(20 分)
⑵請繪出小訊號等效電路,計算 Ri 與小訊號增益 vo / vi 。