阿摩線上測驗
登入
首頁
>
港務局◆電力系統與電路學
>
104年 - 104-1 臺灣港務股份有限公司從業人員_師級_電機:電力系統#83342
> 申論題
題組內容
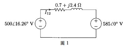
2. 兩單相理想電壓源被以一阻抗為 0.7+j2.4 Ω 的線路連接在一起,如圖 1 所示。
V
1
= 500∠16.26° V 及
V
2
= 585∠0° V。
試求出各電機的複功率及決定他們是吸收或是供給實功率及虛功率。
相關申論題
1. 某一變電所的年負載給定如表 1 所示,假設其每月之功率為固定的平均值,試求取平均負載及年負載因數。(15 分)
#339100
求出線路上的實功率及虛功率損失。
#339102
3. 三相電力系統之單線圖如圖 2 所示,所有阻抗皆標示成以 100MVA、400kV 為基準之標么值,匯流排 2 上之負載 S2 = 15.93 MW − j33.4 Mvar ,而匯流排 3 上之負載S3 = 77 MW+ j14 Mvar,匯流排 3電壓需保持於 400∠0° kV,利用標么值,決定匯流排 2 與匯流排 1 電壓。(15 分)
#339103
4. 有一電力系統如圖 3 所示。在母線 1 及 2 之發電機,以等效電流源代表,其電抗為以 100MVA為基準的標么值。輸電線以π 模型代表,其串聯電抗及並聯電抗亦為以 100MVA 為基準的標么值。在母線 3 及 4 之負載,以 MW 及 Mvar 代表。假設母線 3 及 4 之電壓大小為 1.0 pu,將負載轉化為標么值,將網路阻抗轉化為導納,試以觀察法求得母線導納矩陣。(15 分)
#339104
(2)電流 I 為多少安培?
#539391
(1)電源電壓E為多少伏特?
#539390
三、假設某一工廠用電設備為600kW 的負載,且負載之功率因數為0.6,若要改善負載功率因素提高到0.8時,請問此時應加裝之電容器容量為多少 kVAR?
#539389
(2)計算電容器的初始儲存能量?
#539388
(1) t ≧ 0時的V(t)?
#539387
一、請計算如圖【一】所示,電路的等效電阻?
#539386
相關試卷
114年 - 114 臺灣港務股份有限公司_新進從業人員甄試_電機:電力系統與電路學#126743
114年 · #126743
112年 - 112 臺灣港務股份有限公司_新進從業人員甄試試題_師級_電機 :電力系統與電路學#114066
112年 · #114066
108年 - 108 臺灣港務股份有限公司新進從業人員甄試_師級_電機:電力系統與電路學#83151
108年 · #83151
107年 - 107 臺灣港務股份有限公司新進從業人員甄試_師級_電機:電力系統與電路學#83180
107年 · #83180
106年 - 106-2 臺灣港務股份有限公司從業人員甄試_師級_電機:電力系統與電路學#83194
106年 · #83194
106年 - 106-1 臺灣港務股份有限公司從業人員甄試_師級_電機:電力系統與電路學#83189
106年 · #83189
105年 - 105-2 臺灣港務股份有限公司從業人員甄試_師級_電機:電力系統與電路學#83218
105年 · #83218
105年 - 105-1 臺灣港務股份有限公司從業人員甄試_師級_電機:電力系統與電路學#83211
105年 · #83211
104年 - 104-1 臺灣港務股份有限公司從業人員_師級_電機:電力系統#83342
104年 · #83342
104年 - 104-1 臺灣港務股份有限公司從業人員_師級_ 電機:電路學#83338
104年 · #83338