阿摩線上測驗
登入
首頁
>
基本電學(概要)
>
102年 - 102 中華郵政股份有限公司_專業職(一)/電力工程:基本電學#28770
> 申論題
題組內容
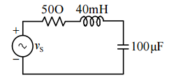
題目四: 某環狀鐵心繞有線圈 500 匝時的電感值為 40 mH,將此電感與 50 W電阻及 100 mF 電容串 聯組成下圖所示的電路,電源v
s
s =110 √ 2sin(2p f
s
t) V,電源頻率 s f 為可調變,請回答下列問題:
(一)電源v
s
的電壓有效值為何?【5 分】
詳解 (共 3 筆)
qaz80113
詳解 #2669560
2018/03/13
110V
(共 6 字,隱藏中)
前往觀看
陳明福
詳解 #1731905
2016/01/16
155V
makeshadow
詳解 #3437694
2019/06/25
110
相關申論題
(二)此電路的諧振頻率 f0 為何?【5 分】
#57847
(三)當 f s< f0 時, f s增加對此電路的阻抗大小與功率因數之影響為何?功率因數為超前 或落後?【5 分】
#57848
(四)當f s > f0 時, f s增加對此電路的阻抗大小與功率因數之影響為何?功率因數為超前 或落後?【5 分】
#57849
(五)若環狀鐵心的線圈匝數改為 1,000 匝,則電感值為多少?【5 分】
#57850
(一)何謂票據背書?票據是否均得依背書而轉讓?【8 分】
#57868
(二)何謂空白背書?經空白背書之票據,如何轉讓?【10 分】
#57869
(一)何謂追索權?【7 分】
#57870
(二)行使追索權時,原則上要遵循哪些程序?【9 分】
#57871
(三)支票權利人對於發票人及前手行使追索權時,其消滅時效期間之起算日及期間各 為何?【9 分】
#57872
(一)何謂「空白授權票據」?【10 分】
#57873
相關試卷
115年 - 115 關務特種考試_四等_電機工程(選試英文):基本電學#138955
115年 · #138955
115年 - 115-1 臺北市立大安高工教師甄選試題_電子/控制科:基本電學#138451
115年 · #138451
114年 - 114 關務特種考試_四等_電機工程(選試英文):基本電學#126651
114年 · #126651
113年 - 113 關務特種考試_四等_電機工程(選試英文)、電機工程(選試日文):基本電學#119481
113年 · #119481
112年 - 112 地方政府特種考試_四等_電力工程、電子工程、電信工程:基本電學#118330
112年 · #118330
112年 - 112 普通考試_電力工程、電子工程、電信工程:基本電學#115756
112年 · #115756
112年 - 112 關務特種考試_四等_電機工程:基本電學#113949
112年 · #113949
111年 - 111 地方政府特種考試_四等_電力工程、電子工程、電信工程:基本電學#112594
111年 · #112594
111年 - 111 中華郵政股份有限公司_職階人員資產營運及工程類科甄試試題_專業職(一)/電力工程:基本電學#111525
111年 · #111525
111年 - 111 普通考試_電力工程、電子工程、電信工程:基本電學#109349
111年 · #109349