題組內容
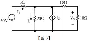
第三題: 如【圖 3】所示:

(二)設 IZ =0.2VX(安培),求 I1、I2、VX=?【15 分】
詳解 (共 2 筆)
Lation
詳解 #2749782
I1 =3 A
I2 =0.75 A
VX = 7.5 V
Pei Hsuan Su
詳解 #3272622
VX=10
IZ=2
I2=0.97
I1=2.12