阿摩線上測驗
登入
首頁
>
升資考/佐級晉員級◆電工原理概要
>
97年 - 97 交通事業鐵路升資考試_佐級晉員級_技術類:電工原理概要#38371
> 申論題
題組內容
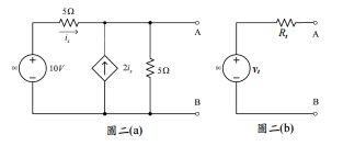
二、圖二(a)所示之直流電路可以簡化為圖二(b)的等效電路。
⑵求電壓值 vt ?(5 分)
相關申論題
⑴繪出 0 ≤ t ≤ (1 / 120) sec 的 vR (t ) 波形。(10 分)
#113295
⑵標示此波形的最高點電壓值。(10 分)
#113296
⑴求電阻值 Rt ?(5 分)
#113297
⑴用弗萊銘定則計算此段銅線所受力量的大小值。(5 分)
#113299
⑵指明此力量的方向(上、下、左、右、前、後)。(5 分)
#113300
⑴寫出單相交流電路之功率因數的定義。(10 分)
#113302
⑵圖五為單相交流電路,求其功率因數?(5 分)
#113303
⑴求V1 與 I1 ?(10 分)
#113304
七、小明家的分電盤有三個分路,一個 220V 空調機分路,一個 110V 插座分路,一個 110V 電燈分路,電力公司從桿上變壓器配線到小明家,請繪出小明家的配線圖,此 配線圖必須包括桿上變壓器、總開關(配電盤)、分路斷路器(分電盤)、各個分 路、接地。(15 分)
#113306
(三)效率。
#501651
相關試卷
112年 - 112 交通事業鐵路升資考試_佐級晉員級_技術類(選試電工原理概要)—鐵路:電工原理概要#117351
112年 · #117351
109年 - 109 交通事業鐵路升資考試_佐級晉員級_技術類(選試電工原理概要):電工原理概要#92603
109年 · #92603
106年 - 106 交通事業鐵路升資考試_佐級晉員級_技術類(選試電工原理概要):電工原理概要#66003
106年 · #66003
103年 - 103 交通事業鐵路升資考試_佐級晉員級_技術類(選試電工原理概要):電工原理概要#38437
103年 · #38437
100年 - 100 交通事業鐵路升資考試_佐級晉員級_技術類(選試電工原理概要):電工原理概要#38357
100年 · #38357
97年 - 97 交通事業鐵路升資考試_佐級晉員級_技術類:電工原理概要#38371
97年 · #38371
96年 - 96 交通事業郵政升資考試_佐級晉員級_電機工程:電工原理概要#39198
96年 · #39198
96年 - 96 交通事業公路升資考試_佐級晉員級_電機工程:電工原理概要#39167
96年 · #39167
95年 - 95 交通事業港務升資考試_佐級晉員級_電機工程:電工原理概要#38643
95年 · #38643