阿摩線上測驗
登入
首頁
>
機械原理(機械概論、大意)
>
98年 - 098年員級機械原理概要#48059
> 申論題
題組內容
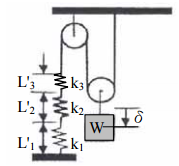
二、如下圖所示,其中彈簧常數各為k
1
= 2 N/cm,k
2
= 4 N/cm及k
3
= 20 N/cm(N:牛頓),彈 簧原長各為L
1
= 100 mm,L
2
= 100 mm及L
3
= 50 mm。當以該滑輪機構平衡一物體(重 量W)時,彈簧的總長變為 266 mm,三根彈簧長度分別變為L'
1
,L'
2
及L'
3
,請問:
⑶由彈簧未變形前的位置算起,物體下降(
δ
)多少(mm)?(5 分)
相關申論題
一、螺旋扣件為何要鎖緊到螺絲本體產生張力?(10 分)此張力要多大較恰當?(5 分) 該張力要如何控制?(5 分)
#166569
⑴物體的重量(W)為多少(N)?(5 分)
#166570
⑵L'1,L'2及L'3的長度為多少(mm)?(10 分)
#166571
三、有一以皮帶為傳動裝置,已知線速 10 m/s,傳動馬力 8 Hps(Hps:公制馬力),緊 邊力為鬆邊力的兩倍,試求有效張力 Fe,及緊邊之張力;設本裝置的離心力忽略不 計。(20 分)
#166573
⑴何謂平面凸輪?(7 分)
#166574
⑵何謂立體凸輪?(7 分)
#166575
⑶何謂確動凸輪?(6 分)
#166576
五、一起重滑輪組,如下圖所示,若其懸掛之物體重量 W 為 100 公斤,則拉力 P 應為 多少公斤?(20 分)
#166577
四、下圖所示行星齒輪系,若桿 2 輸入、桿 3 輸出,且太陽齒輪、行星齒輪及環齒輪的齒數分別為 16、13 及 44 齒,請計算機構的轉速比ω3/ω2。 (30 分)
#569840
三、使用相同的兩個螺旋彈簧,在線性範圍內承受拉力 F,若並聯使用時總伸長量為δ1,且串聯使用時總伸長量為δ2,請計算伸長量比值δ1/δ2。 (20 分)
#569839
相關試卷
115年 - 115 關務特種考試_四等_機械工程(選試英文):機械原理概要#138916
115年 · #138916
114年 - 114 關務特種考試_四等_機械工程(選試英文):機械原理概要#126566
114年 · #126566
113年 - 113-2 國營臺灣鐵路股份有限公司_從業人員甄試試題_第10階-助理技術員:機械原理概要#125611
113年 · #125611
113年 - 113 臺灣菸酒股份有限公司_年從業職員及從業評價職位人員甄試試題_從業評價職位人員:機械概論#123491
113年 · #123491
113年 - 113 中央印製廠新進人員甄試試題_印製技術員:機械概論#123139
113年 · #123139
113年 - 113 關務特種考試_四等_機械工程(選試英文):機械原理概要#119482
113年 · #119482
112年 - 112 中央銀行所屬中央印製廠、中央造幣廠_新進人員聯合甄試試題_印製技術員/機械技術員:機械概論#120212
112年 · #120212
112年 - 112 地方政府特種考試_四等_機械工程:機械原理概要#118123
112年 · #118123
112年 - 112 原住民族特種考試_四等_機械工程:機械原理概要#116511
112年 · #116511
112年 - 112 普通考試_機械工程:機械原理概要#115401
112年 · #115401