阿摩線上測驗
登入
首頁
>
電機機械
>
101年 - 101年外交領事人員及外交行政人員、101年國際經濟商務人員、101年法務部調查人員、101年國家安全局國家安全情報人員、101年民航人員、101年經濟部專利商標審查人員、101年軍法官考專利商標三等_電力工程#26718
> 申論題
題組內容
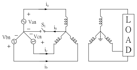
四、若三相電源電壓均為正弦波且Y接,單相變壓器在正弦波電壓下其激磁電流為
i
α
=
I
m1
sin(ωt) + I
m3
sin(3ωt) +
I
m5
sin(5
ωt) ,如下圖採用Y-Y連接成三相系統,在中 心線S
1
打開及關上時
2變壓器一次側及二次側 之相電壓及線電壓波型何者為正弦波?(10 分)
相關申論題
一、試述直流發電機並聯之條件。(20 分)
#44731
1畫出適當的連接。(5 分)
#44732
2畫出相位圖。(5 分)
#44733
3計算各個變壓器之額定電壓。(5 分)
#44734
4如果單相所提供的最大負載為 100 kVA,那麼每一個變壓器所需的 kVA 值為多少? (5 分)
#44735
1試求連結導線之功率損失?(4 分)
#44736
2試求線路效率?(4 分)
#44737
3若欲改善功率因數為 1 需並聯電容器,則該電容器之電流為若干?(4 分)
#44738
4該電容器電流與電壓之相位關係為何?(4 分)
#44739
5求改善後之電路電流及線路效率?(4 分)
#44740
相關試卷
115年 - 115 關務特種考試_三等_電機工程(選試英文):電機機械#138915
115年 · #138915
114年 - 114 地方政府公務特種考試_三等_電力工程:電機機械#134760
114年 · #134760
114年 - 114 專技高考_電機工程技師:電機機械#133717
114年 · #133717
114年 - 114 關務升官等考試、交通事業郵政升資考試_薦任、員級晉高員級_電力工程、技術類(選試電機機械)—關務、郵政:電機機械#133262
114年 · #133262
114年 - 114 交通事業郵政升資考試_佐級晉員級_技術類(選試電機機械概要)—郵政:電機機械概要#133211
114年 · #133211
114年 - 114 高等考試_二級_電力工程:電機機械#131612
114年 · #131612
114年 - 114 高等考試_三級_電力工程:電機機械#128777
114年 · #128777
114年 - 114 關務特種考試_三等_電機工程(選試英文):電機機械#126668
114年 · #126668
113年 - 113-2 國營臺灣鐵路股份有限公司_從業人員甄試_第8階-助理工程師-機械 第8階-助理工程師-電機:電機機械#137140
113年 · #137140
113年 - 113 地方政府公務特種考試_三等_電力工程:電機機械#124526
113年 · #124526