阿摩線上測驗
登入
首頁
>
機件原理
> 無年度 - 機件原理11-12章(齒輪、輪系)#11749
無年度 - 機件原理11-12章(齒輪、輪系)#11749
科目:
機件原理 |
選擇題數:
40 |
申論題數:
0
試卷資訊
所屬科目:
機件原理
選擇題 (40)
1.一對兩軸平行之外接螺旋齒輪,已知主動輪之螺旋方向為右旋,螺旋角為15°,則從動輪之螺旋方向及螺旋角為多少度? (A)右旋15° (B)左旋15° (C)右旋75° (D)左旋75°。
2.要傳達兩相交軸之動力,我們通常使用 (A)正齒輪 (B)斜齒輪 (C)蝸桿與蝸輪 (D)以上皆可。
3.蝸桿與蝸輪傳動,其兩軸在空間成 (A)平行 (B)斜交 (C)正交 (D)以上皆是。
4.蝸桿與蝸輪之傳動,應以 (A)蝸輪為原動 (B)蝸桿為原動 (C)蝸桿與蝸輪均為原動 (D)有時蝸桿為原動而有時蝸輪為原動。
5.下列有關齒形尺寸的敘述,何者為正確? (A)徑節愈大,齒形愈大 (B)徑節等於節圓直徑除以齒數 (C)周節等於齒數除以節圓周 (D)模數愈大,齒形愈大。
6.齒數50,外徑104mm之標準漸開線齒輪,壓力角為30°,則其基圓直徑為 (A)50mm (B)57.7mm (C)86.6mm (D)100mm。
7.若齒輪的模數為3mm,齒數60,則齒輪的外徑為 (A)180mm (B)186mm (C)183mm (D)184mm。
8.兩軸相交時,應採用下列何種齒輪傳動? (A)正齒輪 (B)斜齒輪 (C)蝸桿與蝸輪 (D)人字齒輪。
9.當漸開線齒輪之壓力角固定時,則其基圓直徑與節圓直徑 (A)成正比 (B)成反比 (C)平方根成正比 (D)平方根成反比。
10.齒輪之接觸率(contact ratio)愈大 (A)傳動效率愈低 (B)傳動效率愈高 (C)轉速比愈大 (D)轉速比愈小。
11.有關齒輪的敘述,下列何者錯誤? (A)人字齒輪無軸向推力發生 (B)漸近弧恆等於漸遠弧 (C)徑節5之齒形比模數5之齒形大 (D)短齒制之齒頂高為全深齒之80%。
12.20°標準漸開線齒輪之齒冠等於(Pd=徑節) (A)1/Pd (B)1.25/Pd (C)1.157/Pd (D)0.8/Pd
13.齒輪節圓上相鄰兩齒同位點間之弧線長,稱為 (A)徑節 (B)模數 (C)周節 (D)齒間。
14.下列何者適合於傳達極高之轉速比? (A)蝸桿與蝸輪 (B)正齒輪 (C)斜齒輪 (D)齒條與小齒輪。
15.蝸輪與蝸桿減速機使用特性,下列何項不正確? (A)兩軸可不相交也不平行傳動 (B)蝸桿必須為主動件 (C)傳動速比與蝸桿螺旋線數無關 (D)蝸桿可正逆轉傳動,但齒隙須考慮。
16.在齒輪輪系中,吾人可利用一個何者以改變從動輪之轉向 (A)導輪 (B)壓力輪 (C)惰輪 (D)摩擦輪。
17.如圖所示之輪系,A輪轉速為120rpm,則C輪轉速應為多少? (A)240rpm (B)60rpm (C)200rpm (D)480rpm。
18.如圖所示之輪系,若A順時針方向迴轉,轉速為25rpm,其輪系值及C軸的轉速分別為? (A)+10,50rpm順時針 (B)+10,250rpm順時針 (C)-10,50rpm逆時針 (D)-10,250rpm逆時針。
19.如圖所示之輪系中A、B、C、D、F各輪齒數分別為16、32、15、30、40,蝸桿E為雙線右旋,若A輪轉速為240rpm,求F輪之轉速?(A)2rpm (B)3rpm (C)4rpm (D)5rpm。
【已刪除】20.回歸輪系中,若輪系值為1/12,且所有齒輪徑節相同,則下列何組齒輪配合可以採用? (A) (B) (C) (D)
21.如圖所示之回歸輪系中,各齒輪之模數皆為5,齒輪A、B、C之齒數分別為30、40、15,則齒輪D之齒數為 (A)25 (B)55 (C)60 (D)85。
22.設A及B兩個正齒輪組成之周轉輪系,如圖所示,A輪30齒,B輪10齒,且A輪固定不動,若旋臂m順時針方向每分鐘旋轉10轉,則B輪之轉速為 (A)20rpm (B)30rpm (C)40rpm (D)60rpm。
23.如圖為一周轉輪系,輪4向上迴轉20圈,輪5向下迴轉10圈,試求輪A的轉數及轉向?(A)4轉,向上 (B)4轉,向下 (C)6轉,向上 (D)6轉,向下。
24.如圖所示之周轉輪系,若D輪轉速為85rpm,而A輪固定不動,則旋臂m之轉速與轉向為何?(A)50rpm轉向與D相同 (B)50rpm轉向與D相反 (C)25rpm轉向與D相同 (D)25rpm轉向與D相反。
【已刪除】25.一輪系值e=30之齒輪輪系,設每輪齒數不得少於12,則此輪系之各齒輪齒數配合應為 (A) (B) (C) (D)以上皆非。
26.如圖所示之輪系組合,其輪系值為 (A)2 (B)4 (C)6 (D)8。
27.如圖所示之輪系組合,若A軸順時針60rpm,則C軸與B軸的轉速分別為____rpm (A)480,100 (B)600,100 (C)500,250 (D)240,100。
28.有一單式輪系,分別由A輪、惰輪及B輪組成,輪系值為+5,若A為主動輪,轉速為100rpm,則B輪之轉速為____rpm (A)20 (B)100 (C)250 (D)500。
29.下列何種輪系之輪系值最精確? (A)繩輪系 (B)摩擦輪系 (C)皮帶輪系 (D)齒輪系。
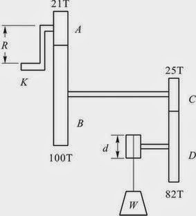
30.如圖所示之起重機輪系,其齒輪A、B、C與D的齒數標示於圖中,已知其曲柄K的半徑R為400mm,捲筒直徑d為250mm,若在曲柄上施力F=150N,且不計摩擦損耗下,則能吊起的重量W為多少N? (A)5000 (B)6250 (C)7500 (D)8750。
31.一般稱為煞車的裝置是指 (A)聯結器 (B)離合器 (C)連桿機構 (D)制動器。
32.下列何者為目前小型汽車所廣泛使用,且散熱良好的制動器? (A)帶制動器 (B)塊制動器 (C)碟式制動器 (D)鼓式油壓制動器。
33.如圖所示之制動器,制動鼓之直徑為24cm,L=100cm,a=30cm,θ=252°,摩擦係數μ=0.25,F1=180N,則制動力P為若干N?(令e0.25×252×π/180=3) (A)18 (B)20 (C)24 (D)30
。
34.如圖所示,鼓輪直徑8cm,平衡扭矩為400N-cm,當F1=7/3 F2 時,則停止轉動,試求制動力P為 (A)10 N (B)15 N (C)20 N (D)25 N。
35.制動器接觸面上的材料必須優先考慮的是 (A)摩擦係數 (B)散熱 (C)耐磨耗 (D)無臭味發生。
36.一般小型汽車所使用之制動器為 (A)碟式制動器 (B)帶制動器 (C)空壓式制動器 (D)電磁式制動器。
37.一單塊制動器如圖所示,鼓輪軸之扭矩為240N-cm,鼓輪半徑12cm,若摩擦係數為0.2,則作用力Fa為(長度單位:cm) (A)66.7N (B)86.6N (C)100N (D)120N。
38.制動器所產生的熱量與所加之壓力 (A)成正比 (B)成反比 (C)平方根成反比 (D)無關。
39.下列何種制動器,僅能使運動機件速度減緩,而無法將其完全停止? (A)塊狀制動器 (B)帶制動器 (C)內靴式制動器 (D)渦電流制動器。
40.下列何者非為機械式制動器? (A)帶制動器 (B)發電機制動器 (C)塊狀制動器 (D)內靴式制動器。
申論題 (0)
相關試卷
114年 - 114 台灣糖業股份有限公司_新進工員甄試試題_機械:機件原理#130421
114年 · #130421
112年 - 112 台灣糖業股份有限公司_新進工員甄試_機械、鍋爐:機件原理#118777
112年 · #118777
111年 - 111 台灣糖業股份有限公司_新進工員甄試試題_機械、 鍋爐:機件原理#113351
111年 · #113351
111年 - 111 臺中捷運股份有限公司_新進人員甄試試題:機件原理#108874
111年 · #108874
110年 - 110 台灣糖業股份有限公司_新進工員甄試試題_機械:機件原理#106888
110年 · #106888
103年 - 題庫#12398
103年 · #12398
無年度 - 機件原理 總複習#8335
#8335
無年度 - 機件原理-9#8135
#8135
無年度 - 機械原理#7967
#7967
無年度 - 機件原理-7#6989
#6989