阿摩線上測驗
登入
首頁
>
技檢◆模具-沖壓模具-乙級
> 100年 - 100年乙級 沖壓模具#57392
100年 - 100年乙級 沖壓模具#57392
科目:
技檢◆模具-沖壓模具-乙級 |
年份:
100年 |
選擇題數:
80 |
申論題數:
0
試卷資訊
所屬科目:
技檢◆模具-沖壓模具-乙級
選擇題 (80)
1 . 9 0 ° 的 V 型 彎 曲 模 具 試 模 後 , 若 成 品 彎 曲 角 度 大 於 9 0 ° , 應 該 將 (A)下模 V 槽修整小於 87° (B) 下 模 V 槽修整大於 93° (C)V 型沖頭修整大於 93°(D) V 型沖頭修整小於 87°。
2 . 下 列 何 者 較 無 法 改 善 引 伸 皺 紋 ? (A)調整模墊壓力(B)加大模肩半徑 (C)改變潤滑條件(D) 增加工程 站數。
3 . 調 查 分 析 起 重 機 鋼 索斷裂引起之職業災害時,下列何者非屬災害要因 (A)鋼索狀況(B) 超過捲揚 之預防裝置(C)吊鉤防脫裝置 (D)操作員之訓練狀況。
4 . 通 常 線 切 割 放 電 加 工 機 的 電 極線拉力,係使用電極線的抗拉強度百分之多少為佳? (A)20~30 (B)40~50 (C)60~80 (D)90~100。
5 . 設 置 卡 板 基 準 尺 寸 的 量 具 是 (A)游標卡尺(B)環 規 (C)鋼 尺(D) 塊規。
6 . 沖 剪 沖 壓 加 工 中 , 下列何者不是影響脫料板壓力之因素?(A)材料厚度(B)材料硬度(C) 材料剪斷 應 力(D)剪斷輪廓全長。
7 . 沖 剪 沖 壓 加工中,會發生二次剪斷作用的可能原因是(A) 沒有間隙 (B)間隙太小(C)間隙適中(D)間 隙過大。
8 . 一 般 適 用 於 粗 銑 削 的 平 口 端 銑 刀 , 其 刀 刃 數 為 (A)8 刃 (B) 6 刃(C) 4 刃(D)2 刃。
9 . 可 動 式 脫 料 板 之 功 能 , 下 列 何 者 為 非 ? (A)脫 料 (B)壓 料(C) 保護細小沖頭(D)引導料帶。
1 0 . 在 區 域 網 路 中 , 通 常 資 料 的 傳 輸 是 採 用 (A)串列方式(B)並列方式(C) 串列與並列混合方式(D)不 拘 任何方式。
1 1 . 下 列 何 者 不 是 角 間 隙 的 功 能 ? (A)使料片易於落下(B)減輕沖頭壓力 (C)增加料片在模孔的摩擦(D) 減輕模孔的側向壓力。
1 2 . 下 列 何 者 不 適 用 於 品 質 管 制 (A)平均值與全距管制圖(B)標準差與全距管制圖 (C)不良率管制圖(D) 不良數管制圖。
1 3 . 綜 合 切 削 加 工 機 刀 具 半 徑 補 正 取 消 N C 程 式 指 令 為 (A)G40 (B)G41 (C) G42 (D)G49。
1 4 . 距 離 較 遠 但速比需正確時,最佳的傳動方式是採用(A)皮 帶(B)鏈 條 (C)繩 子(D) 鋼索。
1 5 . 綜 合 切 削 加 工 機 N C 程 式 G 9 0 G 0 0 X 1 0 . Y 1 0 . M 0 8 中,下 列 敘 述 何 者 錯 誤 ? (A)G90 為絕對座標 值設定(B) G00 為快速定位 (C) M08 為關掉切削液 (D)X10.Y10.為終點座標位置。
1 6 . 一 般 用 於 研 磨 銑 刀 的 磨 床 是 (A)工具磨床(B)外圓磨床(C)平面磨床(D) 無心磨床。
1 7 . 銲 接 時 , 銲 條 的 銲 藥所產生之氣體,主要功用是隔絕空氣中的(A) 氧氣及二氧化碳(B) 氧氣及一 氧化碳(C) 氧氣及氮氣(D)氧氣及氬氣。
1 8 . 關 於 勃 氏 硬 度 試 驗,下 列 敘 述 何 者 不 正 確 (A)壓痕器為直徑 5mm 或 10mm 之硬鋼球 (B)適合於超 硬合金之測試(C)需使用計測顯微鏡測量,查表求其硬度值(D)壓痕大,對試片具破壞性。
1 9 . 「 利 他 為 先 、 利 己 為次」的職場態度,說明工作的本質為(A)生 活 (B)義 務(C) 服 務(D)權利。
2 0 . 放 電 加 工 電極製作之注意事項,下列敘述何者錯誤?(A) 需考慮電極精度(B) 需考慮放電間隙, 避免過切現象(C)複雜形狀可製作成同一支電極,方便放電(D)電極加工後之刀痕形狀不會影響 放電精度。
2 1 . 下 列 何 種 空氣壓縮機,使壓縮後之空氣不產生脈衝波動 (A)活塞往復式(B)膜片往復式 (C)迴轉式 (D)氣流式。
2 2 . 若 α 代 表 角 度 , 已 知
,則 α=(A)10° (B)12°(C)15°(D) 18°。
2 3 . 下 列 何 種 撓性傳動在負荷太大時,最容易產生滑移現象 (A)皮帶輪 (B)鏈 輪(C) 齒 輪(D)時規帶輪。
2 4 . 資 料 在 網 路傳輸過程中,下列何者較適合防止被竊讀? (A)防火牆 (B)加 密(C) 廣告攔截 (D)無線網 路。
2 5 . 下 列 何 者 不 是 輥 輪 供 給 裝 置 之 送 料 機 的 特 徵 ? (A)能高速運轉(B)以空氣驅動 (C)送料長度精確(D) 使用材料之厚度與寬度具彈性。
2 6 . 在 下 料 模 具 中 , 下 列 何 者 與 沖 模 間 隙 無 關 ? (A) 模具材料 (B)胚料硬度(C)胚料厚度(D)胚料材質。
2 7 . L 形 彎 形 加 工 中 , 為 防 止 彎 形沖頭產生側向彎曲變形,可使用下列何種元件? (A)擋 塊(B)定 位 銷(C)頂料板(D)浮昇銷。
2 8 . 計 算 引 伸 胚 料 之 面 積 或 直 徑 , 主 要 是 用 (A)圖解法和公式法(B)插入法和圖解法(C)插入法和公式 法(D)插入法和平均法。
2 9 . 下 列 何 者 是 正 弦 規 的 長 度 規 格 (A)50 或 150 ㎜ (B)75 或 150 ㎜ (C)100 或 200 ㎜ (D)1 5 0 或 3 0 0 ㎜。
3 0 . 連 續 沖 切 模 之 下 模 模穴刃口產生磨損,宜採用何種處理以維持製品精度? (A)沖頭研磨修整(B) 沖頭放電修整(C)下模板研磨修整(D)下模板放電修整。
3 1 . 銑 削 工 作 粗 胚 面 , 通常採用逆(上)銑法,其主要優點是 (A)增加刀具壽命(B) 切屑較厚 (C)表面粗 糙度較佳 (D)工件變形較少。
3 2 . 高 速 鋼 淬 火後施以高溫回火後,其硬度增高主要原因是 (A)含碳量高(B)回火二次硬化 (C)增加殘 留沃斯田鐵(D)碳化物粗大。
3 3 . 能 改 善 鋼 料 表 層 之 耐磨耗性,而內部仍具有強韌性的熱處理方法為(A)滲碳法(B)正常化(C)調 質 處 理(D)油淬法。
3 4 . 送 料 機 開 始 送 料 的 時機,沖床曲柄軸的位置(行程時鐘)約在(A) 3(B)6(C)9 (D)12 點鐘位置。
3 5 . 把 平 的 胚 料 沖 製 成 空 心 杯 形 的零件,或者把空心杯形零件進一步 改變它的形狀和尺寸,這類 模具稱為 (A)條邊模具(B)引伸模具(C)沖剪模具(D) 連續模具。
3 6 . 在 車 床 上 切 削 直 徑 4 5 m m 之 工 件 , 切 削 速 度 4 0 m / m i n 時 , 主 軸 轉 速 為 (A) 1800 rpm (B)358 rp m(C)353 rpm (D)283 rpm。
3 7 . 沖 床 維 修 後 重 新 組 裝應注意的項目中,下列何者不正確?(A)傳動機構之上下間隙(B) 滑塊與模 柄孔垂直度(C)床台與模柄孔平行度(D) 滑塊上下運動與床台垂直度。
3 8 . 雕 刻 深 度 相等的刻字,其筆劃大小受何種因素影響?(A) 刀桿直徑 (B)刀桿直徑研磨剖切一半的 偏心度(C) 圓錐角度 (D)間隙角。
3 9 . 圓 管 之 剪 切 作 業 , 下 列 敘 述 何 者 為 非 ? (A)心鐵剪斷法(B) 二重剪斷法(C)鋸切法(D)精密下料法。
4 0 . 下 列 何 者 不 是 常 添 加 於 放 電 加 工 液 中 之 粉 末 ? (A)石墨粉 (B)矽 粉(C) 石灰粉(D) 鋁粉。
4 1 . 工 具 磨 床 上 研 磨 端 銑 刀 的 砂 輪 形 狀 為 (A)環 形(B) 斜盆形(C) 平直形(D) 深碟形。
4 2 . 沖 床 的 沖 程 長 度 所 指 的 是 (A) 沖床的總高度(B)沖床床台的總長度(C) 沖床滑塊運動的總長度(D)沖 床床台上下的總高度。
4 3 . 採 多 列 料 條 佈 置 的 模 具 , 其 主 要 目 的 為 (A)提高沖頭使用壽命(B)提高料帶使用率(C)減少模具費 用(D)增加模具強度。
4 4 . 在 一 連 續 模 具 中 , 背 板 ( 墊 板 ) 不 應 該 安 裝 於 (A)下模刃口上方(B) 下模座上方(C)活動脫料板上方 (D)沖頭固定板上方。
4 5 . 依 法 令 規 定,勞 工 作業任何時間皆不可暴露於超過幾分貝之連續性噪音? (A)115db (B)120db (C)130db (D)140db。
4 6 . 沖 床 滑 塊 每分鐘上下往復運動的次數,稱為沖床的(A)沖程長度(B) 沖程數(C) 沖程調整數(D)滑 塊 調整量。
4 7 . 下 列 何 者 不 是 手 動 沖 床 常 見 的 種 類 ? (A)偏心式 (B)曲柄式 (C)螺旋式 (D)蝸桿式。
4 8 . 下 列 何 者 不 是 造 成 引 導 沖 頭 產 生 拉 料 之 原 因 ? (A)引導沖頭變形(B) 沖頭磨損 (C)料帶變形(D)導 引 孔太大。
4 9 . 單 一 工 件 □ 4 0 0 m m × 3 0 m m 厚,在旋臂鑽床上鑽 ψ40mm 貫穿,宜選用下列何者夾持方式? (A)工件大直接置放於床台上鑽削(B)用虎鉗夾持工件直接置放於床台上鑽削 (C)用虎鉗夾持工件 再用壓板固定於床台上鑽削 (D)直接用壓板固定於床台上鑽削。
5 0 . 綜 合 切 削 加 工 機 操 作 完 後 , 宜 (A)當 日 (B)每 週(C) 每 月(D)每年 進行清潔,並將床台歸定位。
5 1 . 以 電 腦 輔 助 繪 圖 軟 體 作 圖,依 據 C N S 建 議,用 來 標 註 尺 度 的 顏 色 為 (A)綠 色(B)紅 色 (C)黃 色 (D) 青 色。
5 2 . 欲 獲 得 較 佳 切 削 表 面 , 碳 化 鎢 刀 具 宜 選 擇 (A)較大刀鼻半徑(B)較大進給(C)較低切削速度(D)較 大 切削深度。
5 3 . 選 用 合 適 的 砂 輪 粗 磨 削 平 面 時,橫向(前後)進給約為砂輪寬度的 (A)3/4~1 倍 (B)1/2~3/4 倍 (C)1/2~1/4 倍 (D)1/8~1/10 倍。
5 4 . 同 材 質 材 料 , 經 彎 形加工後,其最小彎曲半徑變大,主要原因為 (A)正常化 (B)退 火(C) 應力集中 (D)加工硬化。
5 5 . 延 展 性 愈 佳的材料,進行彎形加工時,其最小彎曲半徑 (A)愈 大(B) 愈 小(C)不 變(D)不一定。
5 6 . 在 沖 孔 模 具 中 , 沖 頭作成雙剪斜角,則成品為沖孔工件會是(A)凹 狀(B)平 面 (C)凸 狀(D) 不規則形 狀。
5 7 . 沖 孔 作 業 , 沖 屑 堵 塞 之 原 因 要 如 何 克 服 ? (A)縮小沖頭尺寸(B)暢通及加大排屑角(C)加大模孔(D) 磨亮沖頭。
5 8 . 複 合 模 具 的 沖 孔 工 程中,下列何者與下模孔排削不良的原因無關?(A)沖頭或下模刃口磨耗鈍 化(B)下模孔沒有角間隙(C)沖頭沒有剪斜角(D)下模孔直壁太長。
5 9 . 抽 樣 檢 驗 7 件 試 片 之 材 料 強 度 , 分 別 為 6 3 . 5 M P a ( 1 件 ) 、 6 6 . 5 M P a ( 2 件 ) 、 6 9 . 5 M P a ( 3 件 ) 、 72.5MPa(1 件),則其平均值約為 (A)64.51 MPa (B)67.51 MPa (C)68.21 MPa (D)69.21 MPa。
6 0 . 何 種 電 極 材 料 在 水 中實施線切割放電加工時,會促使母材軟化? (A)黃 銅(B) 鋁(C)石 墨 (D)鈉。
6 1 . 放 電 加 工 的 過 程 當 中 , 經 由 電極跳躍產生何種作用,來達到排除熔渣的功能? (A)渦流原理(B) 泵浦作用 (C)架橋作用(D)過切現象。
6 2 . 下 列 何 者 不 是 檢 查 沖 壓 模 具 的 目 的 ? (A)滿足成品的品質 (B)檢測工程師的程度(C)能安全完成沖 壓作業程序(D)使模具的安裝及操作容易。
6 3 . 綜 合 切 削 加 工 機 於 開 機 後 執 行機械原點復歸時,下列執行步驟何者較安全?(A)依照 X、Y、Z 軸順序執行原點復歸(B)先 X、Y 軸,再依 Z 軸順序執行原點復歸 (C)依照 Z、Y、X 軸順序執行 原點復歸 (D)先 Z 軸,再 X、Y 軸同時執行原點復歸。
6 4 . 磨 削 如 下 圖 所 示 之 外 形 六 面 體,A:右視面,B:左視面,C:俯視面 ,D:仰視面,E:前視面,F: 後視面,若選定第 1、2 順序為 A、B 二面,依 序用精密虎鉗夾持研磨,最佳第 3、4 順序面 為
(A)C、D (B)E、F (C)F、C (D) E、D。
6 5 . 平 面 雕 刻 機 之 規 格 最 大 縮 放 比 1 :10(即工件和模型之比),下列工件和模型之縮放比何者 有誤?(A) 2:1(B)1:2 (C)1:4(D)1:8。
6 6 . 沖 剪 過 程 中,下列何者與沖壓製品厚度較無關連?(A)沖模間隙(B) 角間隙大小(C)沖剪力(D)沖 剪 嚙入率。
6 7 . 處 於 自 由 競 爭 市 場 ,企業落實職業道德帶來的立即性影響為(A)決策明快(B) 提高競爭力(C)經 營 民主化(D) 訂單流失。
6 8 . V 形 彎 形 加 工 中 , 欲 獲 得 9 0 ° 彎 曲 角 度 , 則 進 行 彎 曲 加 工 時 , 其 沖 頭 角 度 應 (A)大於 90°(B)小 於90° (C)等於 90°(D) 依彎曲次數而定。
6 9 . 雞 加 兔 共 5 5 隻 , 合 計 共 有 1 6 0 隻 腳 , 則 兔 有 (A) 10 隻 (B)15 隻(C) 20 隻(D)25 隻。
7 0 . 引 伸 沖 壓 加 工 中 , 可 能 產 生 杯 底 角 隅 破 裂 原 因 是 (A)沖頭與下模間隙太大(B) 沖頭肩半徑太小(C) 下模肩圓弧太大(D) 潤滑油太多。
7 1 . 磨 床 研 磨 液 對 於 加 工 之 影 響 , 下 列 何 者 不 正 確 ? (A)造成結合劑劣化減少砂輪壽命(B) 具有冷卻 作 用(C)砂輪表面洗淨作用(D) 研磨量可增大。
7 2 . 立 式 帶 鋸 機 如 要 鋸 直 線 時 , 宜 選 用 鋸 條 寬 度 為 (A)3mm(B) 6mm(C)8mm (D)10mm。
7 3 . 元 件 符 號
,係指(A) 雙向定排量油壓馬達(B)雙向定排量油壓泵(C)雙向可變排量油壓馬達 (D) 雙向可變排量油壓泵。
7 4 . 設 計 尺 寸 時 , 只 給 予一個上偏差值或下偏差值的公差稱為(A)單向公差(B)雙向公差(C) 通用公差 (D)位置公差。
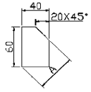
7 5 . 磨 削 完 成 下 圖 所 示 之 工 件 尺 寸,則 A 尺 寸 測 量 值 應 為
(A) 54.14mm (B)56.56mm (C)58.14mm (D)60.12mm。
7 6 . 砂 輪 規 格 為 1 - A - W A - 4 6 - K - 8 - V , 依 砂 輪 標 示 法 " 1 " 表 示 (A)粒 度 (B)結合度 (C)形 狀(D) 緣形。
7 7 . 下 列 何 者 對 線 切 割 放電加工機本身的加工精度影響較小?(A)冷卻液供給速度(B)防塵裝置(C)濕 度控制(D) 溫度控制。
7 8 . 進 行 連 續 沖 壓 加 工 時 , 不 須 注 意 (A)沖床寬度(B) 進料長度 (C)沖程長度(D)沖壓速度。
7 9 . 一 般 精 密 高 度 規 可 達 的 量 測 精 度 是 (A) 1/20 ㎜(B) 1/50 ㎜(C) 1/100 ㎜ (D)1/1000 ㎜。
8 0 . 圓 筒 引 伸 模具試模後,成品材料厚度變化最小之部位為 (A)圓筒底面(B)圓筒底面與側面轉彎處 (C)圓筒側面(D)圓筒外緣處。
申論題 (0)
相關試卷
115年 - 18401 模具-沖壓模具項 乙級 工作項目 08:檢查與機具維護 51-114(2026/01/05 更新)#136182
115年 · #136182
115年 - 18401 模具-沖壓模具項 乙級 工作項目 08:檢查與機具維護 1-50(2026/01/05 更新)#136181
115年 · #136181
115年 - 18401 模具-沖壓模具項 乙級 工作項目 07:製作簡易引伸模具、製作簡易複合模具與模具之試模及修整 51-96(2026/01/05 更新)#136180
115年 · #136180
115年 - 18401 模具-沖壓模具項 乙級 工作項目 07:製作簡易引伸模具、製作簡易複合模具與模具之試模及修整 1-50(2026/01/05 更新)#136179
115年 · #136179
115年 - 18401 模具-沖壓模具項 乙級 工作項目 06:製作彎形模具與製作簡易連續模具 51-106(2026/01/05 更新)#136178
115年 · #136178
115年 - 18401 模具-沖壓模具項 乙級 工作項目 06:製作彎形模具與製作簡易連續模具 1-50(2026/01/05 更新)#136177
115年 · #136177
115年 - 18401 模具-沖壓模具項 乙級 工作項目 05:製作剪切模具與製作下料模具 51-85(2026/01/05 更新)#136176
115年 · #136176
115年 - 18401 模具-沖壓模具項 乙級 工作項目 05:製作剪切模具與製作下料模具 1-50(2026/01/05 更新)#136175
115年 · #136175
115年 - 18401 模具-沖壓模具項 乙級 工作項目 04:刀具選用及研磨 51-75(2026/01/05 更新)#136174
115年 · #136174
115年 - 18401 模具-沖壓模具項 乙級 工作項目 04:刀具選用及研磨 1-50(2026/01/05 更新)#136173
115年 · #136173