阿摩線上測驗
登入
首頁
>
電工機械(概要、大意)
> 100年 - 100年關務四等電工機械概要#46260
100年 - 100年關務四等電工機械概要#46260
科目:
電工機械(概要、大意) |
年份:
100年 |
選擇題數:
0 |
申論題數:
4
試卷資訊
所屬科目:
電工機械(概要、大意)
選擇題 (0)
申論題 (4)
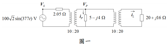
一、如果圖一所示電路中的兩個變壓器均可假設為理想,且其各自的線圈匝數比如圖中 V i 所標示,試問該電路中的電壓比例
各為多少?(25 分)
二、若某三相六極 2 hp,220 V,60 Hz 之感應電動機的機械轉動損失可以忽略,則在輸 入額定電源,且在其轉子並未外加任何機械負載的前提下,其轉差(slip)的理想值 為多少%?而此時其轉子的機械速度又為每分鐘多少轉(rpm)?若此時在不改變輸 入電源的情況下,逐步地增加其機械負載至 8.0 N.m,且使得轉子旋轉於轉差為 5% 的穩定速度,請問此時電動機的輸出機械功率為多少 W?(25 分)
三、一台 120 V 之直流並激式電動機的並激場總電阻為 800 Ω,而在無載時其輸入的總 電流為 0.2 A,且此時的轉子機械轉速為 1000 rpm;但當在相同的電壓輸入並提供滿 載之 3 A 電流輸入時,其轉子的機械轉速則降為 995 rpm,請問此直流並激式電動機 之電樞等效電阻為多少 Ω?(25 分)
四、在圖二所示的三相電路中,試求圖中所標示的「線路」區之總實功損耗為多少 W? (25 分)
相關試卷
115年 - 115-1 臺北市立大安高工教師甄選試題_控制科:電工機械#138443
115年 · #138443
115年 - 115 國營臺灣鐵路股份有限公司_從業人員甄試試題_第10階-助理技術員-電力 第10階-助理技術員-電力(臨軌施工) 第10階-助理技術員-電務 第10階-助理技術員-電務(產學合作) 第10階-助理技術員-電務(臨軌施工):電工機械概要#138253
115年 · #138253
114年 - 114 台灣糖業股份有限公司_新進工員甄試_電機:電工機械#137618
114年 · #137618
114年 - 114 地方政府公務特種考試_四等_電力工程:電工機械概要#134752
114年 · #134752
114年 - 114 普通考試_電力工程:電工機械概要#128780
114年 · #128780
114年 - 114 關務特種考試_四等_電機工程(選試英文):電工機械概要#126594
114年 · #126594
113年 - 113-2 國營臺灣鐵路股份有限公司_從業人員甄試試題_第10階-助理技術員-電務 第10階-助理技術員-電力:電工機械概要#137202
113年 · #137202
113年 - 113-2 國營臺灣鐵路股份有限公司_從業人員甄試試題_第9階-技術員-電機 第9階-技術員-機械 第10階-助理技術員-電機:電機機械概要#137199
113年 · #137199
113年 - 113 地方政府公務特種考試_四等_電力工程:電工機械概要#124460
113年 · #124460
113年 - 113 普通考試_電力工程:電工機械概要#121150
113年 · #121150