阿摩線上測驗
登入
首頁
>
電機機械
> 100年 - 100年專門職業及技術人員高等建築師、技師、第2次食品技師暨普通不動產經紀人、記帳士考高等_冷凍空調工程技師#39424
100年 - 100年專門職業及技術人員高等建築師、技師、第2次食品技師暨普通不動產經紀人、記帳士考高等_冷凍空調工程技師#39424
科目:
電機機械 |
年份:
100年 |
選擇題數:
0 |
申論題數:
5
試卷資訊
所屬科目:
電機機械
選擇題 (0)
申論題 (5)
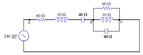
【已刪除】一、如下圖所示,求出 ac 間的視在功率(S)、平均功率(P)、無效功率(Q)與相量圖。(20 分)
【已刪除】二、如下圖所示,當開關 S 原處於位置 1 時,施加電壓源 v = 6 cos 800t V 到此包含一個 R = 50 Ω 與 L = 30 mH 的串聯電路,今將開關 S 轉到位置 2,並改施加直流 電源 V = 5 V,請求出此電路在開關變換前後的電流 i(t)。(20 分)
三、請分別簡述可使用於鼠籠型三相感應電動機之全壓啟動法與 Y-Δ降壓啟動法,及 其分別使用之時機。(20 分)
四、現以第三題之 Y-Δ降壓啟動法啟動一 60 Hz、110 V、12 kW 與 50 A 之三相四極電動 機,其全壓啟動電流與轉矩分別為額定電流與轉矩的 400%與 125%,啟動時其啟動 電流與啟動轉矩經量測後分別為 100 A 與 30 N-m,請求出其額定轉速與轉差率。 (20 分)
五、某 2400/120 V、5 kVA 之單相變壓器,其滿載之銅損為 100 Watt,鐵損為 60 Watt,以 高壓側為準之等值電阻為 1.0 Ω,此變壓器一天中在相同功率因數下滿載使用 12 小 時,半載使用 6 小時,無載使用 6 小時,滿載效率為 96%,請求出其功率因數與全 日效率。(20 分)
相關試卷
115年 - 115 關務特種考試_三等_電機工程(選試英文):電機機械#138915
115年 · #138915
114年 - 114 地方政府公務特種考試_三等_電力工程:電機機械#134760
114年 · #134760
114年 - 114 專技高考_電機工程技師:電機機械#133717
114年 · #133717
114年 - 114 關務升官等考試、交通事業郵政升資考試_薦任、員級晉高員級_電力工程、技術類(選試電機機械)—關務、郵政:電機機械#133262
114年 · #133262
114年 - 114 交通事業郵政升資考試_佐級晉員級_技術類(選試電機機械概要)—郵政:電機機械概要#133211
114年 · #133211
114年 - 114 高等考試_二級_電力工程:電機機械#131612
114年 · #131612
114年 - 114 高等考試_三級_電力工程:電機機械#128777
114年 · #128777
114年 - 114 關務特種考試_三等_電機工程(選試英文):電機機械#126668
114年 · #126668
113年 - 113-2 國營臺灣鐵路股份有限公司_從業人員甄試_第8階-助理工程師-機械 第8階-助理工程師-電機:電機機械#137140
113年 · #137140
113年 - 113 地方政府公務特種考試_三等_電力工程:電機機械#124526
113年 · #124526