阿摩線上測驗
登入
首頁
>
A.電工原理、B.電機機械
> 101年 - 101 台灣中油股份有限公司_雇用人員甄選_電氣類:電工原理、電機機械#38204
101年 - 101 台灣中油股份有限公司_雇用人員甄選_電氣類:電工原理、電機機械#38204
科目:
A.電工原理、B.電機機械 |
年份:
101年 |
選擇題數:
65 |
申論題數:
0
試卷資訊
所屬科目:
A.電工原理、B.電機機械
選擇題 (65)
1.有一 150 V 之直流電壓表,其內阻為 18 KΩ,今若串聯一 54 KΩ 電阻,則量度範圍將可擴大到: (A)300 V (B)450 V (C)600 V (D)750 V
2. 100 歐姆電阻器,通過 2 安培電流 1 分鐘,則產生的熱量 H 為: (A)96卡 (B)400卡 (C)5760卡 (D)24000卡
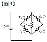
3.如【圖 3】所示,通過 2KΩ 電阻的電流為:
(A)0 (B)3 mA (C)6 mA (D)12 mA
4.如【圖 4】所示,電流源與電壓源之轉換,E 的大小為:
(A)3 V (B)6 V (C)12 V (D)18 V
5.將一 3 庫倫電荷置於電場中的某一點,受到 18 牛頓的作用力,則電荷在該點的電場強度為何 ? (A) 4 牛頓/庫倫 (B)6 牛頓/庫倫 (C) 18 牛頓/庫倫 (D)54 牛頓/庫倫
6.如【圖 6】所示,導體的運動方向為何?
(A)向上 (B)向下 (C)向左 (D)向右
7.有一線圈的自感量為 0.5 亨利,若通過了 4 安培的電流,則線圈所儲存的能量為多少焦耳 ? (A)2 (B)4 (C) 16 (D)20
8.如【圖 8】所示電路中,開關閉合前,電容器沒有儲存能量,在開關 S 閉合後的瞬間,電流 I 為多少安培 ?
(A) 0 (B)3 (C) 5 (D)10
9. 將 4 庫倫正電荷由 B 點移至 A 點,作功 60 焦耳,若 A 點對地電位為 30 伏特,則 B 點對地為多少伏特 ? (A) 15 (B)30 (C) 45 (D)60
10.平衡三相 Y 接電源,相序為正相 序(a-b-c),若線路電壓
,則: (A)
(B)
(C)
(D)
11.小明家客廳有六顆 100 瓦的電燈泡,如果這六顆電燈泡每天點亮 8 小時,每月點 30 天,假設每度(千瓦.小 時)電費為 5 元,請問使用此六顆電燈泡,每月須繳多少電費 ? (A)600元 (B) 720元 (C)900元 (D) 1,200元
12.一般而言,當溫度升高時,大部分的金屬其電阻值將: (A)不變 (B)減少 (C)增加 (D)不確定
13.有一電熱器之額定為 100 V/1250 W,則其等效電阻為多少歐姆 ? (A) 16 (B)12.5 (C) 8 (D)2.5
14.額定為 200 V/2000 W 之均勻電熱線,平均剪成 3 段後再並接於 50 V 的電源,則其總消耗功率為何 ? (A)667 W (B)875 W (C) 1125 W (D)1350 W
15.將一電容器加上 12 伏特電源,儲存了 6× 10
−4
庫倫的電荷,則此電容器之電容量為: (A) 20 微法拉 (B)40 微法拉 (C) 50 微法拉 (D)72 微法拉
16.下列何者不是磁通Φ的單位 ? (A)線 (B)馬克斯威 (C)高斯(Gauss) (D)韋伯(Wb)
17.一理想電流源,其內阻應該為: (A)零 (B)無限大 (C)隨負載電阻而定 (D)任意值
18.一陶瓷電容器標示 103 M,則其電容器為: (A) 0.01 µF±20% (B)0.01 µF±10% (C) 0.1 µF±20% (D)1.03 µF
19.有兩個交流訊號分別為 v(t)=60sin(377t+30°) V 和 i(t)=40sin(377t-10°) A,此兩個交流訊號的相位關係為何 ? (A)v領先i 20° (B)v滯後 i 20° (C)v 領先i 40° (D)v滯後 i 40°
20. R - C 串聯電路中,若 R =400 kΩ,C =0.5 µF,則時間常數 τ 為何 ? (A)5秒 (B)0.5秒 (C) 0.2秒 (D)0.02秒
21.下列何者指出感應電動勢之極性總是在抵抗磁通量的變化 ? (A)佛萊明右手定則 (B)安培右手定則 (C)法拉第定律 (D)楞次定律
22.有關直流發電機感應電勢之敘述,下列何者正確 ? (A)與導體並聯路徑數成正比 (B)與極數成反比 (C)與每極磁通量成反比 (D)與轉速成正比
23.某直流電動機轉速為 200 弳度/秒,輸出功率為 1200 瓦特,其輸出轉矩為多少牛頓-米? (A) 1400 牛頓-米 (B)240 牛頓-米 (C)6 牛頓-米 (D) 0.17 牛頓-米
【2】24.某直流電動機若電樞電流增為原來的 1.8 倍,且磁通量減為原來的一半,則轉矩變成原來的多少倍 ? (A)0.5倍 (B) 0.9倍 (C) 1倍 (D) 1.8倍
25.直流電動機使用起動電阻的主要目的為何 ? (A)限制起動電流 (B)增加起動轉矩 (C)提昇功率 (D)提昇效率
26.某三相感應電動機之內生機械功率為 3800 W,轉差率為 5 %,則其轉子輸入功率為何 ? (A) 4000 W (B) 3610 W (C) 2000 W (D)190 W
27.某單相變壓器無載時一次側應電勢為 200 V,鐵損為 40 W,功率因數為 0.2,其鐵損電流為何 ? (A) 20 A (B) 10 A (C) 1 A (D) 0.2 A
28.下列何者無法由變壓器開路試驗測出 ? (A)激磁電導 (B)激磁電納 (C)無載功率因數 (D)等效阻抗
29.某變壓器滿載銅損為 24 W,則半載銅損為何 ? (A) 24 W (B) 12 W (C) 6 W (D) 3 W
30.三相 4 極 60 Hz 感應電動機,其轉差率為 5%,則轉子電流頻率為何 ? (A) 120 Hz (B) 60 Hz (C) 30 Hz (D) 3 Hz
31.下列何者為磁場強度的單位 ? (A) Newton(牛頓, N)(B)Farad(法拉, F) (C)Coulomb(庫倫, C) (D)Oersted(奧斯特, Oe)
32.若磁路中的磁阻(reluctance)固定且不計線圈漏磁現象,則電感與線圈匝數的關係為下列何者 ? (A)成正比 (B)成反比 (C)成平方正比 (D)成平方反比
33.在變壓器方面, I
1
表示一次側電流, I
2
表示二次側電流, N
1
表示一次側匝數, N
2
表示二次側匝數,下列何者 正確 ?
(A)
(B)
(C)
(D)
34.他激式直流發電機,若磁場電流維持固定,則無載端電壓與轉速的關係為下列何者 ? (A)成平方正比 (B)成平方反比 (C)成正比 (D)成反比
35.下列何種電機需要換向片及電刷結構 ? (A)直流電動機 (B)感應電動機 (C)同步電動機 (D)磁阻電動機
36.欲防止同步電動機的追逐現象(hunting),可在轉子加入下列何者 ? (A)激磁繞組 (B)阻尼繞組 (C)補償繞組 (D)運轉繞組
37.變壓器的鐵心損失主要含有磁滯損及下列何者 ? (A)渦流損 (B)摩擦損 (C)銅損 (D)風阻損
38.將機械能量轉換為電能的電機為下列何者 ? (A)發電機 (B)電動機 (C)變壓器 (D)變頻器
39.以三個單相變壓器接成三相 Y-Y 接線,下列敘述何者正確? (A)線電壓等於相電壓 (B)線電壓等於3 倍相電流 (C)線電壓等於 √3 倍相電壓 (D)線電流等於 √3 倍相電流
40.三相感應電動機為 ∆ 接線,在額定電壓起動其起動電流為 120 安培,若改為 Y 接線,則起動電流為多少安培? (A) 360(B)120 (C) 40 (D) 30
第二部分:【第 41-65 題,每題 2 分,共計 25 題,佔 50 分】
41.有一台 3 馬力的電動機,若已知其損失為 250 瓦特,則此電動機之輸入功率為多少瓦特? (A) 2238(B)2488 (C) 1988(D)750
42.三只電阻器的色碼分別為:甲:黃紫紅金;乙:綠藍金金;丙:棕黑棕金,則三者的電阻值大小為: (A)甲>乙>丙(B)乙>甲>丙(C)甲>丙>乙(D)丙>乙>甲
43.如【圖 43】所示 ∆-Y 互換,圖中 R
a
之電阻值應為:
(A) 0.6 Ω(B)1 Ω (C)1.5 Ω (D)5 Ω
44.交流 RLC 串聯電路,若電感抗 X
L
大於電容抗 X
C
,則此電路的性質為: (A)電阻性(B)電感性(C)電容性(D)純電容
45.有一捲規格為 2 mm
2
配線用的導線,長度 100 公尺,材料為標準韌銅(電阻係數 1.724×10
-8
Ω-m),則此導線之 電阻值為: (A)0.862Ω (B) 1.724 Ω (C) 8.62 Ω (D)17.24 Ω
46.電池有內電阻,將 4 個相同的電池串聯,其最大輸出功率為 20 W,若將電池改為並聯,則最大輸出功率為何? (A)5 W(B)20 W (C)40 W (D)80 W
47.如【圖 47】所示電路中,若要使電阻 R 得到最大功率,則其值為:
(A)2 Ω (B)3 Ω (C)4 Ω (D)7 Ω
48.如【圖 48】所示,流經 6Ω 電阻之電流為:
(A) 2 A(B) 3 A (C)4 A (D)6 A
49.某電感性負載消耗之平均功率為 1600 W,負載之功率因數為 0.8,則虛功率為多少? (A) 800 KVAR(B)1200 KVAR (C)1600 KVAR (D) 2000 KVAR
50.如【圖 50】所示,電路供給之平均功率為多少瓦特?
(A)800 (B)1400 (C)2000 (D)2400
51.如【圖 51】所示之直流電路,請問其中 12 V 電源供給之電功率 P 為多少?
(A) 180 W(B)168 W (C)156 W (D) 144 W
52.有甲、乙兩個燈,額定電壓均是 110 V,甲燈泡額定功率 100 W,乙燈泡額定功率 10 W,今將兩燈泡串聯後, 接在 220 V 的電源上,則下列何者情況最可能發生? (A)甲燈泡先燒壞(B)乙燈泡先燒壞 (C)甲、乙兩燈泡同時燒壞(D)甲、乙兩燈泡可正常使用,都不會燒壞
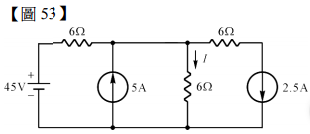
53.如【圖 53】所示之電路,電流 I 為何?
(A)1.5 A(B)3 A(C)5 A (D)6 A
54.長 50 公分且載有 10 A 電流之導線,置於磁通密度為 0.2 韋伯/平方公尺之磁場中,若導線和磁力線互相垂直, 則導線所受之電磁力為何?(A) 1 牛頓 (B)2 牛頓 (C) 20 牛頓 (D)100 牛頓
55.直流電動機電樞繞組中的均壓線用途為何? (A)增加電樞電壓(B)增加電樞電流(C)改善換向(D)增加繞組環流
56.下列何種材質的相對導磁係數最高? (A)銅(B)金(C)銀(D)鐵
57.某 3 馬力、100 V 之直流電動機,滿載時輸入電流為 30 A,則電動機之效率為何? (A)68.2 % (B)74.6 % (C) 84.5 % (D)90.2 %
58.某單相變壓器一次側額定電壓及電流分別為 2000 V 及 20 A,等效阻抗為 3 Ω,其百分阻抗 Z%為何? (A) 100% (B)10% (C)3% (D)1%
59.某單相變壓器一、二次匝數比為 2,一次側電壓為 200 V,滿載時二次側電壓為 90 V,其電壓調整率約為何? (A) 15%(B)11% (C) 5% (D)1%
60.某鐵損為 5 W 之變壓器,於輸出 100 W 時效率最高,則其最高效率約為何? (A)95 % (B)91 % (C)86 % (D) 82 %
61.有關三相感應電動機電磁轉矩之敘述,下列何者正確? (A)與外加電壓成反比(B)與外加電壓成正比(C)與轉差率成正比(D)與轉差率成反比
62.三相同步發電機電樞電流為純電感性時,其電樞反應的影響為何? (A)去磁效應(B)加磁效應(C)正交磁效應(D)加磁及去磁效應都有
63.功率因數滯後之三相同步電動機,若將激磁電流逐漸增大,則其電樞電流將如何? (A)逐漸增大(B)逐漸減小(C)先減小後再增大(D)先增大後再減小
64.變壓器運轉的最佳效率,發生於: (A)鐵心損等於 2 倍銅損 (B)鐵心損等於 1/2 倍的銅損 (C)鐵心損等於 1/3 倍的銅損 (D)鐵心損等於銅損
65.某線圈的匝數為 20 匝,並與時變的磁通f = 0.05 sin 314t (韋伯)相耦合,此線圈感應電壓的最大值為多少伏 特? (A) 314(B)31.4 (C)3.14 (D) 0.314
申論題 (0)
相關試卷
113年 - 113 台灣中油股份有限公司_僱用人員甄試_電氣類、電機類:電機機械#123203
113年 · #123203
113年 - 113 台灣中油股份有限公司_僱用人員甄試試題_電氣類、電機類:電工原理#123156
113年 · #123156
111年 - 111 台灣中油股份有限公司_僱用人員甄試試題_電氣類、電機類:電工原理、電機機械#113765
111年 · #113765
110年 - 110 台灣中油股份有限公司_僱用人員甄試試題_電氣類、電機類:電工原理、電機機械#110378
110年 · #110378
109年 - 109 台灣中油股份有限公司_雇用人員甄選_電氣類、電機類:電工原理、電機機械#113535
109年 · #113535
108年 - 108 台灣中油股份有限公司雇用人員甄試_電氣類(含睦鄰、離島偏遠)、電機類(含睦鄰、離島偏遠):電工原理、電機機械#80972
108年 · #80972
107年 - 107 台灣中油股份有限公司雇用人員甄試_電氣類(含睦鄰)、電機類:電工原理、電機機械#73307
107年 · #73307
107年 - 台灣菸酒招考-電工原理#68566
107年 · #68566
106年 - 106 台灣中油股份有限公司_僱用人員甄選_電氣類(含睦鄰)、電機類:電工原理、電機機械#67305
106年 · #67305
105年 - 105 台灣中油股份有限公司_雇用人員甄選_電氣類、電機類、睦鄰-電氣類:A.電工原理、B.電機機械#72572
105年 · #72572