阿摩線上測驗
登入
首頁
>
機械設計
> 101年 - 101 專利商標審查特種考試_三等_機械工程:機械設計學#33820
101年 - 101 專利商標審查特種考試_三等_機械工程:機械設計學#33820
科目:
機械設計 |
年份:
101年 |
選擇題數:
0 |
申論題數:
7
試卷資訊
所屬科目:
機械設計
選擇題 (0)
申論題 (7)
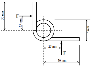
【已刪除】一、下圖所示為一扭力彈簧(Torsion Spring),該彈簧是由直徑 1.80 mm的琴鋼線 (Music Wire)製成,總共有 4.25 圈。該彈簧的降伏強度S
y
= 1537 MPa,彈性模數 (Modulus of Elasticity)E = 207 GPa,剛性模數(Modulus of Rigidity)G = 79.3 GPa; 應力集中係數
。請計算該彈簧所能承受的最大負荷F為 何?(下圖僅為示意,尺寸大小未按比例。)(25 分)
⑴請推導旋轉軸切線方向摩擦力的公式。
⑵請推導旋轉軸因油膜 摩擦力造成功率損耗的公式。摩擦力的公式(5 分)。
【已刪除】三、下圖所示為液動軸承之摩擦係數與運轉特性之關係,若將該曲線分成三個區域,即 AB、BC、CD;請說明該三個區域的潤滑特性。(10 分)
【已刪除】四、下圖所示為厚度 50 mm之板承受變動拉力由 360 kN至 45 kN,板使用材料之S
y
= 410 MPa,S
e
= 220 MPa,S
u
= 635 MPa。斷面變化處之應力集中因數為K
f
= 1.50,安全係數為 1.2,試求板所需之寬度d。請利用修正古德曼(Modified Goodman)準則。(25 分)
⑴軸中央底部 A 處之應力?(15 分)
⑵距軸右端支 撐 50 mm 處,水平側面 B 處之應力?(10 分)
相關試卷
115年 - 115 身心障礙特種考試_四等_機械工程:機械設計概要#138890
115年 · #138890
115年 - 115 身心障礙特種考試_三等_機械工程:機械設計#138882
115年 · #138882
114年 - 114 地方政府公務特種考試_三等_機械工程:機械設計#134728
114年 · #134728
114年 - 114 地方政府公務特種考試_四等_機械工程:機械設計概要#134719
114年 · #134719
114年 - 114 公務、關務升官等考試_薦任_機械工程、技術類(選試機械設計)-關務:機械設計#133265
114年 · #133265
114年 - 114 交通事業港務升資考試_員級晉高員級_技術類(選試機械設計)-港務:機械設計#133244
114年 · #133244
114年 - 114 高等考試_二級_機械工程:機械設計學#131583
114年 · #131583
114年 - 114 原住民族特種考試_四等_機械工程:機械設計概要#130917
114年 · #130917
114年 - 114 高等考試_三級_機械工程:機械設計#128741
114年 · #128741
114年 - 114 普通考試_機械工程:機械設計概要#128447
114年 · #128447