阿摩線上測驗
登入
首頁
>
電工機械(概要、大意)
> 102年 - 102年交通事業鐵路人員員級電工機械概要#44465
102年 - 102年交通事業鐵路人員員級電工機械概要#44465
科目:
電工機械(概要、大意) |
年份:
102年 |
選擇題數:
0 |
申論題數:
6
試卷資訊
所屬科目:
電工機械(概要、大意)
選擇題 (0)
申論題 (6)
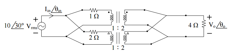
【已刪除】一、如圖所示弦波交流穩態電路,其中兩個理想變壓器匝數比均為 1 比 2,且輸入側及 輸出側繞組均聯接成並聯形式以提供足夠大的負載電流;試求該電路中之輸入電流
及輸出電壓
。(25 分)
二、有一台額定為 35 kW,130 V 之它激式直流電機運轉於固定 3000 轉/分轉速及固定 的激磁場電流。若已知該機之電樞電阻為 0.02 Ω 及該運轉情況下開路端電壓為 130 V,假設忽略磁飽和、摩擦、風阻等影響⑴試求當該機端電壓為 135 V 時之電 樞電流 I
a
及其電磁轉矩 T
m
;(18 分)
⑵請問該電機此時是運轉於電動機模式或是 發電機模式?並說明其理由。(7 分)
三、有一台三相四極額定 15 kV,25 MVA,60 Hz 之同步發電機,⑴當其以額定電壓、 頻率供電額定負載時,其轉子之轉速為每分鐘多少轉?(10 分)
⑵當其三相短路電 流達額定電樞電流時,測得其損失為 55 kW,假設忽略其摩擦、風阻及磁滯損失等, 試求該發電機額定電樞電流 I
a
及每相電樞電阻 R
a
。(15 分)
四、已知一台三相四極額定為 460 V,60 Hz 之感應電動機,其每相電樞電阻為 0.05 Ω, 且當其以穩態轉速 1750 轉/分運轉時之輸入實功率與線電流依序分別為 48 kW 及 78 A;假設忽略摩擦、風阻及鐵心損失等,試求該機在此運轉情況下之轉差率 S 及轉子繞組電阻消耗之功率 P
R2
。(25 分)
相關試卷
115年 - 115-1 臺北市立大安高工教師甄選試題_控制科:電工機械#138443
115年 · #138443
115年 - 115 國營臺灣鐵路股份有限公司_從業人員甄試試題_第10階-助理技術員-電力 第10階-助理技術員-電力(臨軌施工) 第10階-助理技術員-電務 第10階-助理技術員-電務(產學合作) 第10階-助理技術員-電務(臨軌施工):電工機械概要#138253
115年 · #138253
114年 - 114 台灣糖業股份有限公司_新進工員甄試_電機:電工機械#137618
114年 · #137618
114年 - 114 地方政府公務特種考試_四等_電力工程:電工機械概要#134752
114年 · #134752
114年 - 114 普通考試_電力工程:電工機械概要#128780
114年 · #128780
114年 - 114 關務特種考試_四等_電機工程(選試英文):電工機械概要#126594
114年 · #126594
113年 - 113-2 國營臺灣鐵路股份有限公司_從業人員甄試試題_第10階-助理技術員-電務 第10階-助理技術員-電力:電工機械概要#137202
113年 · #137202
113年 - 113-2 國營臺灣鐵路股份有限公司_從業人員甄試試題_第9階-技術員-電機 第9階-技術員-機械 第10階-助理技術員-電機:電機機械概要#137199
113年 · #137199
113年 - 113 地方政府公務特種考試_四等_電力工程:電工機械概要#124460
113年 · #124460
113年 - 113 普通考試_電力工程:電工機械概要#121150
113年 · #121150