所屬科目:A.電工原理、B.電機機械
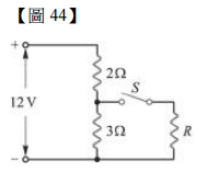
44.如【圖 44】所示之電路,當開關 S 閉合後,3Ω 電阻器的電壓降從 7.2 V 降為 6 V,則電阻器 R 的電阻值為多少?
(A)6Ω(B)5Ω(C)4Ω(D)3Ω
46.如【圖 46】所示,求 a、b 兩點之諾頓等效電阻 RN及諾頓等效電流 IN各為多少?
(A)RN=12Ω,IN=3A(B)RN=9Ω,IN=7A(C)RN=9Ω,IN=3A(D)RN=12Ω,IN= 7A