阿摩線上測驗
登入
首頁
>
國營事業◆1.電子學 2.計算機組織與結構
> 102年 - 102 經濟部所屬事業機構新進職員甄試_航空電機電子:1.電子學 2.計算機組織與結構#28468
102年 - 102 經濟部所屬事業機構新進職員甄試_航空電機電子:1.電子學 2.計算機組織與結構#28468
科目:
國營事業◆1.電子學 2.計算機組織與結構 |
年份:
102年 |
選擇題數:
60 |
申論題數:
0
試卷資訊
所屬科目:
國營事業◆1.電子學 2.計算機組織與結構
選擇題 (60)
1.霍爾效應(Hall effect)使用在半導體測試中,主要用來決定下列何者? (A)半導體內電流 (B)半導體型式(n 或 p) (C)半導體內磁場 (D)半導體溫度
2.在頻率響應波德圖(Bode plot)中,特性曲線的斜率為 6 dB/octave 相當於 A dB/decade,則 A 的 值為下列何者? (A) 10 (B) 12 (C) 20 (D) 24
3.負回授放大器的優點中,下列何者有誤? (A)輸入電阻可增大 (B)輸出電阻可增大 (C)頻率響應可改善 (D)線性度可改善
4.由 CMOS FET 組成傳輸閘(Transmission Gate)時,組成元件為下列何者? (A)只有 NMOS (B)只有 PMOS (C) NMOS+PMOS (D) JFET
5. ECL (Emitter-Coupled Logic)電晶體邏輯閘的優缺點中,下列何者敘述有誤? (A)雜訊邊界大 (B)可以有互補輸出 (C)輸出可直接連結 Wired-OR (D) Fan-out 數有限
6.右【圖 1】所示的電路作用為下列何者?
(A)積分器 (B)微分器 (C)限制器 (D)整流器
7.下列何者的電流並聯負回授放大器特性敘述有誤? (A)輸入阻抗降低 (B)非線性失真度降低 (C)輸出阻抗降低 (D)頻寬增加
8. BJT 電晶體之作用區域分為工作區、飽和區及截止區,在飽和區之集極與射集接面偏壓敘述, 下列何者正確? (A)皆為逆向偏壓 (B)皆為順向偏壓 (C)集極為順向偏壓,射極為逆向偏壓 (D)集極為逆向偏壓,射極為順向偏壓
9.如【圖 2】所示之 FET 邏輯電路, 輸出 Y 與下列何者邏輯運算結果相符?
(A) AB+CD (B) AC+BD (C)
(D)
10. B 類功率放大器之轉換效率最佳,下列何者是其最大可能轉換效率值? (A) 75 % (B) 78.5 % (C) 82.5 % (D) 100 %
11.如【圖 3】所示為低通電路,假設輸入電阻為 1 KΩ, 高 3 dB 頻率為 1 KHz,DC 增益為 40 dB,則 C
1
為下列何者?
(A) 1/π nF (B) 2/π nF (C) 10/π nF (D) 10/(2π) nF
12. BJT 電晶體放大器組態中,下列何者最適合做為阻抗匹配器? (A)共集極 (B)共基極 (C)共射集 (D)共閘極
13.右【圖 4】所示之濾波器電路作用為下列何者?
(A)低通 (B)帶通 (C)高通 (D)全通
14.串級(Cascade)電晶體組態中,為求得最大電壓增益,通常使用下列何者放大器組態作為第二 級放大器? (A)共集極 (B)共基極 (C)共射集 (D)共源極
15.如右【圖 5】所示為一零交越偵測器(Zero-crossing Detector), 其中 Vi 為正弦波,則 Vo 波形為下列何者?
(A)正弦波 (B)方波 (C)三角波 (D)脈衝波
16.差動放大器中差動信號增益為 Ad,共模信號增益為 Ac,則共模拒斥比(CMRR)為下列何者?
17.在一單純 RC 低通濾波器中,R=2/π KΩ,C=1 μF,其截止頻率為下列何者? (A) 7.958 Hz (B) 25 Hz (C) 79.58 Hz (D) 250 Hz
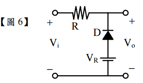
18.二極體截波電路(diode clipping circuit)如右下【圖 6】所示,二極體為理想二極體,當輸入電 壓 Vi 為正弦波時,則輸出電壓 Vo 波形為下列何者(實線)?
19.有關負回授放大器的穩定性敘述,下列何者有誤? (A) gain margin 為負值則不穩定 (B)如 1+Aβ 的零點皆在複數頻率平面的左邊則穩定 (C)暫態干擾影響會漸漸消失則穩定 (D) phase margin 為負值則不穩定
20.在以示波器測試及調整放大器的輸出波形時,通常輸入下列何者較適用? (A)正弦波 (B)三角波 (C)方波 (D)脈衝波
21.某電腦處理 10,000,000 個指令需要 0.25 秒的時間,其 MIPS(Million Instructions Per Second)值 ,下列何者正確? (A) 2.5 (B) 5.0 (C) 40 (D) 80
22.電子計算機因硬體元件本身功能異常,所產生的中斷稱為? (A)機器檢查中斷 (B)外部中斷 (C)程式檢查中斷 (D)輸入/輸出中斷
23.下【圖 7】輸出 Y 的布林代數表示法,下列何者正確?
(A) AB (B)
(C) 1 (D)
24.就硬式磁碟而言,每一個磁面中,半徑相同的所有磁軌稱為? (A)磁簇 (B)磁柱 (C)磁區 (D)磁軌
25.美國電子電機工程協會(Institute of Electrical and Electronic Engineers,IEEE)對於區域網路的 「傳輸媒介存取控制」所制訂的標準中,CSMA/CD(Carrier Sense Multiple Access/Collision Detection)係依據下列哪一個 IEEE 的標準? (A) 802.2 (B) 802.3 (C) 802.5 (D) 802.11
複選題
26.電子計算機硬體 5 大單元中,數據機屬於下列何種單元? (A)輸入單元 (B)輸出單元 (C)控制單元 (D)算術邏輯運算單元
27.近代電子計算機的發展,於第三代 1960 年代的電子計算機時期,開始採用了下列哪一種 製造技術? (A)真空管 (B)電晶體 (C)積體電路 (D)極大型積體電路
28.指令週期中,下列哪一個步驟不需要到主記憶體單元進行存取? (A)回寫結果 (B)指令抓取 (C)運算元抓取 (D)指令解碼
29.下列哪一項機器採用精簡指令集電腦(Reduced Instruction Set Computer,RISC)的設計哲學? (A) Motorola 68000 (B) Apple PowerMac (C) DEC VAX (D) IBM 370
30.某一硬式磁碟機有 16 個讀寫頭,每面有 19,328 個磁軌,每個磁軌有 64 個磁區,每個磁區 有 512 bytes,請問此硬碟機的總容量約為多少? (A) 604 Mega Byes (B) 1208 Mega Bytes (C) 5.6 Giga Bytes (D) 9.8 Giga Bytes
31.優先權仲裁電路的製作中,下列哪一個電路具備多組中斷要求與中斷同意線? (A)雛菊鏈 (B)輪詢法 (C)獨立的要求線與同意線 (D)旋轉式雛菊鏈
複選題
32.開放式系統連接(Open System Interconnection,OSI)網路式架構,將數據通訊所有要處理的工 作分為七層,請問錯誤的控制功能是屬於下列哪一層? (A)傳輸層(Transport Layer) (B)資料鏈(Data Link) (C)表示層(Presentation Layer) (D)交談層(Session)
【已刪除】33.假設一個 8 位元的二進位數字有 6 位元的整數部分與 2 位元的小數部分,在 2 的補數法中, (110001011)所表示的整數值,下列何者正確? (A)34.75 (B) 13.25 (C) -34.75 (D) -13.25 (E)一律給分
34.下列哪一個電路不是組合電路? (A)唯讀記憶體 (B)加法器 (C)同步 BCD 計數器 (D)多工器
35.乙太網路(Ethernet)屬於下列哪一類電腦網路? (A)區域網路 (B)廣域網路 (C)廣播式電腦網路 (D)點對點網路
36.下列哪一項不是中央處理器(Central Process Unit,CPU)的組成元件? (A)控制單元 (B)主記憶體單元 (C)算術邏輯單元 (D)暫存器
37.下列哪一種記憶體的存取時間最長? (A)暫存器 (B)快取記憶體 (C)主記憶體 (D)輔助記憶體
38.安竇定律(Amdahl’s Law)指出,整體效能提昇的上限是未改善部分所佔用時間比率的倒數,如 果改善的部分所佔的時間比率為 R,則整體效能的提昇的上限值,下列何者為正確? (A) 1/R (B) 1/(1-R) (C) 1-R (D) R
39.下列有 4 組不同基底的數值,哪一組的數值與其它組的數值是不同的? (A) (147.5)8 (B) (1100101.101)2 (C) (101.625)10 (D) (65.A)16
40.某件工作於複雜指令集電腦執行需要 500 個指令,指令平均的計時週期個數為 4,該工作換到 精簡指令集電腦執行需要 1,200 個指令,假設精簡指令集電腦的計時週期時間比複雜指令集電 腦的計時週期時間快 20%,如精簡指令集電腦的指令平均的計時週期個數為 X,於精簡指令 集電腦要比複雜指令集電腦快的情況下,下列何者為正確? (A) X>8 (B) X>4 (C) X>2 (D) X<2
41.兩個不相互作用且上 3 dB 頻率 fH 皆相同的帶通濾波器作串級(Cascade)組態,則整個上 3 dB 頻率 fA 與 fH 的比值為下列何者?
(A)
(B) √2 −1 (C) √2 (D) 1
42.如【圖 8】所示為一主動式共振帶通濾波器, 假設其電壓增益-Ao=50,中心頻率為 160 Hz, 3 dB 頻寬為 16 Hz,C
1
=C
2
= 0.1 μF,則 R1為下列何者?
(A) 2 KΩ (B) 2 πKΩ (C) 3 KΩ (D) 3 πKΩ
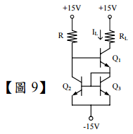
43.電流鏡電路如【圖 9】所示, 假設 Q
1
、Q
2
及 Q
3
特性完全相同且 β>>1 及 V
BE
=0.7V, 如 R=2 KΩ,則 I
L
為下列何者?
(A) 7.5 mA (B) 10 mA (C) 14.3 mA (D) 28.6 mA
44.一轉換函數為
,且 s3=10*s1=100*s2,則主要極點(dominant pole)為下列何 者? (A) s1 (B) s2 (C) s3 (D) 2*s1
45. FET 場效電晶體相較於 BJT 電晶體的特性敘述,下列何者有誤? (A) FET 是單極性裝置 (B) FET 具有高電流驅動能力 (C) FET 可作為對稱性的雙向開關 (D) FET 較無雜訊產生
46.運算放大器電路如【圖 10】所示,輸入電阻 Rin 為下列何者?
(A) -0.5 R (B) -R (C) 0.5R (D) R
47.有一 0.5W、2.5V 的齊納二極體(Zener Diode),其最大電流為下列何者? (A) 75 mA (B) 100 mA (C) 150 mA (D) 200 mA
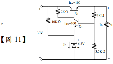
48.有一穩壓電路如【圖 11】所示, 假設 Q1、Q2電晶體的 IC=IE (IB忽略),VBE=0.7 V, 則 VL為下列何者?
(A) 6.3 V (B) 7 V (C) 11 V (D) 20 V
49.全波整流器的峰值負載電流值為 Im 時,則 Irms 值為下列何者? (
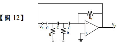
50.移相振盪器如【圖 12】所示, 則其振盪頻率為下列何者?
51.微電腦組合語言的定址模式中,運算元的實際位址是指令中「運算元欄位」內容加上 1 個 「暫存器」所指到的 1 個主記憶體起始位址,此法為哪一種定址法? (A)直接定址 (B)間接定址 (C)相對定址 (D)立即資料定址
52.基底是 16,整數長度是 4,小數長度是 0,則某數(3562)
16
的 16 的補數,下列何者為正確?
(A) (CA9E)
16
(B) (7548)
16
(C) (B08D)
16
(D) (2653)
16
53.有一個管線作業包含 4 個硬體階段(又稱管線深度)的浮點「加法/減法」指令管線,假設 4 個 硬體階段的時間延遲分別為 T1 = 40 ns,T2 = 50 ns,T3 = 60 ns,及 T4 = 70 ns,介面暫存器的 時間延遲為 Tr = 10 ns,此管線作業的週期,下列何者為正確? (A) 80 ns (B) 50 ns (C) 230 ns (D) 120 ns
54.下列哪一個元件為靜態隨機存取記憶體的主要元件? (A)電晶體 (B)電容 (C)電感 (D)正反器
55.下列何者為平行介面匯流排? (A) RS-232 (B) USB (C) SCSI (D) IEEE 1394 【圖 10】 【圖 11】 【圖 12】 電子學、計算機組織與結構 第 6 頁,共 6 頁
56.假設 1 個指令有 3 個欄位:運算碼欄、運算元欄與下一個執行指令的位址,如果機器提供 54 種不同的指令,主記憶體定址空間為 8192 字組,指令採用直接定址法,則運算元欄的指令格 式需要幾個位元? (A) 6 位元 (B) 13 位元 (C) 16 位元 (D) 32 位元
57.假設電子計算機內部使用 8 bit來表示 1個整數,將整數(10010110)的值採用「超碼表示法」,下列何者 為正確? (A) 150 (B) 22 (C) -22 (D) -150
58.因硬體資源不足,使得管線內部的指令不能同時被執行,而必須暫停相關指令的執行,或是 加入一些「不運算指令」,而造成一些管線週期的損失,此管線危機稱為? (A)效能危機 (B)控制危機 (C)資料危機 (D)結構危機
59.一個 DRAM 為 512 bytes x 8 bits,如果要組成一個定址空間是 4 KB,而且存取單元是 16 位元 的主記憶體,則需要幾顆 DRAM? (A) 2 (B) 4 (C) 8 (D) 16
60.使用序列傳輸的方式來傳送數位資料時,下列哪一種錯誤控制方法具備錯誤改正能力? (A)漢明碼檢查 (B)同位檢查 (C)循環重覆檢查 (D)水平重覆檢查
申論題 (0)
相關試卷
101年 - 101 經濟部所屬事業機構新進職員甄試_航空電機電子:1.電子學 2.計算機組織與結構#28541
101年 · #28541