阿摩線上測驗
登入
首頁
>
國營事業◆1.電子學 2.計算機組織與結構
> 101年 - 101 經濟部所屬事業機構新進職員甄試_航空電機電子:1.電子學 2.計算機組織與結構#28541
101年 - 101 經濟部所屬事業機構新進職員甄試_航空電機電子:1.電子學 2.計算機組織與結構#28541
科目:
國營事業◆1.電子學 2.計算機組織與結構 |
年份:
101年 |
選擇題數:
60 |
申論題數:
0
試卷資訊
所屬科目:
國營事業◆1.電子學 2.計算機組織與結構
選擇題 (60)
1.若共射極組電晶體之P值由50變至100,則a值變化如何? (A)由 0.98 變至 0.99 (B)由 0.99 變至 0.98 (C)由 0.92 變至 0.96 (D)由 0.96 變至 0.92
2.對歐利效應(Earlyeffect)及其影響,下列敘述何者正確?
(A)a值隨著|V
CB
|的增加而變大
(B)若有效的基極寬度W'
B
降為零則導致電晶體中的電壓崩潰
(C)少數載體的濃度梯度P
n
會在基極内增加
(D)以上皆是
3.若npn電晶體工作於截止區時,下列接面偏壓敘述何者正確? (A)基-射接面順向偏壓,基-集接面順向偏壓(B)基-射接面順向偏壓,基-集接面逆向偏壓 (C)基-射接面逆向偏壓,基-集接面順向偏壓(D)基-射接面逆向偏壓,基-集接面逆向偏壓
4.串聯饋送式A類放大器在理論上最高效率η
max
為何? (A)30% (B)25% (C) 35% (D) 60%
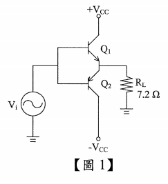
5.如【圖1】電路所示,:8類推挽放大器若Rl= 7.2 Ω且最大輸 出功率P
o(ac)max
= 10 W,則V
cc
為何?
(A) 15 V (B) 20 V (C) 12 V (D) 16 V
6.差動放大器若其差模增益A
d
=1000共模增益A
c
=1,則其共模 拒斥比(CMRR)值為何? (A) 20 dB (B) 40 dB (C) 60 dB (D) 80 dB
7.若電容C = 2 nF,電阻R
1
== 2 KΩ,R
2
= 100 KΩ,若當輸入電壓為交 流電源時,則高頻時的電壓增益
約為多少? (A) -50 (B) 50 (C) 100 (D)0
8.承第7題,下列敍述何者錯誤? (A)低頻時電壓增益為
(B)截止頻率為
(C)為低通濾波器 (D)為積分器
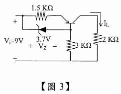
9•如【圖3】電路所示,定電流電路若V
z
= 3.7 V,V
EB
= 0.7 V ,試求I
L
為何?
(A)2mA (B)4mA (C)6mA (D) 0.5 mA
10.某矽質二極體在溫度20°C時逆向飽和電流為5 nA,當溫 度為30°C時,此二極體逆向飽和電流為何? (A)6nA (B)8nA (C)10nA (D) 12 aA
11.若有一功率電晶體接面溫度Tj=125°C,環境溫度Ta=25°C, 電晶體的消耗功率PD為40 W,試求熱阻θ
JA
為何? (A) 2.5°C/W (B)1.5°C/W (C)3.2°C/W (D)0.5°C/W
12.如【圖4】所示電路,若輸入電壓Vi =±3 V方波,則輸出電壓V。之最大及最小振幅為何?
(A)-7V ≦ V
o
≦ -1V(B)-4V ≦ V
o
≦ -1V(C)-1V ≦ V
o
≦ 3V(D)-3V ≦ V
o
≦ 1V
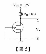
13.如【圖5】所示電路為恆流源電路,其中汲源飽和電流 I
DSS
=4mA,V
DD
=12V,R
D
=1KΩ,則輸出電壓V。為何?
(A) 10 V (B)6V (C) 12 V (D)8V
14如【圖6】所示為何種電晶體?
(A) n通道增強式金氧半場效電晶體 (B)p通道增強式金氧半場效電晶體 (C)n通道空乏式金氧半場效電晶體 (D) p通道空乏式金氧半場效電晶體
15.有一調諳C類放大器,電源Vee=20 V且最大輸出功率為2 W,若推動此放大器的輸入信號頻 率為200 KHz,導通的時間為每週期1 |lis,且導通時Ic(sat) =100mA,VCE(sat) = 0.2 V,則此放 大器的最大效率為何? (A) 98.2% (B) 99.5% (C) 99.8% (D) 93.5%
16•若某一個電晶體之I
CBO
=40nA,I
CEO
=10μA,則此電晶體之β值為何? (A) 149 (B) 249 (C) 49 (D) 349
17.在電晶體h參數中,代表輸入開路時之輸出導納為何? (A) h
12
(B) h
21
(C) h
11
(D) h
22
18.有兩個正弦波電流方程式分別為iiOlOsinCUOT^A,i2(t)=5sin(1207it + 30o)A,則此兩波形時 間差為何? (A) 2.51 ms (B) 1.02 ms (C) 1.39 ms (D) 1.53 ms
19.有一脈波若其脈波宽度為2.5呷,工作週期為4%,則此脈波之頻率為何? (A) 21 KHz (B) 10 KHz (C) 16 KHz (D) 32 KHz
20.某一個稽納二極體在25°C時崩潰電壓為10 V,其溫度係數為0.05%/°C,當溫度為61°C時此 稽納二極體之崩潰電壓為何? (A) 9.5 V (B) 10.18 V (C) 11.24 V (D) 12.2 V
21.下列何者負責記錄CPU下一個要執行的指令在記憶體中之位址? (A)堆疊指標(stack pointer) (B)指令暫存器(instruction register) (C)累加器(accumulator) (D)程式計數器(program counter)
22.為了達成副程式巢狀呼叫,於呼叫副程式前,需先將返回位址存放於何處? (A)堆疊指標(stack pointer) (B)堆疊記憶體(stack memory) (C)指令暫存器(instruction register) (D)程式計數器(program counter)
23.下列何者為CPU執行指令的正確順序? (A)取指令、分析指令、執行、取資料 (B)取指令、取資料、分析指令、執行 (C)取資料、取指令、分析指令、執行 (D)取指令、分析指令、取資料、執行
24.計算機中,「算術與邏輯運算」由下列何者執行? (A)ALU (B) DMA (C) IOP (D) BIOS
25.設計一個最小可用的計算機指令集,下列何者不是絶對必要的指令? (A)資料運算指令 (B)資料搬動指令 (C)流程控制指令 (D)字串比對指令
26.下列何者不是複雜指令集(CISC)計算機的特點? (A)每個指令字長差異大 (B)指令集數目多且複雜 (C)擁有大量通用型暫存器 (D)提供複雜的定址模式
27•下列對精簡指令集(RISC)計算機的特性描述,何者錯誤? (A)撰寫組合語言程式比CISC計算機方便 (B)各指令長度與格式固定 (C)每個指令執行的時間差異較小 (D)提供少數、常用且簡單的指令
28.有關計算機指令集架構的敘述,下列何者正確? . (A)愈多功能強大的指令代表效能愈好 (B)用組合語言寫的程式一定有較高的執行效能 (C)管線化(pipelining)技術比較適合使用在精簡指令集(RISC)架構 (D)固定長度的指令編碼效能優於不固定長度的指令編碼
29.計算機使用補數來代表負數的原因為何? (A)是負數的唯一表示法(B)加法器較容易製作(C)易為大眾所接受 (D)適合人類之思考
30.—個32位元長度的無號數,所能表示的最大數值為何? (A) 2
16
(B) 2
16
-1 (C) 2
32
(D) 2
32
-1
31.十進位數2021G之十六進位碼為何? (A) 0xC6 (B) 0xC8 (C) OxCA (D) OxAC
32.—個 2 的補數(2’s complement) 1111 1111 1111 1100
2
,其十進位值為何? (A)-4 (B) -3 (C)4 (D)3
33•無號數二進位碼0111 0101
2
0000 0101
2
,其十六進位值為何? (A) OxFBOl (B) 0xFC03 (C) 0xFD05 (D) 0xFE07
34.兩個有號數0111 0101
2
、0011 0010
2
相加,其運算結果會產生? (A)進位 (B)負值 (C)溢位 (D)零值
35•針對前瞻進位加法器(Carry Look-ahead Adder)的敘述,何者錯誤? (A)每個位元有獨立的計算進位電路,不用等待前一位元的計算 (B)進位電路複雜使成本提高 (C)高位元與低位元的電路複雜度一樣 (D)計算時間固定,不受位元長度影響
36.下列何者是硬體拉線控制(Hardwired Control)的優點? (A)速度比較快 (B)較具結構性 (C)彈性較大 (D)容易維護
37.為了使兩個浮點數的指數大小的比較更為容易,IEEE754標準對指數部分採用何種編碼? (A)l’s補數 (B)2’s補數 (C)以一個符號位元來表示指數的正負值 (D)加權碼表示法(將指數的實際值加上固定的偏移值)
38.以下位元串是以IEEE 754正規化表示法表示之浮點數,其十進位值為何?
(A) - 0.5 x 2
128
(B) - 0.5 x 2
1
(C) -1.5 x 2
128
(D) -1.5 x 2
1
39.下列哪項技術可以讓CPU同步執行串列的指令,增加單位時間内執行的指令數量? (A) DMA (B) Pipeline (C) Cache Memory (D) Register
40.在指令管線(Pipeline )中,每一個clock cycle有數個指令同時被執行,如果硬體不能滿足所有 執行中指令的需求,以致下個指令無法在緊接的clock cycle被執行,此種管線危障稱為: (A)結構危障(Structural hazards ) (B)控制危障(Control hazards) (C)資料危障(Data hazards) (D)分支危障(Branch hazards)
41.若電晶體之參數β = 99,V
CC
=18V, R
C
=5 KΩ,R
e
=100 Ω且V
CE
=5 V,反向飽和電流可略之 不計,試求I
B
為何? (A)30μA (B) 26.3μA (C) 25.5μA (D) 28.5μA
42.承第41題,試求R值為何?
(A) 150.5 KΩ (B) 168.6 KΩ (C) 195.6 KΩ (D) 125.4 KΩ
43.h
ie
= 1 KΩ,h
fe
= 40,R
B1
= R
B2
= 150 KΩ,R
C
= 4 KΩ,試利用近似等效電路’h
re
及h
on
的效應略去不計,則入A
v
為何? (A)-118 (B) -125 (C)-160 (D) -175
44.承第43題,試求Z
i
值為何? (A) 1.5 KΩ(B) 1 KΩ (C) 1.2 KΩ (D) 812 Ω
45.場效電晶體小訊號模型中,
,對g
mo
之敍述下列何者正確? (A)為V
GS
= 0伏特時電阻值 (B)為固定之最小增益 (C)受到直流偏壓之影響 (D)以上皆非
46•試求全波整流電路之輸出波形(未濾波前)的漣波百分率為何? (A) 55% (B) 48% (C) 32% (D) 63%
47.如【圖9】電路為阿匹次振盡器(Colpitts oscillator ),其頻率 f
0
為何?
48.如【圖10】電路所示為MOSFET邏輯電路,其邏輯運算為何?
49.有關理想放大器的敍述,下列何者錯誤? (A)輸入阻抗無窮大 (B)頻寬無窮大 (C)輸出阻抗為零 (D) CMRR值為零
50.電晶體共射極組態放大電路中,輸出信號與輸入信號相位 相差為何? (A)相同 (B)相差180度 (C)相差90度 (D)相差45度
51.就CPU存取資料而言,對下列哪種記憶體的存取速度最快? (A) SRAM (B) DRAM (C) EEPROM (D) Flash ROM
52.計算機系統中把記憶體分為幾個階層,稱為記憶體階層架構(memory hierarchy )。針對較底 層記憶體的描述,下列何者不正確? (A)每單位記憶體的價格較低 (B)記憶體的容量較小 (C)記憶體的存取速度較慢 (D)記憶體被處理器存取的頻率較低
53.—計算機系統所搭配之快取記憶體(cache memory )讀取時間為2 cycles,處理快取失敗所需時 間(miss penalty)為10 cycles,系統快取平均命中率為95%,則系統平均記憶體讀取時間為何? (A) 2 cycles (B) 2.5 cycles (C) 3 cycles (D) 3.5 cycles
54.何謂CPU對記憶體存取的空間區域性(Spatial locality )法則? (A)—個記憶體的位置被存取後,不久會再度被存取的趙勢 (B)—個記憶體的位置被存取後,其附近地址也會被存取的趨勢 (C)某區塊主記憶體僅能被載到特定的快取記憶體區塊内 (D)快取失誤(Cache miss)固定發生在某些位址上
55.對虛擬記憶體的分頁失誤(page fault)描述,下列何者錯誤? (A)發生時機為當程式試圖存取定址空間中的資料,但資料卻不在實體記憶體裡 (B)—般由作業系統負責處理分頁失誤的問題 (C)對應用程式來說,覺得好像分頁失誤從來沒有發生過一樣 (D)當實體記憶體被耗盡時,才會發生分頁失誤
56•若CPU要寫資料到某一位址,當快取命中時,可以採用全寫式(write through )寫入,以保持 快取與主記憶體内容一致,針對全寫式寫入方式之描述,下列何者錯誤? (A)資料會立刻寫到快取及主記憶體中 (B)通常配合寫入緩衝區(writebuffer)使用,以提昇寫入效能 (C)用來提昇平均寫入發生速率高於主記憶體能接受資料速率時的效能 (D)適合多CPU系統使用
57.為了避免實體主記憶體不足而無法執行程式,所發展出來的技術為何? (A)快取記憶體 (B)辅助記憶體 (C)快閃記憶體 (D)虛擬記憶體
58.程式執行時發生記憶體錯誤(譬如資料寫至記憶體保護區),而產生中斷。此類中斷稱為: (A)指令中斷 (B)系統中斷 (C)外部中斷 (D)軟體中斷
59.假設有個CPU以單一管線執行指令,指令平均分割成6奈秒(nS)、6奈秒、6奈秒、6奈秒、6 奈秒等5個步驟,現有40000個指令執行,不考慮其他因素,則此管線處理比順序處理大約 可快幾倍? (A)6 倍 (B)5 倍 (C)3 倍 (D)10 倍
60.同第59題之情形,但指令分割成5奈秒(nS)、6奈秒、6奈秒、10奈秒、3奈秒等5個步驟, 則此管線處理比順序處理大約可快幾倍? (A)6 倍 (B)5 倍 (C)3 倍 (D)10 倍
申論題 (0)
相關試卷
102年 - 102 經濟部所屬事業機構新進職員甄試_航空電機電子:1.電子學 2.計算機組織與結構#28468
102年 · #28468