阿摩線上測驗
登入
首頁
>
機械原理(機械概論、大意)
> 103年 - 103年原住民族四等機械原理概要#43290
103年 - 103年原住民族四等機械原理概要#43290
科目:
機械原理(機械概論、大意) |
年份:
103年 |
選擇題數:
0 |
申論題數:
5
試卷資訊
所屬科目:
機械原理(機械概論、大意)
選擇題 (0)
申論題 (5)
一、具滑件的四連桿機構,理論上有五種類型之運動鏈,請以 R 表示旋轉對、P 表示滑 行對,繪圖表示之。以滑件曲柄機構(slider-crank mechanism)為例,繪圖說明衝 程(stroke)之定義。(20 分)
二、在同一機件上有數個螺釘(screws),有三種可能的不同狀況:螺釘分布於圓周上、 螺釘排成直線形、有大小不同的螺釘,請說明各狀況下其鎖緊及鬆卸的順序各應為 何?(20 分)
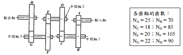
【已刪除】三、試說明何謂簡單齒輪系(simple gear train)、複式齒輪系(compound gear train), 並說明圖示的齒輪減速裝置屬於那一種?(10 分)若輸入軸的轉速為 1600 rpm,試 求輸出軸之轉速。(10 分)
【已刪除】四、如圖之棘輪機構為間歇運動機構的一種,其各機件(1、2、3、4)名稱為何?(8 分) 何者為主動件、從動件?(4 分)並請說明圖中棘輪機構的工作原理。(8 分)
五、請說明滾珠軸承的構造與工作原理;(14 分)又滾子軸承與滾珠軸承有何不同?(6 分)
相關試卷
115年 - 115 關務特種考試_四等_機械工程(選試英文):機械原理概要#138916
115年 · #138916
114年 - 114 關務特種考試_四等_機械工程(選試英文):機械原理概要#126566
114年 · #126566
113年 - 113-2 國營臺灣鐵路股份有限公司_從業人員甄試試題_第10階-助理技術員:機械原理概要#125611
113年 · #125611
113年 - 113 臺灣菸酒股份有限公司_年從業職員及從業評價職位人員甄試試題_從業評價職位人員:機械概論#123491
113年 · #123491
113年 - 113 中央印製廠新進人員甄試試題_印製技術員:機械概論#123139
113年 · #123139
113年 - 113 關務特種考試_四等_機械工程(選試英文):機械原理概要#119482
113年 · #119482
112年 - 112 中央銀行所屬中央印製廠、中央造幣廠_新進人員聯合甄試試題_印製技術員/機械技術員:機械概論#120212
112年 · #120212
112年 - 112 地方政府特種考試_四等_機械工程:機械原理概要#118123
112年 · #118123
112年 - 112 原住民族特種考試_四等_機械工程:機械原理概要#116511
112年 · #116511
112年 - 112 普通考試_機械工程:機械原理概要#115401
112年 · #115401