阿摩線上測驗
登入
首頁
>
電工機械(概要、大意)
> 103年 - 103年地方四等-四等電工機械概要#42989
103年 - 103年地方四等-四等電工機械概要#42989
科目:
電工機械(概要、大意) |
年份:
103年 |
選擇題數:
0 |
申論題數:
4
試卷資訊
所屬科目:
電工機械(概要、大意)
選擇題 (0)
申論題 (4)
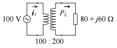
【已刪除】一、當一個 100 V:200 V 之理想單相變壓器的低壓側連接至一均方根值為 100 V 之交流 電源,而高壓輸出端連接至一阻抗為 80 + j60 Ω 的負載時,請求出由電源送出至此 變壓器低壓側的電流為多少安培(A)?而負載所消耗的實功又為多少瓦(W)? (25 分)
二、一台額定電樞電壓為 100 V 而電樞電阻為 0.5 Ω 之直流他激式電動機,當輸入額定 電樞電壓且無負載連接至其轉軸時,激磁電路輸入的電流為 0.4 A 而電動機此時的 轉速為 1000 轉/分(rpm)。若其轉軸的機械摩擦可以忽略且激磁電路不至於發生飽 和現象,則當供應之電樞電壓不變,但輸入之電樞電流提高至 2.0 A 時,若欲維持 其轉速仍為 1000 rpm,請問該直流電動機此時的輸入激磁電流應該調為多少 A?而 此時電動機的輸出功率為多少 W?(25 分)
三、某三相 4 極 380 V,50 Hz 之感應電動機操作於額定之輸入電壓與頻率時,其穩定之 轉差(slip)為 5% 且整體操作效率為 82%,若此電動機輸入之三相總實功為 3.0 kW, 功率因數為 0.8 滯後,試問此時其轉子的轉速為多少 rpm?輸入電流為多少 A?而 機械輸出功率又為多少 W?(25 分)
四、一台三相 16 極 208 V,60 Hz 之同步電動機等效至定子側的阻抗為 1.6 + j3.2 Ω。當 供應此電動機額定的端電壓並穩定運轉於輸入 1.8 kW 之實功及 5.0 A 的定子電流 時,若轉軸的機械及摩擦損失可以忽略,試求該電動機的轉子輸出轉矩為多少牛頓-米 (N-m)?而電動機的操作效率又為多少% ?(25 分)