阿摩線上測驗
登入
首頁
>
電子學
> 103年 - 103 臺灣菸酒股份有限公司_從業職員及從業評價職位人員甄試_從業評價職位人員/電氣:電子學#25706
103年 - 103 臺灣菸酒股份有限公司_從業職員及從業評價職位人員甄試_從業評價職位人員/電氣:電子學#25706
科目:
電子學 |
年份:
103年 |
選擇題數:
50 |
申論題數:
0
試卷資訊
所屬科目:
電子學
選擇題 (50)
1.已知電壓是 100sin377 t 伏特,若某電流相角超前電壓 30
o
、頻率是 60Hz、電流有效值為 100 安培,則此電流為: (A)
(B)
(C)
(D)
2.在室溫下,欲使矽晶體中之電子脫離共價鍵成為自由電子,至少需要多少能量? (A) 0.47 ev(B) 0.72 ev(C) 1.1 ev(D) 1.43 ev
3.關於稽納二極體的特性,下列敘述何者正確? (A)能在定電壓下調整電流,故可用來設計穩壓電路(B)能將電能轉為光能,故可做為數字顯示器 (C)是一種閘流體,故可做相位控制電路(D)是一種感測元件,適合做為光控電路
4.某整流電路輸出的直流電壓為 30 V,交流漣波電壓為 1.5 V
(rms)
,則此整流電路之漣波因數 r %為何? (A) 0.1%(B) 1.5%(C) 5%(D) 20%
5.某電源供應器在空載時輸出電壓為 22 伏特,滿載時輸出電壓為 20 伏特,則電壓調節率為何? (A) 5.8%(B) 8.3%(C) 9.1%(D) 10%
6.欲使 NPN 雙載子接面電晶體(BJT)工作於作用區(Active region),應如何施加偏壓? (A)
(B)
(C)
(D)
7.關於雙載子接面電晶體(BJT)之特性,下列敘述何者正確? (A)電晶體內的電流是由電子移動所形成(B)射極的掺雜濃度比集極高 (C)射極的體積比集極大(D) PNP 型的交換速度比 NPN 型快
8.電晶體(BJT)三種組態放大電路之特性,下列敘述何者正確? (A)共基極放大電路的輸入阻抗最高(B)共集極放大電路的輸出阻抗最高 (C)共射極放大電路的功率增益最高(D)共基極放大電路的電流增益最高
9.電晶體(BJT)之輸入交流電阻
與
的關係,下列敘述何者正確? (A)
(B)
(C)
(D)
10.對於直接耦合放大電路的特性,下列敘述何者正確? (A)高頻響應佳,工作點較不穩定(B)高低頻率響應皆佳,工作點亦很穩定 (C)低頻響應差,工作點也不穩定(D)低頻響應佳,工作點較不穩定
11.某放大電路之中頻段功率增益為 100,當輸入信號頻率降至與低頻截止頻率相同時,功率增益將變為多少? (A) 0(B) 50(C) 70.7(D) 141.4
12.邏輯函數
可化簡為: (A)
(B)
(C)
(D)
13.當汲極偏壓 V
DS
很小時 FET 的特性有如一個受電壓控制之線性電阻,則該控制電壓為何? (A) V
t
(臨界電壓:Threshold voltage)(B) V
GS
(C) V
DS
(D) V
GD
14.下列何者不是理想運算放大器的特性? (A)輸入阻抗 R
i
=∞(B)開迴路增益 A
v
= 0(C)頻帶寬度BW=∞(D)共模拒斥比CMRR =∞
15.【圖 15】電路中 R
1
=1kΩ、R
f
=20kΩ,V
CC
=12V ,若運算放大器的特性為理想, V
s
= 0.1V ,試求輸出電壓 V
o
? (A) -1.2 V(B) -2 V(C) 2.1 V(D) 12 V
16.若【圖 16】電路中之運算放大器的特性為理想,下列敘述何者正確? (A)是一個比較器 (B)具有很高的電壓增益 (C)具有很高的輸出阻抗 (D)是一個電壓增益為 1 的非反相電路
17.關於振盪器之敘述,下列何者正確? (A)考畢子振盪電路是一種音頻振盪器(B) RC 相移振盪電路是一種射頻振盪器 (C)石英晶體是利用晶體本身之壓電效應產生振盪(D)韋恩電橋振盪電路是一種多諧振盪器
18.若將 J-K 正反器的 J、K 接在一起,其功能相當於: (A) R-S 正反器(B) T 型正反器(C) D 型正反器(D)特性不變
19.沒有外加偏壓的 PN 二極體,接合面兩側所產生的空乏區哪邊會比較寬? (A)掺雜濃度低的一側 (B)掺雜濃度高的一側 (C)兩側相同 (D)無法判定
20.【圖 20】電路中
,二極體之順向電壓降為 0.7 V,則電壓 V
o
= ? (A) 1 V(B) 1.4 V(C) 9 V(D) 10 V
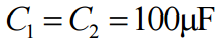
21.【圖 21】電路中
,二極體 D 之順向電壓降為 0.7 V,則電壓 Vo = ? (A) 0.7 V(B) 0.9 V(C) 2.1 V(D) 2.7 V
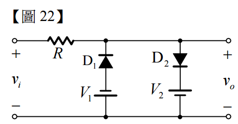
22.如【圖 22】所示截波電路,
伏特, V
1
= 4V、V
2
= 5V,若二極體之順向電壓降為 0 V, 則輸出電壓峰對峰值
為何? (A) 1 V(B) 4 V(C) 5 V(D) 9 V
23.某電晶體(BJT)的電流增益 β 由 50 變化到 100 時,則 α 的變化約為: (A)由 0.98 變化到 0.99(B)由 0.99 變化到 0.98(C)由 51 變化到 101(D)由 101 變化到 51
24.【圖 24】電路中電晶體之
,電阻器
,試求集極電壓 V
C
(近似值)? (A) 0.3 V(B) 9.7 V (C) 12.3 V(D) 19.7 V
25.關於 BJT(電晶體)和 FET(場效應電晶體)的特性,下列敘述何者錯誤? (A) BJT 是雙載子元件,而 FET 是單載子元件 (B)在 IC 的製作上,BJT 比 FET 佔較大的面積 (C) BJT 與 FET 都是電流控制元件 (D) FET 具有較高的輸入阻抗
26.某放大器之開回路增益為 100,頻寬為 10 kHz,若接上回授因數為 0.01 的負回授電路,則頻寬變為: (A) 5 kHz(B) 10 kHz(C) 20 kHz(D) 100 kHz
27.已知某 FET 的 I
DSS
=10mA ,夾止電壓 V
P
= 4V - ,當工作點 V
GSQ
= -2V 時,試求 FET 之互導 g
m
? (A) 0.5 mS(B) 1.5 mS(C) 2.5 mS(D) 3.5 mS
28.欲使一個 n 通道增強型 MOSFET 工作於飽和區,應如何提供偏壓? (A)
(B)
(C)
(D)
29.一般電氣設備接地線的顏色為何? (A)綠色(B)黑色(C)白色(D)藍色
30.某電晶體之 β = 100,當 I
B
= 1mA 時 I
C
=90 mA,問此電晶體是操作在哪個區域? (A)工作區(B)飽和區(C)截止區(D)無法判定
31.射極隨耦器屬於何種放大電路組態? (A)共射極放大電路(B)共集極放大電路(C)共基極放大電路(D)共閘極放大電路
32.【圖 32】電路中 電晶體之
,試求電壓增益
A
v
(近似值)? (A) 147 (B) -181 (C) 206 (D)-346
33.【圖 33】電路中之 V
i
= 22V,V
z
= 8.2V , V
BE
= 0.7V,
,試求電流
? (A) 2.2 mA(B) 42 mA(C) 89 mA(D) 131 mA
34.【圖 34】電路中 FET 之 g
m
= 5mS,
、
、
,試求電壓增益 A v ? (A) 25 (B) -25 (C) 50 (D) -50
35.【圖 35】電路中 V
i
=8V,R
1
= 2kΩ、R
f
= 4kΩ、R
C
= 2kΩ ,若運算放大器的特性為理想,試求電流 L I = ? (A) 2 mA(B) 4 mA(C) 1.33 mA(D) 8 mA
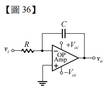
36.【圖 36】電路中 R = Ω 100k 、C =10μF ,若運算放大器的特性為理想,當
= 時
= ? (A) 2t 伏特(B) -2t 伏特(C) 20t 伏特(D) -20t 伏特
37.如【圖 37】所示之振盪電路,
,在正常動作下,該電路之振盪頻率約為: (A) 160 Hz (B) 1 kHz (C) 1.6 kHz (D)10 kHz
38.有一個非穩態複振器(Astable multibibrator)如【圖 38】所示,電路中之電阻 R
1
=10kΩ,, R
2
= 30kΩ 電容
,則輸出信號 V
o
之振盪頻率約為: (A) 1.5 kHz(B) 2 kHz(C) 3 kHz(D) 4.5 kHz
39.【圖 39】是一個由二極體與電阻所組成的數位正邏輯電路,請問這是何種邏輯閘電路? (A) OR(B) NOR(C) AND(D) NAND
40.如【圖 40】所示電路,二極體的耐壓(PIV)不得小於幾伏特? (A) 10 V(B) 14.14 V(C) 20 V(D) 28.28 V
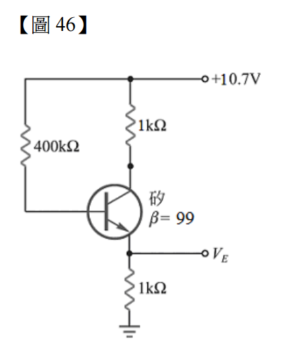
41.如【圖 41】所示,是哪一種偏壓電路? (A)固定偏壓電路(B)射極回授式偏壓電路(C)電阻分壓偏壓電路(D)集極回授式偏壓電路
42.下列哪一種偏壓電路最穩定,最不受溫度及β值變化之影響? (A)固定偏壓電路(B)射極回授式偏壓電路 (C)集極回授式偏壓電路(D)電阻分壓偏壓電路
43.下列哪一種多級放大器的耦合方式,其低頻響應最好? (A)直接耦合(B) RC 耦合(C)電感耦合(D)變壓器耦合
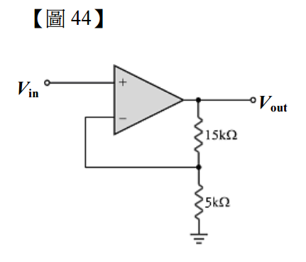
44.如【圖 44】所示電路(OPA 為理想),電壓增益 Av=V
out
/V
in
為多少? (A) 0.33(B) 3(C) 4(D) 20
45.如【圖 45】所示電路,稽納二極體之 V
Z
=10V,最大額定功率為 500mW;在稽納二極體不燒毀之前提下, R
L
允許之最大值為何? (A) 50Ω (B) 66.7Ω (C) 100Ω (D)∞Ω
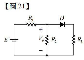
46.如【圖 46】所示電路,射極電壓 V
E
約為多少? (A) 0 V(B) 0.7 V (C) 2 V(D) 3.6 V
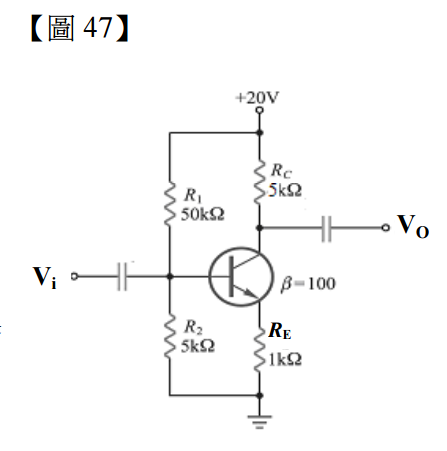
47.如【圖 47】所示電路,求電路之電壓增益 Vo/Vi 約為多少? (A) -5(B) -100(C) 20(D) 100
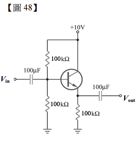
48.如【圖 48】所示電路,β=100,求電路之小信號輸入阻抗 Ri 約為多少? (A) 33.3 kΩ (B) 50 kΩ (C) 100 KΩ (D)10 MΩ
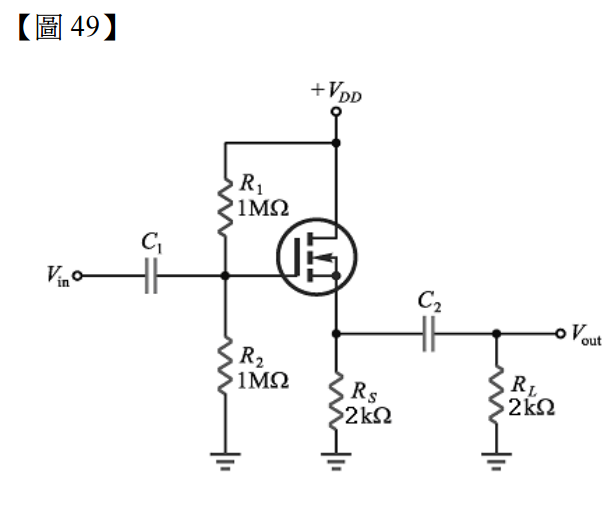
49.如【圖 49】所示電路,若 FET 的 g
m
= 10mS,則電壓增益 AV=V
out
/V
in
約為多少? (A) 0.6(B) 0.9(C) 10(D) 20
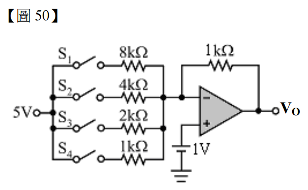
50.如【圖 50】所示(OPA 為理想),若開關 S
1
,S
2
,S
4
閉合,S
3
打開,則 V
o
大小為何? (A) -4.5 V (B) -5.5 V (C) +6.5 V (D) +10 V
申論題 (0)
相關試卷
115年 - 115-1 臺北市立大安高工教師甄選試題_電子/控制科:電子學#138452
115年 · #138452
115年 - 115 國營臺灣鐵路股份有限公司從業人員_甄試試題_第10階-助理技術員-電力、電務:電子學概要#138261
115年 · #138261
114年 - 114 地方政府公務特種考試_三等_電力工程、電子工程、電信工程:電子學#134800
114年 · #134800
114年 - 114 地方政府公務特種考試_四等_電力工程、電子工程、電信工程:電子學概要#134742
114年 · #134742
114年 - 114 專技高考_電子工程技師:電子學#133712
114年 · #133712
114年 - 114 公務升官等考試_薦任_電力工程、電子工程、電信工程:電子學#133247
114年 · #133247
114年 - 114 原住民族特種考試_四等_電子工程:電子學概要#130947
114年 · #130947
114年 - 114 專技高考_專利師(選試專業英文及電子學)、專利師(選試專業日文及電子學):電子學#130110
114年 · #130110
114年 - 114 普通考試_電力工程、電子工程、電信工程:電子學概要#128790
114年 · #128790
114年 - 114 高等考試_三級_電力工程、電子工程、電信工程:電子學#128768
114年 · #128768