阿摩線上測驗
登入
首頁
>
台電◆基本電學
> 104年 - 104 台灣電力公司_新進僱用人員甄試:基本電學#27070
104年 - 104 台灣電力公司_新進僱用人員甄試:基本電學#27070
科目:
台電◆基本電學 |
年份:
104年 |
選擇題數:
0 |
申論題數:
24
試卷資訊
所屬科目:
台電◆基本電學
選擇題 (0)
申論題 (24)
1.色碼為棕黑棕銀的電阻,外加到90 V電壓源,則流過此電阻可能 的最大電流為_______安培(A)。
2.若將某一電容器之極板邊長增加一倍,板間距離縮小一半,則此 電容量為原來電容量的_______倍。
【已刪除】3.已知交流電壓v(t) = 110
sin( 120
),則該電壓之平均值 為_伏特(V)。
【已刪除】4如【圖1】所示,a、b兩端之等效電容C
ab
=________微法拉(μF)。
【已刪除】5如【圖2】所示,則流過4
電阻的電流I = _________安培(A)。
【已刪除】6.如【圖3】所示,已知r = 6
,I = 4 A,則R =______歐姆(
) °
【已刪除】7如【圖4】所示,若L
1
=15mH,L
2
=20mH,兩者之間的互感量 M = 2mH,則其總電感量為_亳亨利(mH)。
8.有4個電阻並聯,此4個電阻的值分別為24kΩ、24kΩ、12 kΩ、6KΩ,已知流入4個並聯電阻之總電流為240mA ;則流過12kΩ 電阻上之電流為______亳安培(mA)。
9.設電容器C1 = 3μF,可耐壓500 V,而電容器C2=6μF,可耐壓200 V,若將此兩電容器串聯,其所能承受最大耐壓為_______伏特(V)。
10當使用兩瓦特計法測定三相負載功率時,若W
1
=800W,W
2
=-800W, 則此負載總功率為______瓦特(W)。
【已刪除】11如【圖5】所示,則電容器Xc之端電壓為_______伏特(V)。
【已刪除】12.如【圖6】所示,則電路中之電流I=_安培(A)。
13.若串聯RLC諧振電路R = 5kΩ、Xc = 250kΩ 則其品質因數Q =_________。
14.某用戶其用電設備及用電時間如下:2000 W冷氣機平均每天使用 5小時,1500 W吹風機平均每天使用1小時,250 W電冰箱平均 每天使用24小時,100 W電視機平均每天使用5小時,20 W電燈10只平均每天使用5小時,則其每月電費為_______元。(每月以30日計算,1度電費以3元計算)。
【已刪除】
15•以迴路分析法分析【圖7】之直流電路,其所列方程式如下,
則a
11
+a
21
+a
31
=___________。
【已刪除】16•如【圖8】所示之直流電路,則其中12 V電源供給之電功率 P = _______瓦特(W) o
17.—個5 μF電容器以10μA之定電流源充電,若電容器充電前 電壓為0V,則充電20秒後電容器上之電壓為_______伏特(V)。
【已刪除】18.如【圖9】所示,則純電組R
L
之最大消耗功率 為________瓦特(W)。
19.某導體在100 °C時之電阻為15 Ω,在20 °C時之電阻為5Ω,則導體 在20 °C時的電阻溫度係數α =_______°C
-1
。
20.兩電荷Q
1
、Q
2
相距15公尺,電荷比Q
1
: Q
2
= 1 : 4,若兩電荷連線 中有一點P電場強度為0,則P點與Q
1
的距離為_________公尺。
【已刪除】二、問答與計算題=40%(4題,每題10分,共40分) 1如【圖10】所示,電路已達穩態,在開關S閉合的瞬間,試求流過 電源的電流值為何?
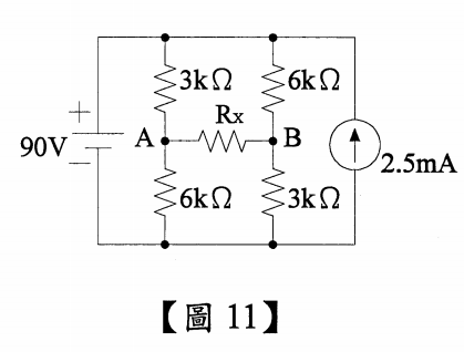
【已刪除】2如【圖11】所示,欲使通過未知電阻Rx之電流1 mA,(1)試求未知電阻 R
x
為何?(6分)(2)欲使R
x
得到最大功率輸出,則R
x
應為何?(4分)
【已刪除】3如【圖12】所示,試求電路之(1)電流值I
1
、I
2
,(2)總有效功率P
T
,(3)總無效功率Q
T
,(4)總視在功率S
T
,(5)功率因數
PF
。(每小題2分)
【已刪除】4.如【圖13】所示,三相Y型平衡電路,每相電阻為RΩ,其線電壓 V
L=
220V,線電流I
L
=20A,現將此電阻改接為△型,且線電壓亦為 220 V,試求(1)此時之線電流I
L
值為何?(4分)(2)此△型負載之三相 總有效功率P3
、三相總無效功率Q3
、三相總視在功率S
3
為何? (各2分分.共6分)