阿摩線上測驗
登入
首頁
>
機械原理(機械概論、大意)
> 105年 - 105年高等三級暨普通考普通機械原理概要 #54295
105年 - 105年高等三級暨普通考普通機械原理概要 #54295
科目:
機械原理(機械概論、大意) |
年份:
105年 |
選擇題數:
0 |
申論題數:
5
試卷資訊
所屬科目:
機械原理(機械概論、大意)
選擇題 (0)
申論題 (5)
【已刪除】一、如圖一所示之盤形凸輪機構,凸輪是一個偏心的圓盤,圓盤半徑為 R、偏心距 e、滾 子從動件半徑 r、壓力角。試推導出壓力角最大時之角及最大壓力角。 (20 分)
【已刪除】二、如圖二所示之窗戶機構,請指出該機構之機件與各類運動對的數目,並計算其自由度。 (20 分)
三、試分別說明螺圈彈簧(Helical Spring)的線徑、平均彈簧直徑、彈簧有效圈數、G 值 (彈 簧線剪彈性模數)四個參數的大小,對於彈簧率(Spring Rate)大小的影響。 (20 分)
【已刪除】四、如圖三之曲柄搖桿機構,桿 2 為輸出之曲柄,桿 4 為輸入之搖桿,桿 1,2,3,4 之桿長 分別為 r
1
、r
2
、r
3
、r
4
。試問機械利益為零時之桿 4 角度?(20 分)
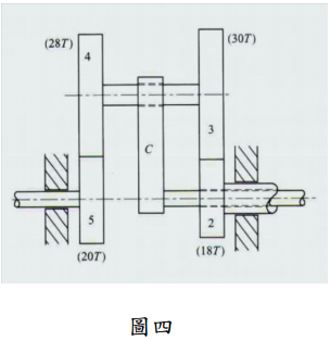
【已刪除】五、如圖四所示之行星齒輪系,C 為行星臂,其餘各齒輪之齒數分別為 N
2
=18、N
4
=28 、N
5
=20 。若自圖的右側看,行星臂轉速為順時針 150 rpm,齒輪 5 轉速為順時 針 87 rpm。試問齒輪 2 之轉速與轉向(由右側看)(20 分) 。
相關試卷
115年 - 115 關務特種考試_四等_機械工程(選試英文):機械原理概要#138916
115年 · #138916
114年 - 114 關務特種考試_四等_機械工程(選試英文):機械原理概要#126566
114年 · #126566
113年 - 113-2 國營臺灣鐵路股份有限公司_從業人員甄試試題_第10階-助理技術員:機械原理概要#125611
113年 · #125611
113年 - 113 臺灣菸酒股份有限公司_年從業職員及從業評價職位人員甄試試題_從業評價職位人員:機械概論#123491
113年 · #123491
113年 - 113 中央印製廠新進人員甄試試題_印製技術員:機械概論#123139
113年 · #123139
113年 - 113 關務特種考試_四等_機械工程(選試英文):機械原理概要#119482
113年 · #119482
112年 - 112 中央銀行所屬中央印製廠、中央造幣廠_新進人員聯合甄試試題_印製技術員/機械技術員:機械概論#120212
112年 · #120212
112年 - 112 地方政府特種考試_四等_機械工程:機械原理概要#118123
112年 · #118123
112年 - 112 原住民族特種考試_四等_機械工程:機械原理概要#116511
112年 · #116511
112年 - 112 普通考試_機械工程:機械原理概要#115401
112年 · #115401