所屬科目:統測◆02動力機械群◆(二)電工概論與實習、電子概論與實習
1. 若電動車之直流電動機輸出功率為2 kW,則此功率等於多少hp?(A) 2.68 (B) 1.34 (C) 0.75 (D) 0.37
2. 跨壓為直流 36 V 的電阻,流經電流為 3 mA,若此電阻為四環色碼電阻器,則其色環顏色為何? (A) 紅黃橙金 (B) 棕橙紅金 (C) 黑紅棕金 (D) 棕紅橙金
3. 如圖(一)所示之電路,若I1=4A,I2=2A,I3=5A,則I4為何? (A) – 2A (B) – 1A (C) 1A (D) 2A
4. 如圖(二)所示之電路,所有電阻消耗的總功率為何? (A) 18W (B) 24W (C) 36W (D) 48W
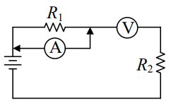
5. 以電壓表及電流表量測電阻R1的電壓與電流時,下列哪一種是正確的接法? (A) (B)(C)(D)
6. 汽車中的兩個大燈燈泡規格皆為 12 V,由同一個開關所控制,若連接至 12 V 電瓶, 則下列哪一種是正確的接法? (A) 兩個燈泡串聯後再與開關串聯 (B) 兩個燈泡並聯後再與開關並聯 (C) 兩個燈泡串聯後再與開關並聯 (D) 兩個燈泡並聯後再與開關串聯
7. 關於弗來明左手定則(Fleming's left- hand rule )中,下列敘述何者 錯誤 ? (A) 中指所指的方向為導體移動方向 (B) 食指所指的方向為磁力線方向 (C) 使用定則時,大拇指、食指與中指等三指應互成90 ° (D) 又稱為電動機定則
8. 如圖(三)所示之汽車繼電器(relay)控制電路,在繼電器內的理想二極體,其主要功用為何? (A)當電晶體導通時,可加速繼電器N.O.接點閉合時間 (B)當電晶體導通時,可消除繼電器N.O.接點閉合時所產生的火花 (C)當電晶體截止時,可避免因線圈自感應電壓的擊穿而造成電晶體損壞 (D)當電晶體截止時,可確保繼電器N.O.接點完全分離
9. 一般馬達鐵芯採用薄矽鋼片疊製而成,其主要目的在減少: (A) 渦流損 (B) 切換損 (C) 銅損 (D) 磁滯損
10. 當直流電動機的輸入功率為 2 kW、效率為 80% 及轉速為 2000 rpm 時,此直流電動機的輸出轉矩為何? (A) 10.25N-m (B) 9.55N-m (C) 8.23N-m (D) 7.64N-m
11. 有一汽車雨刷馬達為永磁式直流電動機,當接上 12 V 電瓶時,流過電樞電流為 4 A,並在電樞產生 10 V 的反電勢,若忽略碳刷上的壓降,則此直流電動機之電樞電阻為何? (A) 0.25 Ω (B) 0.5 Ω (C) 0.75 Ω (D) 2.5 Ω
12. 有一電動機車之直流電動機,當接上 48 V 電瓶時,其輸入電流為 50 A,輸出馬力為 2.5 hp,則此電動機效率為何? (A) 66.6% (B) 77.7% (C) 88.8% (D) 93.3%
13. 有關交流電路之電感抗,下列敘述何者正確? (A) 電源的頻率愈高,則電感抗越高 (B) 電源的電壓峰值越高,則電感抗越高 (C) 電感值愈低,則電感抗越高 (D) 電感抗的大小與電源頻率無關
14. 有效值為 E 的交流正弦波電壓源,若將其正半週截掉為零,僅剩負半週輸出,則其輸出電壓的有效值為何? (A) E (B)(C)(D)
15. 如圖(四)所示之電路,已知 Vs(t)=100 sin 100tV,I(t)=6sin (100t+30°)A,R=10Ω, L=50mH,下列敘述何者正確? (A) 同相 (B)=30 sin(100t-60°) V (C) Vc(t)=70 sin(100t-30°) V (D) I(t)的相位領先Vc(t)的相位90°
16. 具有起動繞組 ( start winding ) 的電容起動式單相感應電動機,起動到達一定轉速後,其 起動繞組的電源可由下列哪一種開關切斷? (A) 近接開關 (B) 溫度開關 (C) 離心開關 (D) 壓力開關
17. 有一理想變壓器,其一次側繞組接上 AC 100 V,二次側繞組接上一個 10 Ω 的電阻。已知10Ω 電阻上的電流為2A,下列敘述何者正確? (A) 一次側的電流為1A (B) 一次側和二次側的繞組匝數比為10:1 (C) 一次側和二次側的繞組匝數比為1:10 (D) 一次側的阻抗為250Ω
18. 圖 (五)所示為變壓器之極性量測實驗電路,下列敘述何者正確? (A)電表為交流電壓表 (B) 電表為交流電流表 (C) 變壓器極性可由開關S接通(ON)的瞬間,電表之直流電壓極性來判定 (D) 變壓器極性可由開關S接通(ON)後一段時間,電表之穩態直流電流方向來判定
19. 關於三相感應電動機,下列敘述何者正確? (A)Y連接特性為線電壓等於相電壓 (B) Δ連接特性為線電流等於相電流 (C) 同步轉速(synchronous speed )與定子繞組之極數成反比 (D) 起動瞬間採Δ連接,起動完成後均採Y連接,目的在降低起動時的線路電流
20. 如圖(六)所示之電路,三相AC 220 V的電源以 Δ 連接,M代表三相感應電動機,已知圖中電流表的電流為10A,下列何者 錯誤 ? (A) 電壓表的電壓為220V (B) 電動機的相電流為17.3A (C) RS間的電壓與ST間的電壓相位角相差120 ° (D) 若改變接法,R接到V,S接到U,T接到W,則電動機旋轉方向相反
21. 有關電子元件的銲接作業,下列敘述何者 錯誤 ? (A) 60/40 錫鉛合金可適用於銲錫材料 (B) 烙鐵頭的保養,可在銲接後將烙鐵頭清除乾淨,再鍍上一層錫衣來保存 (C) 沾濕的耐熱海棉,可用來清潔烙鐵頭的汙垢及調節烙鐵頭的溫度 (D) 銲接的過程是先將銲錫熔於烙鐵頭上再沾至銲接處
22. 使用信號產生器時,應以下列哪一項來調整輸出訊號的振幅? (A) OFFSET (B) POWER (C) FUNCTION (D) AMPLITUDE
23. 示波器可以用來量測某一輸入訊號的哪些物理量? (A) 電壓、頻率、週期 (B) 電壓、電阻、電容 (C) 電壓、電阻、頻率 (D) 電壓、電阻、電流
24. P 型與 N 型半導體材料結合時,接觸面會產生空乏區,此空乏區內靠 P 型半導體側會產生: (A) 正離子 (B) 電洞 (C) 電子 (D) 負離子
25. 理想二極體所構成之橋式整流電路,對振幅為 15V 之正弦波電壓源進行整流時,則輸出之平均電壓為何? (A) 15V (B) 30V (C) 15πV (D) 30πV
26. 整流電路之輸出端接上電容濾波電路時,下列敘述何者 錯誤 ? (A) 電容值越大,漣波越大 (B) 電容值越大,輸出的平均電壓越大 (C) 可將脈動直流波形轉換為近似定值的直流波形 (D) 漣波的頻率與電容值無關
27. 當 NPN 電晶體之共射極偏壓電路的靜態工作點(或稱 Q 點)在作用區 (active region) 時,下列敘述何者 錯誤 ? (A) Q 點為電晶體特性曲線與電路之直流負載線交會的座標 (B) 若增大基極電阻 RB,則 Q 點會沿負載線往右下移 (C) 若增大集極電阻 RC,則會降低 Q 點的電壓 VCEQ (D) 若增大集極端的電源電壓 Vcc,則會增大直流負載線的斜率
28. 如圖 (七) 所示之電晶體共射極偏壓電路,若 = 0.2V,則在下列電阻值中,會造成電晶體飽和的最小值為何?(A) 0.6 kΩ (B) 1.1 kΩ (C) 2.1 kΩ (D) 3.6 kΩ
29. 關於場效應電晶體(FET)的特性,下列敘述何者正確? (A) 當N通道JFET的=0時,電晶體不導通 (B) 當N通道空乏型MOSFET的>0時,導電通道變寬,電阻變小 (C) 當N通道JFET的等於夾止電壓時,產生飽和電流 (D) 當N通道增強型MOSFET的=0時,電晶體能導通
30. 如圖(八)所示之電晶體放大電路,下列敘述何者正確? (A) 此電路為共基極放大電路 (B) 為同相 (C) C1、C2可以阻絕前、後級放大電路的直流訊號,以避免影響工作點 (D) 電壓增益Av與電源電壓成正比
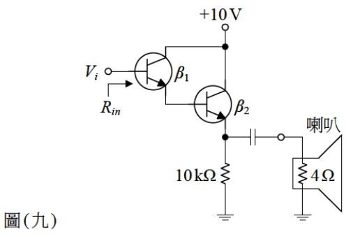
31. 如圖(九)所示之達靈頓電路串接4Ω喇叭,若忽略電晶體的交流阻抗及喇叭的電感抗, 則當β1=β2=100時,交流輸入阻抗為何? (A) 400 Ω (B) 40 kΩ (C) 1 MΩ (D) 100 MΩ
32. 關於 BJT 電晶體之三種放大電路,下列敘述何者正確? (A) 共射極的輸出電壓與輸入電壓反相 (B) 共集極具有最大的電壓增益 Av (C) 共基極具有供給負載大電流的特性 (D) 共射極的電壓增益 Av 恆小於 1
33. 如圖(十)所示之 OPA 電路,在何種情況下,輸出電壓為負值? (A) V₁=0.1V,V₂=-0.1V (B) V₁=0,V₂=-0.1V (C) V₁=0.1V,V₂=0.2V (D) V₁=-0.1V,V₂=-0.2V
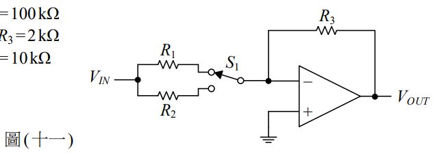
34. 如圖( 十一) 所示之OPA 反相放大電路中,開關S1可上下切換,若要使電路具有5 倍與50倍 兩種放大倍率,電阻應如何選擇? (A) R1=1 kΩ,R2=5kΩ,R3=50 kΩ (B) R1=2 kΩ,R2=20 kΩ,R3=100kΩ (C) R1=10 kΩ,R2=100kΩ,R3=2kΩ (D) R1=5 kΩ,R2=25kΩ,R3=10kΩ
35. 如圖(十二)所示之OPA放大電路中,R1的電阻值可從0調整到50 kΩ,此電路的放大倍率範圍為何? (A) 0~50 (B) 1~51 (C) 2~26 (D) 2~52
36. 下列何種元件,在電導特性上可呈現負電阻特性? (A) 整流二極體(rectifier diode ) (B) 單接面電晶體(UJT) (C) 雙接面電晶體(BJT) (D) 場效應電晶體(FET)
37. 矽控整流器(SCR)之三個接腳的名稱為何? (A) 閘極(G)、陽極(A)、陰極(K) (B) 閘極(G)、汲極(D)、源極(S) (C) 基極(B)、汲極(D)、源極(S) (D) 基極(B)、集極(C)、射極(E)
38. 如圖(十三)所示之邏輯電路與下列哪個邏輯閘等效? (A) NAND (B) NOR (C) XNOR (D) XOR
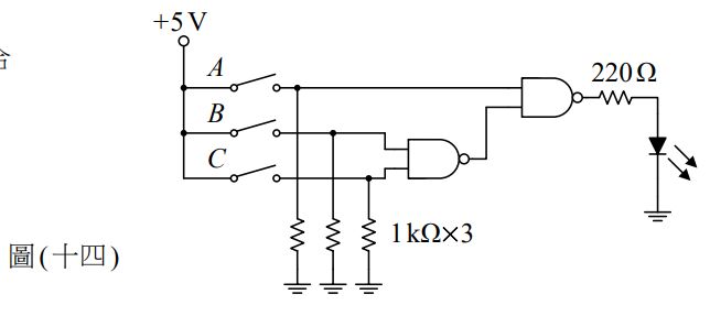
39. 如圖(十四)所示之邏輯電路,若要使LED亮起,A、B、C 三個開關應如何操作? (A) B和C均閉合,或是A斷開 (B) B或C斷開,或是A閉合 (C) B和C均斷開,或是A閉合 (D) A或B或C其中之一閉合
40. 如圖(十五)所示之邏輯電路,下列敘述何者正確? (A) 若X=1,則Y必等於1 (B) 若X=0,則Y必等於1 (C) 若Y =1,則X必等於1 (D) 若Y=0,則X必等於0