所屬科目:教甄◆資訊科
1. 如下圖所示之電路為電感電流對時間變化圖,已知電感為 10H,求當 t = 4ms 時,電 感兩端電壓 VL為多少伏特? (A)5 (B)10 (C)15 (D)20 V。
3. 如下圖所示之電路,當電源頻率為 100Hz 時 Xc = 200Ω,當頻率為 200Hz 時,電路電 流達到最大。求當頻率為50Hz時,電感抗XL =? (A)25 (B)50 (C)400 (D)800 Ω。
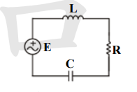
4. 如下圖所示之電路,求負載功率因素為何?(A)0.866 (B)0.8 (C)0.707 (D)0.6。
6. 使用兩瓦特表測量三相平衡負載。若兩 20kW 與 10kW,則此負載功率因素為多少? (A) (B) (C) (D) 1。
9. 電路中某分路電壓 伏特,及電流安培, 則下列敘述何者為正確? (A)無效功率為 500VAR (B)電源頻率為 50HZ (C)有效 功率為 1kW (D)分路阻抗為電容性。
11. 如下圖所示之波形,通過 1Ω 之電阻,下列何者正確? (A)此波形之頻率為 60Hz (B) (C) it() 之有效值為 6A (D) 1Ω 之消耗功率為 18W。
13. 有一正弦波電,若以極座標及直角座標表示為何? (A) 50- 53°,30-j40 (B) 50∠- 53°,40-j30 (C) 50- 53°,30-j40 (D) 50- 53°,40-j30
14. R、S、T 代表電源線,U、V、W 代表感應電動機出線,假如 R-U、S-V、T-W 連接 為正轉,接線變更仍為正轉其接線應為 (A)R-V、S-U、T-W (B)R-V、S-W、T-U (C)R-W、S-V、T-U (D)R-U、S-W、T-V。
15. 如下圖所示之電路,試計算 Rab 為多少歐姆? (A)3 (B)2.73 (C)2.57 (D)2。
17. 在六極發電機,機械角與電工角的比值為下列何者? (A) (B)3 (C) (D)6。
18. 如下圖所示,為陶瓷電容器,其可能最大電容量為多少? (A)4.79 (B)5.17 (C)5.64 (D)6.11 μF。
20. 某電動機外接 ,負載平均功率為 900KW,功率因數為 0.6 滯後, 今欲裝置同步調相機,將功率因數提高至 0.8,且負載功率維持不變,則所需調相機 之容量為多少? (A)525K VAR (B)625K VAR (C)375K VAR (D)375K VAR。
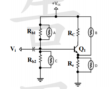
21. 如下圖所示電路,利用敏阻器(Rs)或熱阻器(Rt)來做偏壓補償,試問 A、B、C、D 四 個位置應接何種元件較適當? (A)A:敏阻器、B:敏阻器、C:熱阻器、D:熱阻器 (B) A:熱阻器、B:熱阻器、C:敏阻器、D:熱阻器 (C) A:熱阻器、B:敏阻器、C:敏阻器、D:熱阻器 (D) A:敏阻器、B:熱阻器、C:熱阻器、D:敏阻器 。
22. 利用示波器測量兩正弦波的相位關係,若螢幕出現如下圖之畫面,則輸入信號(Vi) 與輸出信號(Vo)的相位相差多少度? (A)0° (B)45° (C)90° (D)180°。
23. 如下圖所示之週期性電壓波形,於週期內之電壓平均值為(Vav)為多少伏特? (A) 1.8 (B)2.8 (C)3.8 (D)4.8 伏特。
25. 如下圖所示何者為隧道二極之電路符號? (A) (B) (C) (D) 。
26. 如下圖所示為 PN 二極體,1234區分別為何種電性? (A)中性,負電,正電,中性 (B)正電,負電,正電,負電 (C)中性,正電,負電,中性 (D)負電,正電,負電,正電。
28. 比較一般功率放大器之最高功轉換效率(power conversion efficiency),其大小次序為: (A)B 類≥ AB 類 ≥ A 類 (B)A 類 ≥ B 類≥ AB 類 (C)AB 類 ≥ A 類 ≥ B 類 (D)A 類 ≥ AB 類 ≥ B 類。
29. 如下圖所示截波電路,則 Vo 為 (A) (B) (C) (D)
30. 如下圖所示之電路,假設電晶體之 β =100,導通 VBE=0.7V,熱電壓(thermal voltage)VT=26mV,試求其電壓增益 Vo/Vi 值為何?(假設電晶體之輸出電阻
32. 如下圖所示之電路,由 555 所組成的電路,若 R1=20k Ω, R2 =20k Ω,C =100 μ F 時,當按鈕開關 SW 按一下後放開,則 LED 約亮多少時間後又熄滅,時間為 (A)1.1 秒 (B)2.2 秒 (C)20 秒 (D)10 秒
34. 兩級串級放大電路,第一級電壓增益為-100,第二級電壓增益為 20dB,問此串級放 大總電壓增益|為多少? (A)0.1 (B)0 (C)100 (D)1000。
36. 如下圖所示之電路,若二極體均為理想,試求 Vo的值為何? (A)6 (B)5 (C)4 (D)2 V
37. 如下圖所示之電路,假設稽納二極體為理想,其輸入/輸出轉移特性曲線為何? (A) (B) (C) (D)
) 39. 下列何者為增強型 PMOS 的 ID-VGS 特性曲線圖? (A)(B)(C)(D)
40. 如圖所示為一個三級串級放大電路,若輸入電壓 Vi = 1μV,則輸出電壓 Vo為多少? (A)1mV (B)4mV (C)10mV (D)100mV
04. 如下圖所示之電路,將並聯電路化為等效串聯電路,問公式 Rs=?___________
6. 利用示波器測量兩正弦波的頻率關係,採用李沙育測量法,示波器必須操作_________ 模式,若以 CH1 測量輸入信號螢幕,CH2 測量輸出信號螢幕,出現如下圖之畫面,則輸出 信號頻率為輸入信號頻率的__________倍。(每格 1 分,共 2 分)
7. 如下圖所示為 NE555IC,請問 IC 之第 3 接腳之功能為 ____________ 。(1 分)
1. 如下圖所示之電路為馬克士威爾電橋,當電橋平衡時,試求Lx及Rx各為多少?(各3分,共6分)
2. 如下圖所示之電路,L1=2H,L2=8H,L3 =4.5H,L1及L2的耦合係數為0.8,L2及L3的耦合係數為 0.6,L1及L3的耦合係數為0.4,則串聯總電感為多少? (5分)