所屬科目:技檢◆室內配線(屋內線路裝修)-乙級
4. 屋內配線設計圖之符號為(A)三相 V 一線捲中性點接地(B)三相 V 共用點接地(C)三相三線 Δ 接地 (D)三相 V 非接地。
6. 使用兩只單相瓦特表,測量三相電功率,若兩瓦特之指示分別為正值 100 瓦及 200 瓦,則此三相電功率為多少瓦?(A)(B)100(C)150(D)300。
11. 屋內配線設計圖中,出口燈的符號為(A) (B) (C) (D)
16. 下圖所示之接線是以伏特計與安培計測量負載直流電功率,為防止儀表之負載效應,減少誤差, 下列敘述何者正確?(A)與負載電阻高低無關(B)為量測低電阻負載之電功率時,所採用之接線(C)為 量測高電阻負載之電功率時,所採用之接線(D)不論量測負載電阻大小之電功率時,均可採用之接線。
18. 電動機銘牌上所註明的電流係指(A)半載電流(B)無載電流(C)滿載電流(D)滿載電流。
24. 屋內配線設計圖之符號為(A)避雷器(B)電容器(C)避雷針(D)接地。
25. 在 RLC 串聯電路中,已知 R=8Ω、 =8Ω、 =2Ω,則此電路總阻抗為多少 Ω?(A)2(B)10(C) 16(D)18。
27. 三相三線(33W)式之線間電壓降為(A)IL(Rcosθ+Xsinθ)(B)2IL(Rcosθ+Xsinθ)(C)IL(Rcos θ+Xsinθ)(D)IL(Rcosθ+Xsinθ)。
32. 下圖控制電路若用布林代數(Boolean Algebra)式表示,則可寫成(A)F=(A+B)(C+D)E(B)F=(A+B)(C+ D)+E(C)F=(AB+CD)E(D)F=(AB+CD)+E。
39. 假設電源不變,則三相 Y-Y 連接之變壓器改為△-Y 連接時,二次側電壓變為原來的多少倍? (A) (B)1(C) (D)
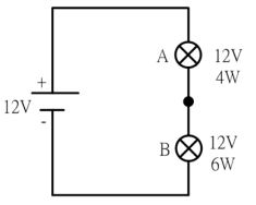
62. 如下圖所示,兩電燈泡 A 與 B 之規格。若該兩電燈泡之材質相同,串聯時,下列敘述哪些正確? (A)流經 A 的電流為 0.2 A(B)B 較亮(C)A 較亮(D)流經 B 的電流為 0.2 A。
75. 下列哪些為屋內配線設計圖之配電箱類設計圖符號?(A) (B) (C) (D)