所屬科目:電機機械
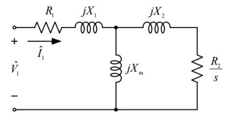
二、某一台三相、Y 接、220 V(線電壓)、60 Hz、6 極的感應電動機,試驗 數據如下: 無載試驗(no-load test):頻率為 60 Hz,線電壓為 220 V,線電流為 6 A, 總實功率為 500 W。 堵轉試驗(blocked-rotor test):頻率為 15 Hz,線電壓為 26 V,線電流為 18 A,總實功率為 800 W。 感應電動機等效至定子側的近似每相等效電路如下圖,圖中 s 為滑差 率,且假設鐵心損失集中於旋轉損失,已知電阻 R1 = 0.25 Ω,X1 = X2; 試求下圖中的電路參數 Xm、X1、R2。(25 分)
四、電感的結構示意如下圖,線圈的匝數 N1 = 100 匝,鐵心的截面積 Ac與氣 隙的截面積 Ag相等,Ac = Ag = 3.18 cm2,鐵心的磁路平均長度 = 35 cm, 空氣的導磁係數 ,氣隙 g = 2 mm。忽略線圈的漏磁及氣 隙邊緣效應,且鐵心為理想特性。下圖中,電源電壓 es (t) = 20 sin 1000t V, 線圈的導體等效電阻 Rs = 2 Ω。試求線圈的電感、穩態電流時間函數 is (t)、 穩態的氣隙磁通密度有效值。(25 分)