所屬科目:電子學
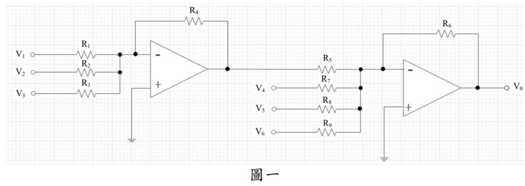
一、如圖一所示,假如 V1=2 V,V2=2 V,V3=2 V,V4=1 V,V5=1 V,V6=1 V, R1=1 kΩ,R2=1 kΩ,R3=1 kΩ,R4=3 kΩ,R5=1 kΩ,R6=2 kΩ,R7=1 kΩ,