所屬科目:大地工程基礎學科(三)
4 為降低柱產生降伏的可能性,耐震設計規定:連接於接頭各柱之計算彎矩強度總和∑Mnc與 連接於接頭各梁之計算彎矩強度總和∑Mnb之比值( ),應大於: (A)1.25 (B)1.2 (C)1.15(D) 1.1
5 一鋼筋混凝土柱在未受軸力時為拉力控制構件,今承受設計軸力 Pu = 250 tf,試利用下圖之簡易 互制曲線,估算斷面可以承受的最大設計彎矩 Mu: (A)151 tf-m 161 (B) tf-m 176 (C) tf-m 146 (D) tf-m
15 規範於梁設計時規定最少鋼筋量( 與)的目的為何? (A)避免剪力破壞 (B)控制撓曲裂縫寬度 (C)避免撓曲開裂即產生破壞 (D)控制梁撓度
20 若鋼筋混凝土梁之梁腹板寬為bw ,有效深度為 d,下列關於佈設剪力鋼筋的相關規定何者錯 誤?(符號: φ 強度折減係數, f ′c:混凝土抗壓強度, Vc:混凝土剪力強度)
2226 以千斤頂對混凝土試體進行三分點抗彎強度試驗,求混凝土的破裂模數。試體斷面為 10×10 cm, 試體跨徑為 42 cm,若試體破壞時千斤頂讀數為施力 850 kgf,請問混凝土的破裂模數 fr 為: (A)33.4 kgf/cm2 (B)35.7 kgf/cm2 (C)38.0 kgf/cm2 (D) 40.5 kgf/cm2
29 下圖為一單向版之平面圖,板厚 h = 30 cm,有效深度 d = 26 cm,需主筋量 = 0.6% ,若 使用 D16 鋼筋(標稱面積為 2.0 cm2 ),下列之主筋佈設何者正確且合乎經濟效益? (A)主筋方向平行 B-B,間距 15 cm (B)主筋方向平行 A-A,間距 15 cm (C)主筋方向平行 B-B,間距 12 cm (D)主筋方向平行 A-A,間距 12 cm
30 雙向版設計須先求得跨間總靜定設計彎矩 Mo。下圖之矩形雙向版系統,承受單位面積設計 載重 qu = 400 kgf/m2 ,若要針對陰影之區域版的長向進行設計,請問跨間總靜定設計彎矩 Mo 為多少? (A)10.2 tf-m (B) 7.8tf-m (C) 5.2tf-m (D) 12.8tf-m
31 一連續兩跨之單向版(平面圖如下),版兩側與支承梁一體澆鑄,支承梁淨間距為 5 m,梁 腹版寬 為bw 45 cm,請問根據規範,該單向版之最小厚度應為: (A)21 cm (B) 23cm (C) 25cm (D) 28cm
33 規範規定剪力鋼筋抗剪強度不可大於 ,其用意為何? (A)避免剪力鋼筋拉斷 (B)避免混凝土擠碎 (C)避免剪力裂縫過大 (D)確保梁撓曲破壞先於剪力破壞
34 下列關於最小 螺箍筋體積比之敘述何者錯誤? (A) 為螺箍筋的降伏強度,採用之值不得大於 7000 kgf/cm2 (B)採用之 值若超過 4200 kgf/cm2 ,則箍筋之續接方式有限制 (C)上述方程式規定之螺箍筋使用量乃期望增加構件剪力強度 (D)耐震設計另規定螺箍筋之體積比不得小於 ,且一定要滿足
36 如下圖所示的三個鋼筋混凝土斷面承受彎矩,當斷面受壓側最外緣混凝土應變到達 0.003 時,下列敘述何者正確? (A)斷面(乙)的撓曲強度最大,斷面(乙)的拉力鋼筋應變最大 (B)斷面(丙)的撓曲強度最大,斷面(乙)的拉力鋼筋應變最大 (C)斷面(乙)的撓曲強度最大,斷面(甲)的拉力鋼筋應變最大 (D)斷面(丙)的撓曲強度最大,斷面(甲)的拉力鋼筋應變最大
37 關於鋼筋之伸展長度的方程式為。方程式考慮許多會影響伸展長 度 和鋼筋直徑 比例的因數,下列敘述何者正確? (A)Ψe為鋼筋塗佈修正因數,因為鋼筋表層塗佈環氧樹脂會降低 之比值 (B)Ψs為鋼筋尺寸修正因數,針對 D19 或較小之鋼筋,降低 之比值 (C)λ為混凝土單位中修正因數,針對輕質骨材混凝土內之鋼筋,降低 之比值 (D) Ktr 為橫向鋼筋指標,考量橫向鋼筋的影響,提升之比值
40 下列關於有效慣性矩 之描述何者正確? (A)均勻斷面簡支梁之有效慣性矩可取跨度中央之 (B)構材開裂前(C)可用於計算極限狀態構材之撓度 (D)為考慮潛變及乾縮所引起長期撓度之增值,可將加以修正之
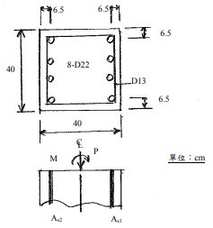
一、有一鋼筋混凝土懸臂梁及其在固定端之斷面如下圖所示,此梁除自重 外,還承受均布靜載重 WSD=1 tf/m 及均布活載重 WL,試根據此梁的 撓曲強度,分析其所能承受之最大 WL=?(25 分)
已知:
f ′ c = 350 kgf/cm2 ,fy = 4200 kgf/cm2
D13 鋼筋,直徑:1.27 cm,截面積:1.27 cm2
D22 鋼筋,直徑:2.22 cm,截面積:3.87 cm2