所屬科目:機械設計
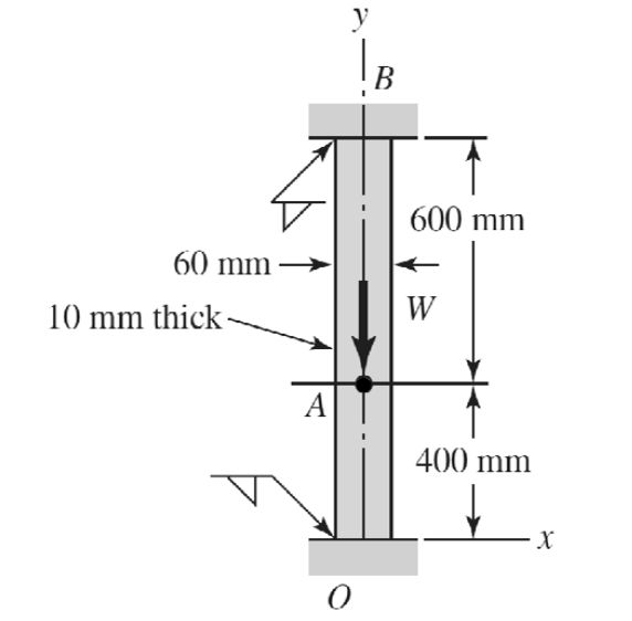
三、如圖所示之長方體鋁桿(E = 71.7 GPa) ,受力 W = 4 kN 於 A 點,試求: O 點及 B 點的反作用力各為若干 kN?A 點之變形量為若干 mm?(20 分)
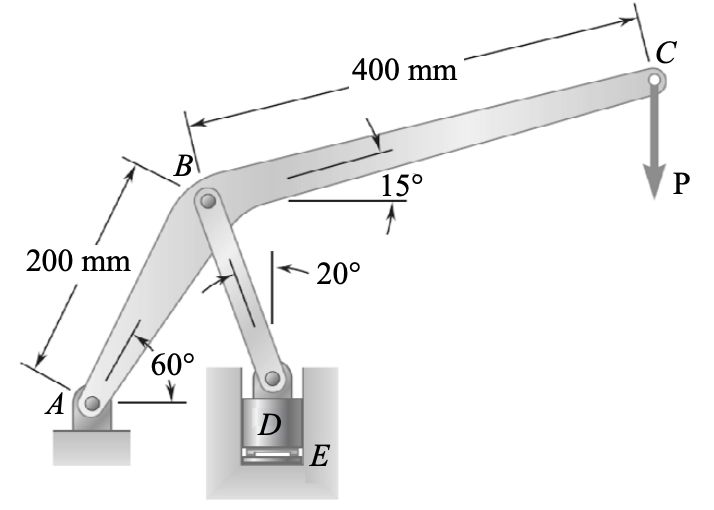
四、如圖所示之衝壓機,已知 P = 250 N,試求:D 點的垂直作用力為若干 N? A 點之反作用力大小為若干 N?(20 分)