所屬科目:電工機械(概要、大意)
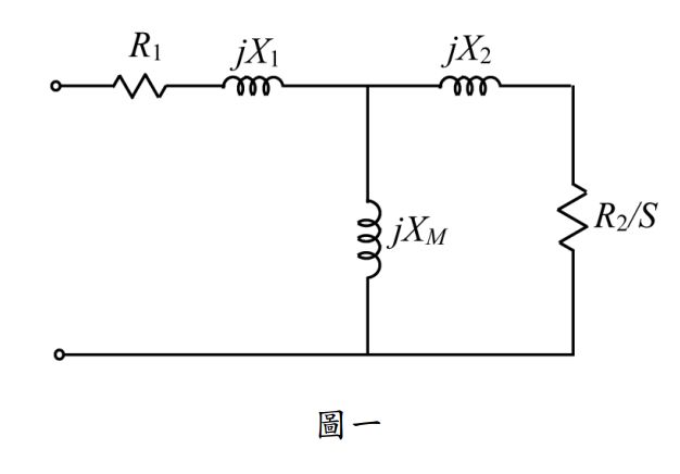
二、一部交流三相鼠籠式感應電動機換算到定子側之單相等效電路可如圖 一表示,其中 R1 為每相定子電阻,R2 為每相轉子電阻,X1 為每相定子 漏抗,X2 為每相轉子漏抗,XM 為每相定子激磁電抗,S 為轉差率。請詳 細說明如何得出單相等效電路中各參數值。(25 分)