所屬科目:捷運◆電路學
1. 如圖所示電路,計算電壓 vo為:(A)60V(B)120V (C)180V (D)30V
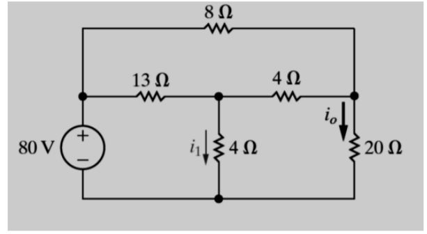
2. 如圖所示電路,如果i 0為2A,試問電流i 1為:(A)5A (B)6A (C)7A (D)8A
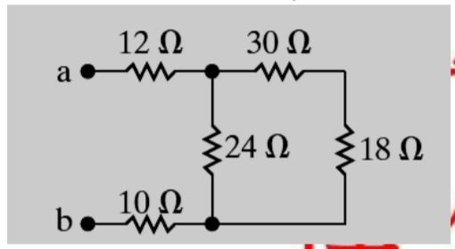
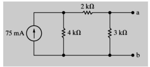
3. 如圖 所 示電 路 ,a,b兩端 之 總電 阻 為何 ? (A)18Ω (B)28Ω (C)38Ω (D)8Ω
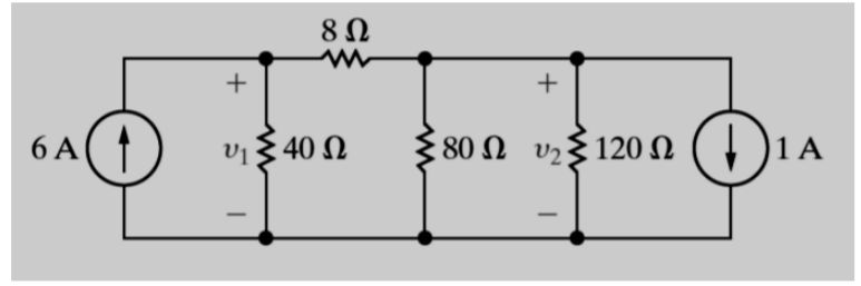
4. 如圖 所 示電 路 ,試 問利 用 節點 電 壓法 得到 v1與v2分別 :(A)v1 = 96V;v2 =120V(B)v1 =120V;v2 = 96V(C)v1 = 48V;v2 = 60V(D)v1 = 60V;v2 = 48V
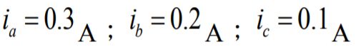
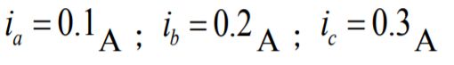
5. 如圖 所 示電 路 ,試 問利 用 網目 電 流法 得到 ia 、 ib與ic分別 為:(A)(B)(C)(D)
6. 如圖 所 示電 路 ,試 問 a、b兩 端之 戴 維 寧等 效 電壓 vTH及 等效 電阻RTH分 別為何 ?(A)vTH= 48V;RTH=16Ω(B)vTH= 24V;RTH=16Ω(C)vTH= 48V;RTH= 8Ω(D)vTH= 24V;RTH= 8Ω
7. 如圖 所 示電 路 ,試 問 a、b兩 端之 諾 頓 等效 電 流 NI及等 效電 阻RN分別 為何?(A)(B)(C)(D)
8. 如圖 所 示電 路 ,可 變電 阻 Ro為多 少 時, 6Ω電 阻 可獲 得 最大 功 率?(A)12Ω (B)3Ω (C)6Ω (D)0Ω
9. 如圖 所 示電 路 ,a,b兩端 之 總電 感 為何 ? (A)12mH (B)7mH (C)14mH (D)20mH
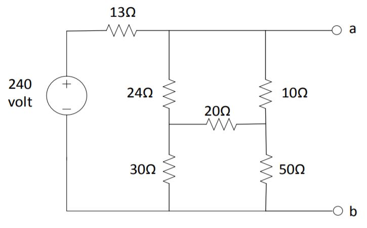
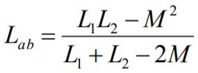
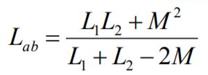
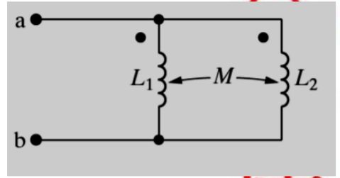
10. 如圖 所 示電 路 ,a,b兩端 之 總電 感 為何 ? (其 中 L1與L2為 自感 , M為互 感 )(A)(B)(C)(D)
12. 如圖 所 示電 路 已達 穩態 , 在 t=0將開 關 SW閉合 ,試 問 該電 路 i0之最 終穩 態值為 何 ?(A)0.2A (B)0.4A (C)0.1A (D)0.8A
13. 如圖 所 示交 流 電路 ,假 設 電壓 為, 試問 其 穩態 電 流io為多少 ?(A) 176.7cos(50t- 135°)mA(B) 1.767cos(50t- 135°)mA(C) 17.67cos(50t- 45°)mA(D) 17.67cos(50t- 135°)mA
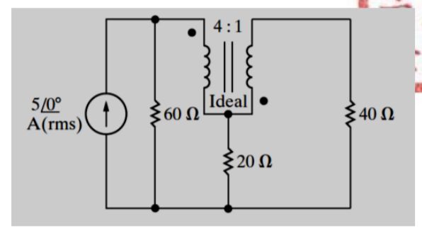
14. 如圖 所 示交 流 電路 ,試 問 其穩 態 電壓 Vo為多 少 ?(A) 18.843∠- 42.88°V(B)20∠45°V(C)188.43∠- 42.88°V(D) 200∠45°V
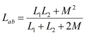
15. 如圖 所 示交 流 電路 ,試 問 a、 b兩 端 之 戴維 寧 等效 電 壓 VTH及等效 阻 抗ZTH分別 為 何? (A)VTH= 216- j72 V; ZTH =3.6- j10.8 Ω (B)VTH= 216- j72V;ZTH= 3.6+ j10.8Ω(C)VTH= 216+ j72V;ZTH= 3.6+ j10.8Ω(D)VTH= 216+ j72V;ZTH= 3.6- j10.8Ω
16. 如圖 所 示交 流 電路 ,試 問 此電 流 源所 提供 之 實功 率 為多 少?(A)1000W (B)700W (C)1400W (D)1425W
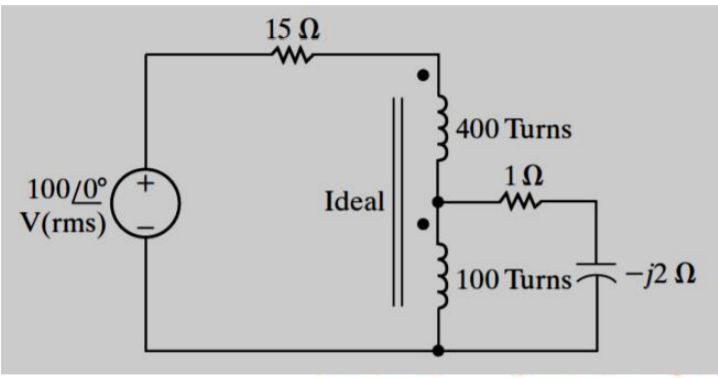
17. 如圖 所 示交 流 電路 ,試 問 15Ω電 阻消 耗 之實 功 率為 多 少? (A)93.75W (B)92.75W (C)94.75W (D)95.75W
18. 如圖所示交流電路 ,試問 9Ω電阻消耗之實功率為多少?
(A)648W (B)1296W (C)1200W (D)960W
21. 如圖 , 若電 阻R1=10Ω, R2=2Ω ,R3=4Ω ,請 問 節點 電 壓 V1為何 ?(A)7volt (B)6volt (C)-7volt (D)以上皆非
22. 請求 出 圖中 的 電流 I1為何 ?(A)4安培 (B)6安培 (C)10安培 (D)以上皆非
23. 如圖 所 示電 路 ,a-b兩端 左 邊電 路 可由 一戴 維 寧等 效 電路 表示 , 請求 出 該 戴維 寧 等效 電 路中 的電 阻 值為 何 ? (A)23.5Ω (B)13.75Ω (C)8.775Ω (D)以上皆非
24. 如圖 所 示電 路 ,a-b兩端 左 邊電 路 可由 一諾 頓 等效 電 路表 示, 請 求出 該 諾頓等 效 電路 中 的電 阻值 為 何?(A)12Ω (B)3Ω (C)6Ω (D)以上皆非
26. 如圖 所 示電 路 ,a-b兩端 左 邊電 路 可由 一戴 維 寧等 效 電路 表示 , 請問 該 戴 維寧 等 效電 路 中的 電壓 源 為多 少 伏特 ?(A)60volt (B)20volt (C)10volt (D)以上皆非
27. 如圖 所 示之 理 想運 算放 大 器電 路 中, 試求 電 壓 Vo為何?(A)2.7volt (B)1volt (C)1.88volt (D)以上皆非
29. 如圖 所 示, 由 a-b兩 端看 入 之等 效 電容 值 Ceq應 為 多少 ? (A)63.33mF (B)10mF (C)110mF (D)以上皆非
30. 如圖 所 示之 直 流電 路中 , 試求 電 壓V1為何 ? (A)5volt (B)10volt (C)15volt (D)以上皆非
31. 試求 圖 之直 流 電路 中, 電 壓 Vc為何 ?(A) 12 volt (B) 8 volt (C) 10 volt (D)以上皆非
35. 如圖 所 示電 路 ,開 關經 長 時間 閉 合後 ,在 時 間 t=4秒時 打 開, 試 求在 時 間 t>4秒 後的 電 流I(t)為何 ?(A)(B)(C)(D)以上皆非
36. 如圖 所 示電 路 ,開 關位 置 長時 間 在端 點 a, 當時 間t=0秒 時, 開 關被 切 換至 端點 b, 試 求在 時 間 t>0秒 後的 電 壓V(t)為多 少 ?(A)(B)(C)(D)以上皆非
37. 如圖 所 示電 路 ,在 角頻 率 ω = 100 rad./second時,由 a-b兩端 看入 之 等效 阻 抗 Zin應 為 多少 ? (設 ) (A)20+j15 Ω (B)8.4-j1.4 Ω (C)4.8-j5 Ω (D)以上皆非
38. 試求 如 圖電 路 中, 電阻 所 吸收 到 之平 均功 率 為何 ? (A)5watt (B)10watt (C)20watt (D)以上皆非
39. 在ㄧ 個 三相 平 衡系 統中 , Y連 接 電源 提供 功 率給 Y 連接 型負 載 ,已 知 每 個相 位 的線 路 阻抗 為 2+j2Ω ,而 每 個 相位 負 載阻 抗 為 6+j6Ω ;若 電 源的 相 位電 壓 大小 為240 V (rms)。 試求 線 路電 壓之 大 小為 何 ? (A)80 V (rms) (B)24 V (rms) (C)240 V (rms) (D)以上皆非