所屬科目:升資考/員級晉高員◆營建法規與結構學
三、如圖一所示之桁架,其各桿件擁有相同的截面積以及彈性模數,分別為 2.5 cm2 和 200 GPa。忽略各桿件的自重,試求 G 點的位移。(25 分)
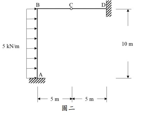
四、如圖二所示之平面鋼架,各桿件的 E 值和 I 值均相同,分別為 200 GPa 以及 106 cm4,限以傾角變位法(slope-deflection method)求各端點彎矩。 (25 分)