所屬科目:統測◆04電機與電子群資電類◆(二)數位邏輯、數位邏輯實習、電子學實習、計算機概論(110以前)
3. 圖(一)邏輯電路利用第摩根(De Morgan )定理化簡之後,結果為下列何者? (A) F=A+B (B) F= (C) F=A+B+C (D) F=A+B+C+D
5. 圖(二)所示之電路,其輸出的布林函數Y=F(A,B,C)為下列何者? (A)Y=Σ (2,3,4,6) (B) Y=Σ (2,4,5,6) (C) Y=Σ (2,4,6,7) (D) Y= Σ(2,3,5,6)
6. 布林函數 ,使X=1的輸入組合總共有幾種? (A) 4種 (B) 5種 (C) 6種 (D) 7種
9. 圖(三)屬於下列何種電路?
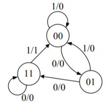
12. 圖(四)為一狀態圖表,當現在狀態為11時,依序輸入0及1之後,則狀態表中的「下次狀態」 與「輸出」邏輯值依序分別為下列何者?(A) 01, 00, 0, 0 (B) 01, 11, 0, 0 (C) 11, 01, 0, 0 (D) 11, 00,0, 1
第二部份:數位邏輯實習(第 14 至 25 題,每題 2 分,共 24 分)14. 如圖(五)所示,當A端輸入為1kHz的方波,B端輸入為1,C端輸入為0,D端輸入為1, 則F端輸出信號為: (A) 相位超前的1 kHz方波 (B) 相位落後的1 kHz方波 (C) 1 (D) 0
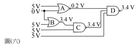
17. 實驗時,一個組合邏輯電路與各邏輯閘的輸入/輸出所量測到的電壓如圖(六)所示,則 圖中哪一個邏輯閘的功能發生異常? (A) A (B) B (C) C (D) D
18. 一個TTL邏輯實驗的電路如圖(七)所示,此邏輯電路的功能為何? (A) 解碼器 (B) 編碼器 (C) 多工器 (D) 解多工器
19. 圖(八)所示的邏輯電路,其功能為下列何者? (A) 比較器(B) 減法器 (C) 半加器 (D) 多工器
23. 數位邏輯實驗時,若以邏輯閘完成了圖(九)電路,則此電路之功能與下列哪個正反器較相符?(A) (B) (C) (D)
24. 圖(十)為正反器實驗電路,J、PR、K、CLR腳分別接到實驗電路1與2,通電後發現兩個 LED一直都亮,則最有可能發生下列哪種情況? (A) 兩個LED極性接反了 (B) PR及CLR短路到GND (C) CLK按鍵卡住 (D) J、K皆空接
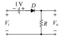
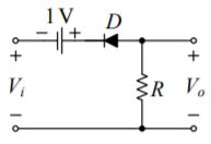
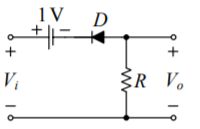
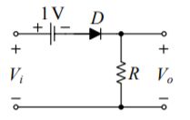
27. 圖(十一)為二極體截波電路的輸入及輸出波形,則下列何者為此截波電路?(假設二極體 導通壓降為零) (A) (B) (C) (D)
28. 實作一個 JFET 放大器電路如圖 ( 十二 ) ,電晶體工作在飽和區,其小信號轉導值為 g m 且RS>>1/gm,若電路中的RD及RS電阻值皆增加為原來的2倍,且電晶體仍工作在飽和區, 則該放大器之小信號電壓增益( vo / vi)約為原來的幾倍? (A) 1 / 2倍 (B) 1倍 (C) 2倍 (D) 4倍
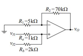
31. 一個使用運算放大器(OPA)的非反相加法器電路如圖(十三),輸出電壓vO與兩個輸入電壓 vI1與vI 2的關係式為何?(A) vO =5 vI1+10 vI2 (B) vO =10 vI1+5 vI2 (C) vO =10 vI1+20 v(D) vO =20 vI1+10 vI2
34. 圖(十四)為一個串級(Cascaded )放大器,將耦合電容CC移除斷路時,個別量得第一級的 電壓增益 與第二級的電壓增益分別為 5.4 與 5.0,當接回耦合電容後,再次量測 第一級與第二級的電壓增益可能分別為何? (A) 5.6與4.8 (B) 5.0與4.8 (C) 5.0與5.0 (D) 5.6與5.0
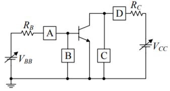
35. 在雙極性電晶體特性實驗時,實作圖(十五)之電路以繪製特性曲線,A、B、C、D為電壓 或電流量測儀表,下列敘述何者正確? (A) 利用儀表C、D可繪製出電晶體輸入特性曲線 (B) 實驗時必須確定電晶體操作於順向主動(Active )區 (C) 此電路架構為共射極組態 (D) 電晶體輸出特性曲線是指利用儀表B、C所量測的數值作圖
36. 圖 ( 十六 ) 為某同學實習時連接之整流電路,發現該電路中的二極體 D2 已損壞並呈現開路 狀態,當VI 輸入AC110V電源時,則有關此電路之運作敘述下列何者正確? (A) VI正半週時,D1、D4導通 (B) 此電路具全波整流功能 (C) VI負半週時,D3、D4導通 (D) 此電路具半波整流功能
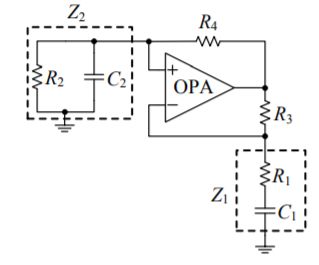
37. 圖 ( 十七 ) 運算放大器 ( OPA ) 所構成的電路中,Z1為 R1與 C1的串聯阻抗,Z2為 R2與 C2 的並聯阻抗,下列敘述何者錯誤? (A) 此電路包括正回授的迴路 (B) 此電路之迴路增益為(R3 /Z1 )(R4 /Z2 ) (C) 此電路包括負回授的迴路 (D) 此電路可作為弦波振盪器
41. 執行下列的程式後,A=107,則Value的初始值為何?(A) 2 (B) 4 (C) 7 (D) 8
43. 使用文書處理應用軟體 MS Office Word 時,下列哪一個圖示為「插入分頁」功能的 符號? (A) (B) (C) (D)
44. 圖 ( 十八 ) 為一個物聯網的灑水系統流程圖,當系統在早上 10: 15 偵測到土壤濕度數值Hm=45,則灑水馬達何時會停止運轉? (A) 10:40(B) 10:30 (C) 10:20 (D) 10:15