所屬科目:輸配電學
(1)
(2)
(3)
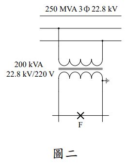
三、圖二所示之單相 200 kVA、22.8 kV/220 V 變壓器,百分標么阻抗 Z=(1.35 + j2.5)%,電源側三相短路容量為 250 MVA,試求該變壓器二次 側短路故障時的非對稱故障電流。(25 分)