所屬科目:醫用電子學
二、有位醫工系學生設計整流電路如圖一所示,測試時輸入電壓波形vi為 40 sin() V;假設二極體為理想元件,請說明其運作原理與繪製輸出 電壓vo隨時間變化之波形,和計算其輸出電壓之均方根值。
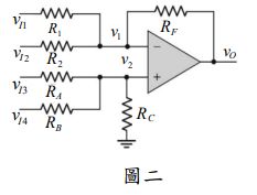
三、有位醫學工程師設計一信號整合電路如圖二所示,請推導出vo與vI1、vI2、 vI3、vI4之關係。
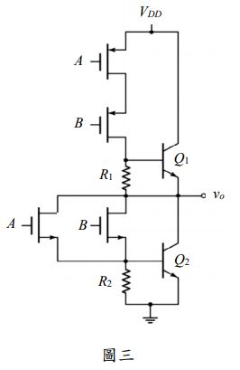
五、有位醫工系學生設計一邏輯閘電路如圖三所示,請說明其工作原理、邏輯 閘種類與其真值表。