所屬科目:電力電子學
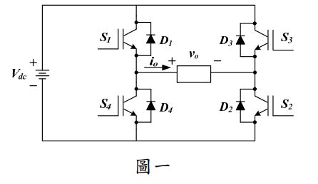
一、圖一之方波變頻器(Square-Wave Inverter),其 RL 負載為 R = 15 Ω, L = 10 mH。輸出頻率為400 Hz。試求建立具有8 A(rms)基本波頻率成分 的負載電流所需之 DC 電壓源數值及負載電流之 THD。(30分)
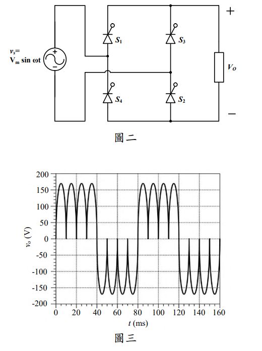
三、圖二之電力轉換器(AC/AC)連接至交流電源120 V/rms,50 Hz,轉換器之輸出電壓波形如圖三所示。圖三中電壓波形之基本波頻率為何?請畫出轉換器開關之控制時序圖。(20分)
四、如圖三之輸出電壓波形,試求其輸出電壓有效值(Vo,rms),基本波電壓之 峰值(Vo,1,p)與有效值(Vo,1,rms),及輸出電壓諧波成分(Vo,h)。(20分)