所屬科目:電力電子學
(一)請計算平均輸入功率(W)。
(二)請計算輸入側功率因數。
(三)請計算輸出電壓有效值(Vrms)。
(四)請計算該電路轉換器的效率。
(五)如何提高輸入側功率因數,而不改變轉換器輸入電流波形?
(一)請計算開關電流之峰值(A) 。
(二)請計算平均輸入功率(W)。
(三)請計算該變壓器之激磁電感(H)。
(四)請計算平均二極體電流。
(五)請計算開關電壓之峰值(V)。
(一)請計算平均電感電流。
(二)請計算開關之導通時間比例。
(三)請計算電感電流回授信號之峰值(V) 。
(四)請計算控制信號之峰對峰值(V)。
(五)請計算控制命令之值(V)。
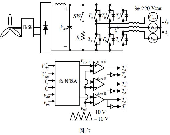
(一)若不考慮低頻諧波成分對三相電網的影響,直流鏈電壓命令最少應設為多少伏特?
(二)若考慮低頻諧波成分對三相電網的影響,直流鏈電壓命令最少應設為多少伏特?
(三)簡要畫出控制器 A 內各方塊圖。
(四)在何種狀況下,開關 SW 需要投入,使電阻 R 跨接於電壓?
(五)若直流鏈電壓命令= 400 V,穩態下控制信號峰值與三角波信號峰值之比例約為?