題組內容
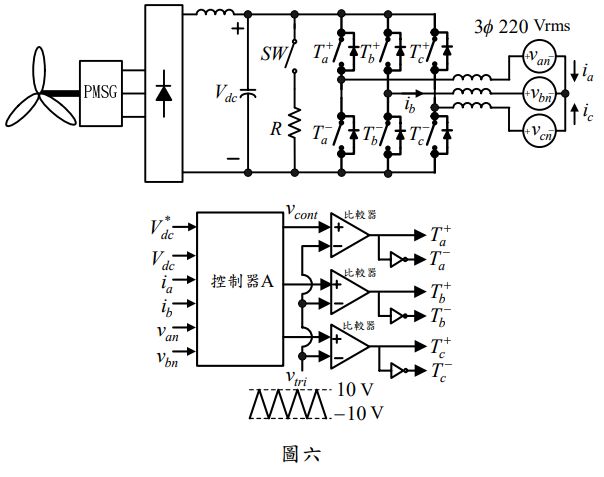
四、如圖六所示,永磁同步風機發電機(Permanent Magnet Synchronous ,接入三相整流子電路與 LC 濾波器後,連接於一穩定 Generator, PMSG) 直流鏈電壓
,再經六臂開關電路,連接於三相電網 220 Vrms。
(五)若直流鏈電壓命令
= 400 V,穩態下控制信號
峰值與三角波信號
峰值之比例約為?
四、如圖六所示,永磁同步風機發電機(Permanent Magnet Synchronous ,接入三相整流子電路與 LC 濾波器後,連接於一穩定 Generator, PMSG) 直流鏈電壓
,再經六臂開關電路,連接於三相電網 220 Vrms。
(五)若直流鏈電壓命令
= 400 V,穩態下控制信號
峰值與三角波信號
峰值之比例約為?