所屬科目:勞動部勞動力發展署◆職前訓練班
3.為□□酒後駕車□□,朝野立法委員提案修法加重相關刑責。 (A)遏止、肇事(B)喝止、造事 (C)遏止、造事(D)喝止、肇事
9. (A)15 (B)13 (C)14 (D)17
10. (A)3,4 (B)6,8 (C)4,6 (D)3,2
11. (A)48 (B)58 (C)62 (D)66
12. (A)11 (B)9 (C)10 (D)8
15. (A) (B)1 (C)-1 (D)0
16.若則(A)153014 (B)153018 (C)151814(D)151429
17.請選出下圖的平面旋轉圖(非翻轉) (A)(B)(C) (D)
18.請選出下圖的平面旋轉圖(非翻轉) (A) (B) (C) (D)
19.選出下折合圖 (A) (B) (C) (D)
20.選出下圖經空間變位後之圖形 (A) (B) (C) (D)
21.請選出下圖經空間變位後之圖形 (A) (B) (C) (D)
22.請算下圖有幾個方塊?(A)16 (B)26 (C)32 (D)40
23.下圖有幾個三角形?(A)6(B)12(C)20(D)21
24.請選出下圖的展開圖(A) (B) (C)(D)
25.請選出符合的圖 (A) (B) (C)(D)
29.= (A)341/1000 (B)341/999 (C)314/(1000-341)(D)(1000-341)/1000
33.某古堡有億萬藏,必須輸入密碼才能進入寶取餐,已知入門密碼為 abcd,分別藏在2898=的標準分解式中,請問密碼為何? (A)1371 (B)2371 (C)1351 (D)2351
34.△ABC之三邊長為15公分、7公分、a-2公分,若a為正整數,a可能的數有幾個?(A)10(B)12 (C)18 (D)13
37.如圖,有一平形四邊形ABCD與一正方形CEFG, 其中點在 ・若∠ECD=35°,∠AEF15°,則∠B的度數為何? (A)50 (B)55 (C)70 (D)75
39.如下圖,四形ABCD的四邊分別與圓相切 ,若BC=7,CD=9,DA=13,則AB=? (A)7 (B)11 (C)9 (D)13
41.下列何者非屬目前台灣空氣汙染防制法規所管制的空氣汙染物?(A) (B)二氧化硫(C)二氧化(D)二氧化碳
42.某原子由質子、子與中子三種粒子所組成,下表列出這些粒子的部份資料(未 依照順序),根據這些資訊,判斷表格①、②、③與④填入的內容,何者是合理的?
(A)①:質子 (B)②: 電子 (C)③:帶負電 (D)④位於原子核外
45.三個單擺:(甲)長25cm,擺角5°,擺錘質量100g;(乙)擺長50cm,擺角4°, 擺錘質量200g ;(丙)擺長100cm,擺角3°,錘質量500g,試問三者週期大小順序為何? (A)甲>乙>丙(B)甲=乙=丙(C)甲<乙<丙(D)乙>甲>丙
48.下列光的反射行進路徑,何者錯誤? (A)(B)(C)(D)
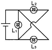
49.如下圖L1、L2、L3,三燈泡連接如圖,這三個燈的接法與下列何項相同? (A) (B)(C)(D)
50.使1克物上升1℃所需吸收的熱量,為該物質的 (A)溫度 (B)單位熱量 (C)卡熱量(D)比熱