所屬科目:台糖◆基本電學
6.有一交流電流方程式,則電流的頻率及有效值分別為何? (A) 50Hz、10A (B) 60Hz、10A (C)(D)
7.有一個 RLC 串聯電路,已知交流電壓源有效值為 110V、60Hz 時,R=20Ω,, 則此串聯電路的諧振頻率為何? (A) 20Hz (B) 120Hz (C) 180Hz (D) 540Hz
10.有一單相交流電路,其電源電壓為,量測到電路中電流為,則該電路的功率因數(P.F.)為何? (A) 0.5 (B) 0.707 (C) 0.866 (D) 1
12.有一電路如【圖 12】所示,則 I 流過電流為何? (A) 2A (B) 4A (C) 6A (D) 8A
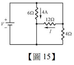
15.如【圖 15】所示之電路,請求電流 I 的大小為何? (A) 0.5A (B) 1A (C) 2A (D) 4A
16.如【圖 16】所示之電路,請求電流 I 的大小為何? (A) 4A (B) 7A (C) 10A (D) -3A
17.如【圖 17】所示之電路,電阻 RL等於多少時,可得最大功率? (A) 3Ω (B) 4Ω (C) 6Ω (D) 12Ω
18.如【圖 18】所示,請求 a、b 兩端的總電感為何? (A) 4H (B) 5H (C) 8H (D) 12H
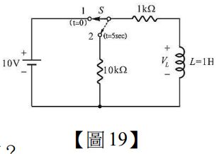
19.如【圖 19】所示電路,在 t=0 時將開關 S 連接在 1 的位置,經過 5 秒後再將開關連接到 2 的位置, 求連接到 2 的瞬間,電感兩端電壓 為何? (A) 10V (B) -10V (C) 110V (D) -110V
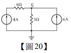
20.如【圖 20】所示,請求 Vo 之值為何? (A) 6V (B) 12V (C) 18V (D) 30V
21.如【圖 21】所示電壓波形,請求此電壓之有效值為何? (A) 1V (B) -1V (C) 1.414V (D) 2V
22.如【圖 22】所示,請求 R 為多少? (A) 0.5Ω (B) 1Ω (C) 2Ω (D) 5Ω
23.如【圖 23】所示,請求出諾頓等效電路之之值分別為何? (A) (B) (C) (D)
24.如【圖 24】所示 RLC 串聯電路,若此時電路發生諧振,請求電感值為何? (A) 1mH (B) 10mH (C) 15.9mH (D) 100mH
25.有一台 3380V6.6KW 電動機,功率因數為 0.8,效率為 87.5%,接 3380V 電源時,請問線電流約為何? (A) 5.83A (B) 11.4A (C) 14.3A (D) 17.7A
26.有一電路如【圖 26】所示,電阻 R1=20Ω、R1 上電壓為 40V,電阻 R2 消耗 40W 電功率,則下列 敘述何者正確? (A) R2 電阻 10Ω (B) R1 消耗電功率 60W (C) R2 上電壓為 20V (D) E 電源電壓為 60V
29.有一電路如【圖 29】所示,電源電壓 v(t)=100sin(314t)V,則下列敘述何者正確? (A)總阻抗為 10∠-53.3 Ω (B)電源電流 i(t)=10sin(314t+53.3 )A (C)電源電流相位落後電源電壓相位 53.3 (D)電阻器兩端電壓 v(t)=60 sin(314t+53.3 )V
30.有一電路如【圖 30】所示,電源電壓 ,則下列敘述何者正確? (A)總阻抗為 (B)電源電流 i(t)=5sin(377t+45 )A (C)電源電流相位領先電源電壓相位 45 (D)電阻器兩端電壓為 100sin(377t-45 )V
31.有一電路如【圖 31】所示,電源電流 i(t)=2sin(377t)A,則下列敘述何者正確? (A)總阻抗為 25∠36.7 Ω (B)電源電壓(C)電源電流相位領先電源電壓相位 36.7 (D)電感器兩端電壓為 30sin(377t+90 )V
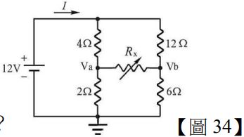
34.如【圖 34】所示電路,可變電阻 RX原本值為 5Ω,下列敘述何者正確? (A)將 Rx 調成 10Ω 時,Va 變高 (B)將 Rx 調成 20Ω 時,Va 小於 Vb (C)將 Rx 調成 1Ω 時,電流 I 維持不變 (D)將 Rx 調到無限大時,Va 等於 Vb
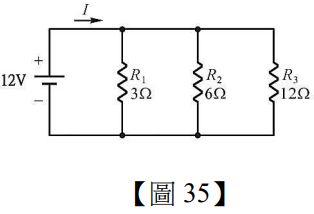
35.如【圖 35】所示電路,下列敘述何者正確? (A)總電流 I=7A (B)流入 3Ω 之電流為 4A (C) 12Ω 消耗之功率為 12W (D) R1、R2、R3 所消耗的功率比值為 16:4:1
36.如【圖 36】所示電路,下列敘述何者正確? (A) 2I1+I2=3 (B) 2I1+3I2=6 (C) Va=0V (D) I2=1.5A
38.如【圖 38】所示電路,已知 v(t)=100sin(1000t+27°)V,i(t)=10sin(1000t-10°)A,阻抗 Z 為一電阻 R 與一未知元件 X 串聯,由此可求得: (A) R 為 10Ω 之電阻 (B) X 是 167μF 的電容器 (C) X 是 6mH 的電感器 (D)阻抗的功率因數為 0.8
39.如【圖 39】所示電路計算交流功率,則下列何者正確? (A)總平均功率為 1000W (B)總虛功率為 3000VAR (C)總視在功率 2000VA (D)總功率因數 0.707
(一)當電源電壓,若 R=10Ω、L=300mH、C=500μF,電阻器兩端電壓為何? 【5 分】
(一)若電阻兩端移開時,兩端其開路等效電壓為何?【5 分】
(二)若電阻可獲得最大功率,則最大功率值為何?【5 分】