所屬科目:台糖◆基本電學
3.某電阻端電壓 VR 與流經電阻的電流 RI 曲線如(圖 3) ,此電阻值為何?(A) 2Ω (B) 3Ω (C) 4Ω (D) 5Ω
7.三相平衡系統的三相負載為△接,其在 △接中的各相電流有效值為 10 A,則輸入線電流有效值為何? (A)10A (B)20A (C) (D)
10.電壓信號分別為,若v1的相位領前v2為60°,則θ2為何? (A) θ2=60° (B)θ2=-60°(C) θ2=30°(D) θ2=-30°
11.直流電路如(圖 11) ,電流源 IN = 100A ,調整電阻 RL 使具最大功率消耗,則流經電阻 RL 的電流為何? (A) 100A (B) 80A (C) 50A (D) 25A
13.直流電路如(圖 13) 所示,電容C1=20μF,在穩態時其電容C1儲存能量為多少焦耳?(A) 4.0 (B) 2.0 (C) 0.4 (D) 0.2
18.有一線圈其匝數為 500 匝,若通過該線圈的磁場變化如(圖 18) 所示,請問在 t=2sec 時,該線圈兩端之感應 電勢為多少伏特?(A) 50V (B) 25V (C) 5V (D) 0V
19.如(圖 19) 所示電路,當開關 S 閉合一段時間之後,電路已達穩定狀態,電容器兩端電壓為多少伏特? (A) 20V (B) 24V (C) 28V (D) 32V
21.如(圖 21) 已知 RLC 並聯電路連接在頻率為 60Hz 之電源上,若此時 R=10Ω,XL=1000Ω,XC=40Ω,則其諧振頻率 fo=?(A) 10Hz (B) 12Hz (C) 60Hz (D) 300Hz
22.如(圖 22) 所示電路,請問 I=?(A) 1A (B) 2A (C) 3A (D) 4A
23.如(圖 23) 所示電路,開關未閉合前,流經電感器之電流為 0A,當開關 S 按下的瞬間,電流 I=?(A)(B)1A(C)(D)
24.如(圖 24) 所示交流電路,圖(a) 為交流 RC 並聯電路,圖(b) 為其等效串聯電路,R 及 XC各為多少歐姆? (A) R=50Ω、XC=25Ω (B) R=25Ω、XC=50Ω (C) R=20Ω、XC=10Ω (D) R=10Ω、XC=20Ω
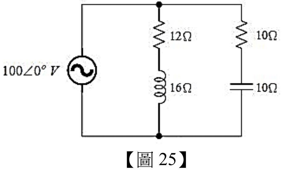
25.如(圖 25) 所示電路,該電路所消耗的總有效功率為多少? (A) 200W (B) 400W (C) 500W (D) 800W
26.直流並聯電路如(圖 26) ,下列的電壓及電流哪些正確?(A)電流I1 = 200A (B)電流I2 = 120A (C)電壓V1 = 800V (D)電壓V2 = 960V
28.電阻、電感、電容串聯電路如(圖 28) ,當電源頻率與電路諧振頻率相等,下列哪些正確?(A)電路的功率因數為 1.0 (B)電源電壓 es 的相位落後電流 is (C)電源電壓 es 的相位領前電流 is (D)電路的總阻抗為電阻 R1
29.某單相負載端電壓為,負載電流為 iL 10sin(377t- 45°) A,下列哪些正確? (A)負載阻抗為 (B)功率因數為 0.707 落後 (C)負載的實功率(或平均功率)為 500W (D)負載的視在功率為 1000VA
30.電阻及電感組合電路如(圖 30) ,L1 = 20mH、L2 = 40mH ,在穩態時其電感電流及儲存能量下列哪些正確? (A)電流 IL1 = 100A (B)電流 IL2 = 20A (C)電感 L1 的儲存能量為 100 焦耳 (D)電感 L2 的儲存能量為 40 焦耳
31.電流時間函數分別為,有關電流合成(i1+i2) 及其相位差,下列哪些正確? (A)電流1i的相位領前電流i2為90° (B)電流i1的相位領前電流合成(i1+i2) 為90° (C)電流合成(i1+i2) 為40cos(377t-45°)A (D)電流合成(i1+i2) 的相位差落後電流i2為45°
32.交流單相電路的戴維寧等效電路如(圖 32) ,戴維寧等效阻抗,戴維寧等效電壓 (有效值),調整負載阻抗 ,使其具最大功率消耗,下列哪些正確?(A)負載阻抗 為(2-j2)Ω(B)負載電流為(有效值)(C)負載消耗實功率為 800W (D)負載端電壓為(有效值)
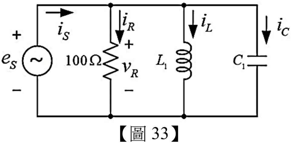
33.並聯諧振電路如(圖 33) ,己知電流 iS = 4sin(2000t) A,L1 = 25mH ,當電源頻率與電路諧振頻率相等,下 列哪些正確?(A)電感 L1 的電感抗為50Ω (B)電容 C1 為20μF (C)電感電流為 iL = 8sin(2000t)A (D)電容電流為 iC 8sin(2000t+ 90°) A
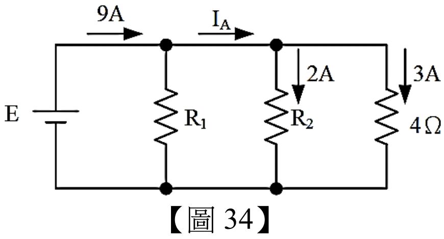
34.如(圖 34) 所示電路,下列何者正確?(A) IA=5A (B) E=18V (C) R1=3Ω (D) R2=6Ω
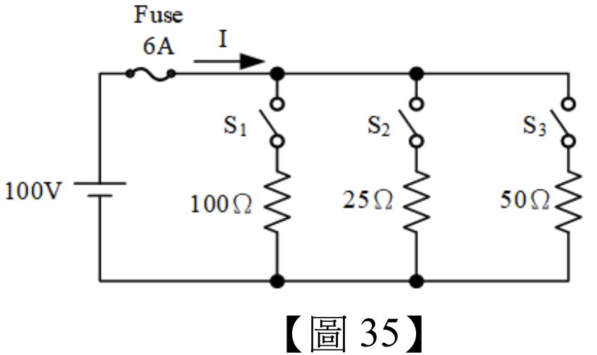
35.如(圖 35) 所示電路,下列敘述何者正確?(A) S1與 S2閉合時,I = 5A (B) S1與 S3閉合時,I = 3A (C) S2與 S3閉合時,I = 6A (D) S1、S2、S3閉合時,I = 7A
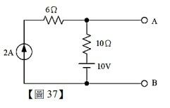
37.如(圖 37) 所示電路,AB 兩端之戴維寧等效電路為何? (A) RTH = 10Ω(B) (C) ETH = 10V(D) ETH = 30V
38.如(圖 38) 所示電路,下列選項何者正確?(A)(B)(C)(D)
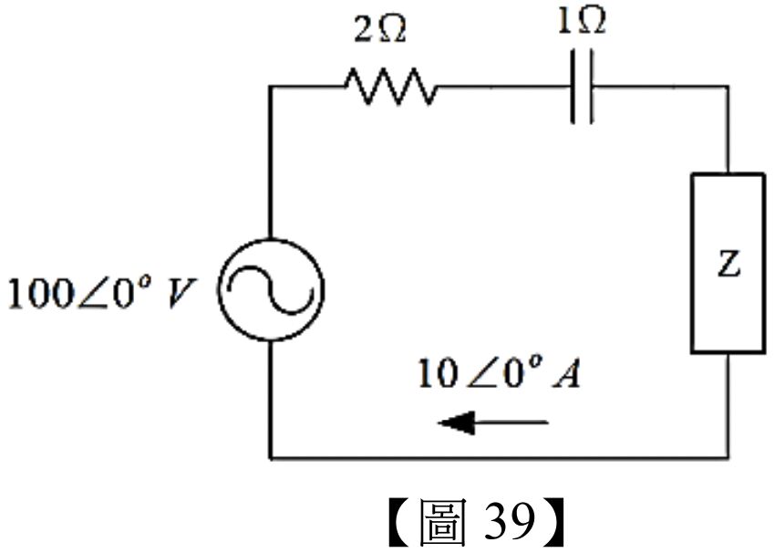
39.如(圖 39) 所示電路,下列何者正確?(A)(B)總有效功率 PT=1000W (C)總虛功率 QT=1000VAR (D)功率因數 P.F.=1
(一)電壓VL ,電流IS、IL 。(6 分)