所屬科目:研究所、轉學考(插大)◆材料力學
(2)請計算H型鋼斷面慣性矩I(5分),並計算梁中斷面因彎矩引致的最大正向應力值 (10分)
(3)請計算H型鋼斷面一次矩Q(5分),並计算梁中斷面因剪力引致的最大剪感力值。 (10分)
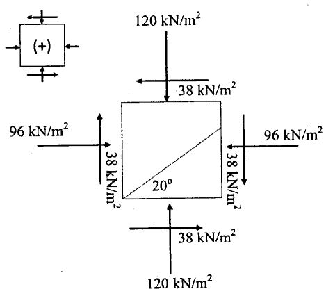
三、請於繪製下圖所示應力狀態的應力摩爾圆(壓逆為正),在莫爾圆上標註最大主應力與最 小主應力值,並求出與水平面夹角20度平面上的正向應力及剪應力值(各4分,共16分)。