所屬科目:單晶片微處理機實習
52. JK 正反器的輸入端 J = 0、K = 1,假設輸出端原來的狀態 ,則 CK 觸發後輸出端的下一個狀 態為何? (A) (B) (C) (D)
54. 預設(PR)與清除(CLR)為高態動作的 JK 正反器,假設輸出端原來的狀態 ,若 PR 為 1、CLR 為0,則 CK 觸發後輸出端下一個狀態為何? (A) (B) (C) (D)
61.如圖所示,將 JK 正反器之 J 端接反相器後再與 K 端連接,則可成為 (A) RS 正反器 (B) T 型正反器 (C) 反相器 (D) D 型正反器
63D 型正反器的輸入端 D=1,假設輸出端原來的狀態,則 CK 觸發後輸出端 的下一個狀態為何? (A) (B) (C) (D)
64.如圖所示之邏輯電路,等效於下列哪一個電路?
(A) 正緣觸發 D 型正反器 (B) 負緣觸發 T 型正反器 (C) 正緣觸發 T 型正反器 (D) 負緣觸發 D 型正反器
66.T 型正反器的輸入端T=1 ,假設輸出端原來的狀態,則 CK 觸發後輸出端 的下一個狀態為何? (A) (B) (C) (D)
67.T 型正反器的輸入端 T = 0,假設輸出端原來的狀態 Q = 0、 ,則 CK 觸發後輸出端 的下一個狀態為何? (A) (B) (C) (D)
68.如圖所示,將 RS 正反器之 S 端接反相器後再與 R 端連接,則可成為 (A) JK 正反器 (B) T 型正反器 (C) D 型正反器 (D) 反相器
70.如圖所示,CLK 輸入為 1kHz 脈波信號,其中 CLR 和 PR 接腳皆為低態動作,請問輸出 Q 的頻率為何? (A) 2kHz (B) 1kHz (C) 500Hz (D) 0Hz
71.RS 正反器在 CK 觸發後,使輸出現態 轉變成次態 ,則輸入 R、S 之值為何?(×表隨意項,有可能是0 或 1) (A) R=0,S=1 (B)R=✖ ,S=0 (C)R=1 ,S=0 (D)R=0 ,S=✖
72.JK 正反器的輸出端特徵方程式= (A) (B) (C) (D)
73.有一 JK 正反器,在 CK 觸發後,使輸出端 Qn = 0 轉變成 ,則輸入端 J、K 之值為何?(× 表隨意項,有可 能是 0 或 1) (A) J = ×,K = 0 (B) J = ×,K = 1 (C) J = 1,K = × (D) J = 0,K = ×
74.RS 型正反器的輸出端特徵方程式 = (A) (B) (C) (D)
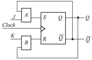
75. 將 SR 正反器連接成 JK 正反器如右圖所示,若方塊 A 及方塊 B 分別僅能使用 1 個二輸入邏輯閘,則下列何者正確? (A) 方塊 A 使用 AND、方塊 B 使用 OR (B) 方塊 A 使用 NAND、方塊 B 使用 NOR (C) 方塊 A 使用 AND、方塊 B 使用 AND (D) 方塊 A 使用 NAND、方塊 B 使用 NAND 詳解:
76.在正緣觸發的 JK 正反器激勵表中,假如現態 ,希望在 CK 觸發後使次態 ,則輸入 J、K 之值為何? (×表隨意項,有可能是 0 或 1) (A) J=0,K=✖ (B) J=1,K=✖ (C) J=✖,K=1 (D) J=✖,K=0