所屬科目:電機機械
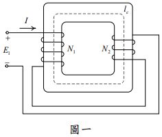
一、圖一所示之磁路,鐵心平均長度 lc =45 cm ,截面積 Ac = 15 cm 2 ,相對導 磁係數μ r = 3300 ,繞組匝數 N1 =100 , N 2=85 ,繞組通以 I = 550 mA 之 直流電流,忽略漏磁效應,計算鐵心中的磁通密度及儲能。 (20 分)
(一)若不使用啟動電抗器 (啟動時 SW 閉合),計算此電動機之啟動電 流與啟動轉矩。(10 分)
(二)若欲抑制啟動電流為原來的 倍,計算啟動電抗 之值及使用此啟 3 動電抗時的啟動轉矩。(10 分)