題組內容
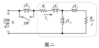
五、額定 60 Hz、208 V、Y 接、30 馬力之三相六極鼠籠式感應電動機,每相 等效電路如圖二中虛線所包圍的部分,s 為轉差率,參照至定子側的等 效電路每相歐姆值為 R1 = 0.10 、 R2 = 0.07 、 X 1 = X 2 = 0.21、 X m = 10,此 電動機在額定電壓下啟動。
(二)若欲抑制啟動電流為原來的
倍,計算啟動電抗
之值及使用此啟 3 動電抗時的啟動轉矩。(10 分)
五、額定 60 Hz、208 V、Y 接、30 馬力之三相六極鼠籠式感應電動機,每相 等效電路如圖二中虛線所包圍的部分,s 為轉差率,參照至定子側的等 效電路每相歐姆值為 R1 = 0.10 、 R2 = 0.07 、 X 1 = X 2 = 0.21、 X m = 10,此 電動機在額定電壓下啟動。
(二)若欲抑制啟動電流為原來的
倍,計算啟動電抗
之值及使用此啟 3 動電抗時的啟動轉矩。(10 分)