所屬科目:1.電路學 2.電子學
一、圖一 Q1 偏壓於主動區,IC = 0.24 mA,熱等效電壓(thermal equivalent voltage)VT = 25 mV,RC = 3 k Ω , = 540 Ω , β = 24,ro =∞基極電 壓 vB 含輸入小訊號 以及必要的直流電壓 VB,耦合電容 C → ∞。先算出 電晶體小訊號參數 gm 與 rπ ,畫出整個放大器的小訊號模型電路,再求算 小訊號輸入電阻 輸出電阻 Ro 及電壓增益 。(25 分)
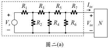
二、圖二(a)與圖二(b)均為線性電路,R1 = R2 = R6 = 2 k Ω ,R3 = 3 kΩ ,R4 = 4 k Ω , R5 = R7 = 1 kΩ 。對電路 N 而言,圖二(a)與圖二(b)虛線框內電路完全等效, 求算 Rx 之值及 Vx 與 Vs 之關係。(25 分)
三、圖三網路 Rs = RL = 1 Ω,L = 1 μH,C = 1 μF,時間 t ≤ 0– 時,L 與 C 無儲 存能量,輸入電壓 Vs(t) = u(t)單位步級函數(t < 0 時,u(t) = 0 V;t > 0 時, u(t) = +1 V)。先說明 L 與 C 阻抗與頻率的關係,再據之說明理由以判斷 在 t = 0+ 與 t → ∞時,Vo(t)分別為何值。(25 分)
四、畫出轉換函數(transfer function)H(s) = 3✖104s/[(s + 10)(s + 100)],s = j ω , 相位頻率響應(以度 (o) 表示)的直線近似波德圖(Bode plot)。橫軸角頻 率對數範圍至少包含 ω = 至 104 rad/sec,縱軸須涵蓋∠H( ω )在上述頻率範圍內的角度,必須標註橫座標軸與縱座標軸之變數與單位、各線段轉折點的橫軸與縱軸座標、以及各直線的斜率。(25 分)