所屬科目:技檢◆氣壓-乙級
5. 如下圖氣壓迴路之邏輯功能,與下列何者相同? (A) (B) (C)(D) 。
8. 下圖為氣壓之(A)加數型計數器(B)差數型計數器(C)減數型計數器(D)一般型延時閥。
16. 下圖中電磁閥消磁後,氣壓缸停止,請問在氣壓缸活塞側會產生多大背壓?(A)5.4(B)6(C)6.7(D)4.6 kgf/cm2G。
26. 參考下圖,下列那一個關係正確?(A) (B) (C) (D) 。
27. 邏輯方程式 的簡化為(A) (B) (C)A+EF(D)D+EF。
29. 下圖迴路名稱何者最適宜?(A)鎖固迴路(B)衝擊(C)變速(D)平衡。
31. 左圖之邏輯式是(A) (B) (C) (D) 。
33. 左圖為邏輯迴路,表示 Y=(A) (B) (C) (D)a+b。
34. 有關下列迴路圖之功能,何者正確?(A)持續按下按鈕閥 S 後,經過一短暫時間,A+訊號才輸出(B) 持續按下按鈕閥 S 後,經過一短暫時間,A+才自動消失(C)持續按下按鈕閥 S 立即輸出 A+訊號, 直到 S 被放開時,A+訊號才消失(D)按下按鈕閥 S 後立即放開,同時輸出 A+訊號,到一定時間後 A+才自動消失。
36. 下圖迴路名稱何者最適宜?(A)變速(B)平衡(C)衝擊(D)鎖固 迴路。
39. 下列何者為表面粗糙度光胚面之圖示?(A) (B) (C) (D) 。
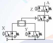
44. 在下圖中欲使氣壓缸前進,正確的啟動法是(A)按閥 1(B)按閥 4(C)按閥 2(D)按閥 3。
49. Y=a、T=a 之控制迴路,下列何者正確? (A) (B) (C) (D) 。
53. 下圖迴路有何種功能?(A)在電磁閥兩邊線圈都不激磁時,可使物件停止於行程中間任何位置,且 用手又可輕易移動(B)在行程中間可改變氣壓缸的移動速度(C)可使氣壓缸伸出時,獲得較快的移動 速度(D)在電磁閥兩邊線圈都不激磁時,可將物件牢固地鎖定於行程中間任何位置,且用手移動後 又能回原處。
57. 下圖中 R 表示(A)輸入信號端(B)復歸信號端(C)動作信號端(D)輸出信號端。
67. 如下圖所示加工件經過翻轉機構順時鐘轉 90 度,試問驅動翻轉機構之氣壓缸應以何種方式安裝,才能順利動作(A)CA:環首(單山)型(B)TA:前耳軸型(C)LB:腳座型(D)FB:後法蘭型。
70. 下列哪些符號不屬於流量控制閥?(A) (B) (C) (D) 。
71. 下圖使用 14 支腳位型的繼電器,要使線圈激磁該接哪些接點?(A)13(B)12(C)14(D)9。
77. 如下圖關於電氣迴路圖中的開關類繪製規定,設圓點直徑為 d 時,則(A)B=5d(B)B=6d(C)A=3d(D)A= 4d。