所屬科目:國中技藝-工業電子組
1. 如圖1-1所示電路,下列何者正確 ?
(A) 此為積分電路 (B) 若Vi 為方波,則 Vo 為三角波 (C) 若Vi 為弦波,則 Vo 的振幅與R 及C 值無關 (D) 若Vi 為弦波,則頻率越低 Vo 的振幅越小。
2. 當 RLC 串聯電路諧振時,下列何者錯誤? (A) f0 = (B) 電流最大(C) PF = 1 (D) XL = XC。
3. 圖 1-2 所示,若 BJT 工作於主動區,β = 99, VBE = 0.7 V,且基極交流電組 rπ=1kΩ, 則 io/ii 約為何?
(A) 25 (B) 50 (C) 75 (D)100。
4. 棕黑黑黑棕的精密電阻值為 (A) 100Ω ± 0.1 % (B) 100 Ω ± 1 % (C) 1000 Ω ± 0.1 % (D) 1000 Ω ± 1 % 。
5. 將十進位數字 90.75 轉換為其他進位數字,下列何者錯誤? (A)1011010.1100(2) (B) 1122.3(4) (C) 132.3(8) (D) 5A.C(16) 。
6. 若正弦波電壓信號 v (t) = 0.1 sin (1000 π t )V,則下列敘述何者錯誤? (A) 峰值為0.1V (B) 平均值為0V (C) 頻率為1000Hz (D) 時間t=0.002 秒時,其電壓值為0 V。
7. 理想OPA放大器的描述何者錯誤? (A) 輸入阻抗無窮大 (B) 輸出阻抗為0 (C) 開路增益無 窮大 (D) 輸出電流無窮大。
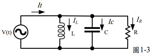
8. 如圖1-3 所示之交流穩態電路,已知各支路電流有效值為 IL = 24 A、 IR = 24 A、 IC = 6 A, 則電流有效值 It為何?
(A) 0A (B) 18A (C) 24A (D) 30A 。
9. 如圖1-4 所示電路,下列敘述何者正確?
(A) 是一個低通濾波器,截止頻率為 (B) 是 一個高通濾波器,截止頻率為 (C) 是一個低通濾波器,截止頻率為 (D) 是一個 高通濾波器,截止頻率為 。
10. 某增強型N通道MOSFET共汲極(CD)放大電路工作於飽和區,當輸入信號為頻率500Hz、 峰對峰值1V之正弦波,在輸出信號不失真下,若以示波器觀測其輸出信號波形,則下 列敘述何者正確? (A) 輸出信號峰對峰值約為4V (B) 輸出信號峰對峰值約為3V (C) 輸出信號峰對峰值約為2V (D) 輸出信號峰對峰值約為1V。
二、填充題 1. 如圖 2-1 所示電路,求諧振頻率 fo =___________。
2. 如圖 2-2 所示電路,假設 D 型正反器 QA, QB, QC 之初始值為 000,CLOCK 為 3KHz,則 QC 的輸出頻率為? = ____________。
3. 如圖2-3所示電路,Vo2的峰對峰值為? ___________
4. 如圖2-3所示電路,Vo2的週期為? ___________
5. 如圖 2-4 所示電路,假設 R1=R2=R3,RB=2RA,Vo = _____________。
6. 如圖2-5所示電路,C1=10uF,請設計R1、R2使輸出為一100Hz、工作週期為66.6%的脈波。 R1=_______。
7. 如圖2-6所示,請問ab兩端的戴維寧等效電阻Rth為何? _____________
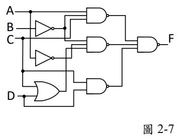
8. 如圖2-7所示,F = f (A,B,C,D),求輸出F最簡的積之和(Sum of Product)方程式___________ 。
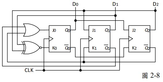
9. 如圖2-8電路圖中,若D2D1D0的初始狀態為111,且CLK適當觸發,電路經過 9個時脈週期 後,D2D1D0會呈現甚麼狀態? _________
10. 一個 8 位元的二進制數字系統採用2 的補數來表示負數,若將16 − 32 的十進制減法運算結 果儲存至此系統,則8 位元的二進制結果為 ________________。
三、計算與設計題
1. 如圖 3-1,請畫出 Vi 與 Vo 的轉換曲線 並標示 VTH 和 VTL。
2. 假設電源電壓為+5V,電晶體的 VBE=0.7V,VCE(sat)=0.1V,=99,LED 導通電壓為1.6V。請用二個電阻和一個 NPN 電晶體設計出一 LED 驅動電路。當輸入為+5V 時,LED 亮且流過 LED 的電流為 10mA。當輸入為 0V 時,LED 不亮且流過 LED 的電流為 0mA。 一
3. 請用 OPA 畫出一個電流轉電壓電路,當輸入電流峰對峰值為 4mA 時,輸出電壓為3Vp-p。
4. 請用 OPA 畫出一個差動放大器電路,增益為 0.5。
5. 欲利用微控制器的 GPIO 接腳判斷一個按鈕開關是否按下。請劃出一個開關偵測電路, 當開關按下時 GPIO 需偵測到+5V,沒有按下時 GPIO 需偵測到 0V。